Digital Substation — инженерное издание, посвященное автоматизации IEC 61850, системам релейной защиты и цифровому интеллекту энергосетей.
СОПТ: поиск замыкания на землю в цепях оперативного постоянного тока
2017-05-11T11:28:16+03:00
Какую компоновку размещения оборудования подразумевает схема вторичной коммутации КРУЭ? Почему исключение из системы оперативного постоянного тока РН-51 привело к увеличению случаев неправильной работы релейной защиты? Что такое на самом деле распределенная система питания защит оперативным током? Какие ошибки при использовании GOOSE-сообщений подстерегают проектировщиков? Все это и многое другое — вот темы рубрики «Грабли». Для кого она предназначена? Для тех, кто хочет написать грамотно техническое задание на «ремонт собственного дома». Для тех, кто проектирует, для тех, кто разрабатывает, д
И мы продолжаем серию публикаций, посвященную системам оперативного постоянного тока. Ранее были рассмотрены такие темы, как
Как иногда бывает полезно заглянуть в старые руководящие указания и еще раз убедиться в том, что всё новое – это хорошо забытое старое!
1. Анализ сложившейся ситуации
Продолжая тему СОПТ, хотелось бы остановиться на одном её разделе, который уже два десятка лет вызывает споры среди проектировщиков и головную боль у эксплуатации: поиск замыкания на землю в цепях оперативного постоянного тока.
Начиная с 1997 года – в Мосэнерго вводятся в работу первые подстанции с микропроцессорными (МП) защитами – ПС 110 кВ «Зубовская», ПС 220 кВ «Центральная», «Куркино» и другие. С их появлением приходит понимание того, что существующий метод поиска фидера с пониженной изоляцией недопустим. Поочередное снятие питания со всех вторичных устройств, принятое при этом, ведет к перезагрузке МП терминалов и выводу их из работы на время от десятка секунд до нескольких минут. Этот факт противоречил требованию параграфа 5.9.5 ПТЭЭС - «Силовое электрооборудование и линии электропередачи могут находиться под напряжением только с включенной релейной защитой от всех видов повреждений...».
Готовых вариантов решения этой проблемы в то время не существовало. Энергетические компании, действующие за пределами России, её не ощущали ввиду практического отсутствия замыканий на землю на своих объектах. Тому способствовало использование ими добротно изготовленного оборудования и высокое качество монтажа вторичной коммутации, что является недостижимым у нас и в настоящее время.
Вариантом решения проблемы был выбран поиск и разработка новых устройств, способных определить фидер с пониженной изоляцией без его отключения. При этом, основное внимание было уделено разработке двух типов устройств:
стационарным устройствам автоматического поиска фидера с замыканием на землю (АПЗЗ);
переносным устройствам поиска места замыкания на землю (ППЗЗ).
В качестве первого типа вышеназванных устройств в Мосэнерго было выбрано устройство «Сапфир», уже выпускаемое фирмой «Белэнергоремонтналадка». На первых подстанциях нового поколения ФСК ЕЭС таким устройством становится «BENDER» (ПС 750 кВ «Череповецкая», ПС 500 кВ «Беркут»). Хотя все эти устройства оказались весьма несовершенными (об этом мы поговорим чуть ниже), их последующие аналоги уже дока- зали свою правомерность. К ним на сегодня можно отнести Микро СРЗ, ЭКРА СКИ и другие.
Устройства второго типа были разработаны задолго до появления МП защит и рассматривались, как альтернатива методу с отверточной разборкой схемы. Изначально они не предназначались для поиска индивидуальных автоматических выключателей (АВ) или предохранителей (Пр), за которыми произошло замыкание на землю. Это действие, выполнялось их поочередным отключением и возлагалось на оперативный персонал, что и было закреплено параграфом 5.2 инструкции [2]. Появление МП защит исключило возможность этого действия. Взамен ему проектными организациями был предложен метод поиска АВ или Пр при помощи ППЗЗ, требующий от исполнителя знание схем вторичной коммутации. Тем самым была нарушена логика вышеупомянутой инструкции [2], предписывающей выявление АВ или Пр оперативным персоналом, в обязанность которого не входит знание этих схем. Итогом «полета мысли» проектных организаций в этом вопросе оказалась необходимость привлечения персонала служб РЗА в любое время дня и ночи для принятия оперативным персоналом верного решения.
Что можно предложить для решения этой проблемы? То, что уже предлагалось, но не получило широкого распространения. То, что уже было прописано в старых руководящих указаниях [2]: поочередный перевод питания устройств на резервную шинку, гальванически изолированную от АБ. В проектах для «Росэнергоатома» этот метод получил свое естественное продолжение (Нововоронежская АЭС-2, Ленинградская АЭС-1) как традиция. Для ПС ФСК ЕЭС этот метод скорее рассматривался как экзотика и применялся только в исключительных случаях. Впервые он был использован на ПС 500 кВ «Хехцир» [4] и на ПС 500 кВ Московского кольца в 2006 году. Общим в обоих случаях было использование в качестве независимого источника DC/DC преобразователей и отсутствие понимания того, что необходимо применять резервную шинку не только для присоединений 110–500 кВ, но и для КРУ 10–20 кВ. Различия заключались в устройствах перевода питания на резервную шинку:
в первом случае для этого использовался гибкий провод со штекерами для их подключения к клеммам питания после АВ [4];
во втором – ключи, установленные в цепи питания после АВ.
Недостатками этих схем были:
в первом случае–повышение вероятности неправильных действий оперативного персонала и необходимость использования для этой операции двух человек (один подключает штекеры, второй отключает АВ);
во втором (конкретно для ПС Московского кольца) – неправильный выбор типа ключей (время переключения могло превысить 50 мс) и усложнение схемы ШАВ.
На что еще хотелось бы обратить внимание при проектировании этих устройств: чуть выше уже упоминалось, что поиск при помощи резервной шинки проектировщики до настоящего времени предлагали только для радиальных схем, в которых все АВ сконцентрированы в специальных шкафах ШАВ (или ШРОТ, если кому-то это название кажется более точным). Использование этого метода для кольцевых схем (КРУ, КРУЭ) не предусматривалось. Если для КРУЭ это можно объяснить отсутствием в его ячейках МП-защит, то для КРУ причиной тому является только несогласованность в выдаче технических требований на ячейки КРУ и СОПТ.
Рис.1
Теперь вернемся к устройствам АПЗЗ. Чувствительность первых таких устройств была тем ниже, чем выше была емкость контролируемой ими сети. При емкости сети 8 мкФ их чувствительность позволяла обнаружить только металлическое замыкание на землю. При емкости сети 15–20 мкФ (средняя емкость вторичной коммутации на ПС ФСК ЕЭС) они оказались практически непригодными. Второй недостаток – это их несовместимость с ранее существовавшим устройством сигнализации замыканий на землю – мостовая схема с низкоомными резисторами и реле РН-51 (рис. 1а). Эта проблема была решена просто, но неверно: устройство сигнализации было исключено из схемы. Неправильность этого решения связано с тем, что, помимо сигнализации, на это устройство возлагалась и функция выравнивания напряжения полюсов относительно земли – формирование нейтрали сопротивлениями 31 кОм (рис. 1б). Параметры этой схемы были выбраны из условий несрабатывания промежуточных реле (Uср = 0,6–0,7Uном) при замыкании на землю в цепи катушки реле, если сопротивление изоляции положительного полюса при этом составляло 40 кОм (уставка предупредительной сигнализации). Для дискретных входов (при тех же режимах) схема обеспечивает их несрабатывание при снижении сопротивления изоляции до 60 кОм. При отказе от использования функции формирования нейтрали мы получаем гарантированное ложное срабатывание уже при снижении изоляции на (+) до 150 кОм (Uср = 0,6–0,7Uном). Следовательно, при любой замене традиционного контроля изоляции на что-то иное обязательно надо учитывать необходимость функции формирования нейтрали. Ни «Сапфир», ни BENDER не имеют этой функции и не могут работать с внешним блоком формирования нейтрали (БФН). С правовой точки зрения отсутствие устройств, выполняющих функцию БФН, есть нарушение нормативных документов. Новое поколение устройств АПЗЗ лишено этих недостатков.
Учитывая всё вышесказанное, можно предложить следующие требования к комплексу технических устройств, предназначенных для снижения последствий замыканий на землю и поиска места повреждения изоляции (рис. 2).
Рис.2. Схема комплекса устройств снижения последствий замыканий на землю и поиска места повреждения изоляции.
2 Формирование нейтрали СОПТ, контроль изоляции и поиск места замыкания на землю.
2.1. В цепях, имеющих гальваническую связь с АБ, для ограничения последствий замыкания на землю и сокращения времени его поиска на ПС необходимо иметь следующие устройства:
Блок формирования нейтрали (БФН);
Устройство контроля изоляции полюсов (УКИ) с функциями:
- замер величины сопротивления изоляции каждого полюса;
- сигнализация о снижении сопротивления изоляции до заданных уставок (предупредительная и аварийная);
- замер напряжений полюсов АБ относительно земли;
Устройство автоматического поиска замыкания на землю (АПЗЗ) на фидере, отходящем от ЩПТ;
УКИ и АПЗЗ должны работать без отключения БФН или иметь его в своем составе;
Шинка резервного питания (ЕА) и стационарные коммутационные аппараты, предназначенные для перевода на неё потребителей постоянного тока;
Переносное устройство поиска замыкания на землю (ППЗЗ);
Шлейфы регистратора аварийных событий (РАС), включенные на напряжение каждого полюса АБ относительно земли.
2.2. В цепях постоянного тока, работающих под номинальным напряжением СОПТ и не имеющих гальванической связи с АБ, должны быть установлены следующие устройства:
УКИ с функциями:
БФН;
сигнализация о снижении сопротивления изоляции шинок питания до уставки предупредительного сигнала;
замер напряжений шинок питания относительно земли.
Шлейфы РАС, включенные на напряжение шинок питания относительно земли.
Поиск замыканий на землю в этих цепях должен осуществляться методом кратковременного последовательного отключения всех автоматических выключателей.
2.3. Каждая гальванически изолированная часть СОПТ, работающая под её номинальным напряжением, должна иметь собственное УКИ.
2.4. В цепях питания устройств мониторинга СОПТ (напряжением 24–48 В) никакие устройства, предусмотренные пунктами 2.1 и 2.2, устанавливать не требуется.
2.5. БФН является устройством, симметрично шунтирующим полюса АБ относительно земли сопротивлениями не более 30 кОм. БФН предназначен для уменьшения перекоса напряжений полюсов постоянного тока СОПТ относительно земли. Функция БФН может быть заложена как в отдельное устройство, так и в УКИ или в АПЗЗ. Не допускается нахождение в работе одновременно двух и более БФН для цепей, гальванически связанных с одной АБ.
2.6. УКИ с функцией замера величины сопротивления изоляции должно обеспечивать её замер по каждому полюсу в отдельности в диапазоне от 1 до 1000 кОм при величине суммарной емкости сети в диапазоне от 1 до 200 мкФ. Точность замеров сопротивления изоляции не должна зависеть от емкости сети. УКИ обязательно должно выполнять свои функции при включенном БФН. Работа УКИ не должна создавать перекос напряжения по полюсам более 50 В и увеличение напряжения «минуса» относительно земли более 140 В. Величина тока, инжектируемого УКИ в сеть, не должна быть более 1,5 мА. Устройство должно иметь не менее 2 уставок сигнализации при снижении сопротивления изоляции с диапазоном регулирования от 20 до 100 кОм.
2.7. УКИ с функцией сигнализации «снижение изоляции» должно иметь одну уставку 60 кОм.
2.8. Поиск места замыкания на землю должен быть трехуровневым:
Первый уровень: определяются фидеры с пониженной изоляцией, отходящие от ЩПТ к конкретному ШАВ, или к секции КРУ, или к КРУЭ, или к конкретному устройству. Поиск осуществляется АПЗЗ, установленным на ЩПТ;
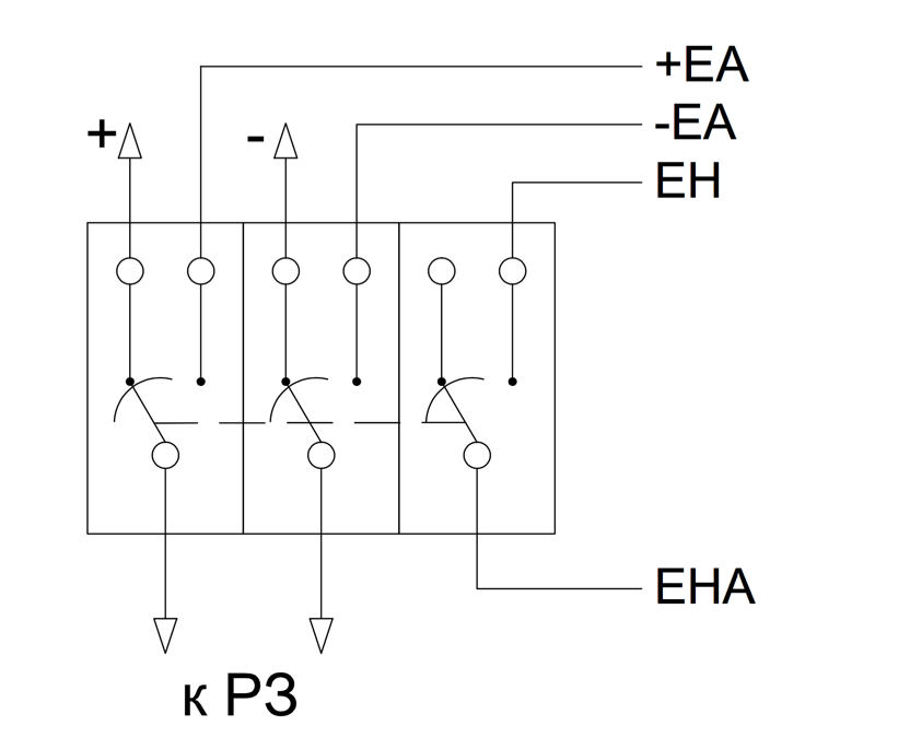
Второй уровень: определяется автоматический выключатель в ШАВ, или в КРУ, или в КРУЭ, за которым произошло замыкание на землю в цепи питания конкретного устройства. Для ШАВ и КРУ поиск осуществляется переводом всех фидеров (без перерыва в их питании) на шинку ЕА при помощи стационарных устройств (рис. 3). В КРУЭ поиск ведется методом поочередного кратковременного отключения АВ;
Третий уровень: определяется точка замыкания на землю. Поиск осуществляется устройством ППЗЗ.
Рис.3. Блок клемм для перевода на шинку EA.
2.9. На первом и втором уровнях поиск замыкания на землю должен выполняться оперативным персоналом.
2.10. На третьем уровне поиск замыкания на землю осуществляется персоналом служб РЗА.
2.11. АПЗЗ первого уровня должно обладать следующими характеристиками:
Иметьфункцииавтоматического (при достижении заданной уставки УКИ) и ручного запуска поиска фидера с пониженной изоляцией;
Выполнять свои функции при включенном БФН или иметь его в своем составе;
Иметь функцию замера величины сопротивления изоляции разных фидеров и сигнализацию о её снижении ниже заданного уровня;
Определять поврежденные фидеры при многоточечных утечках тока на землю;
Устойчиво работать без снижения чувствительности при емкости сети в диапазоне от 0 до 200 мкФ;
Поддерживать логику параллельной работы при выводе в ремонт одной из АБ;
Иметь сигнализацию об объединении одноименных полюсов разных фидеров;
Иметь самодиагностику датчиков тока присоединений;
Интегрироваться в общую систему мониторинга СОПТ;
Не должно влиять на работу потребителей постоянного тока;
Не должно создавать перекос напряжения по полюсам более 50 В и увеличение напряжения «минуса» относительно земли более 140 В;
Не должно инжектировать в сеть ток величиной более 1,5 мА.
2.12. В случае объединения в одном устройстве функций УКИ, АПЗЗ и БФН требуется установка резервного УКИ с функцией БФН. Одновременно допускается подключение к шинам АБ только одного БФН.
2.13. Второй уровень поиска места замыканий на землю должен быть организован во всех местах установки индивидуальных автоматических выключателей (ШАВ, КРУ), от которых выполнено питание микропроцессорных терминалов РЗА, ПА,АУВ.
2.14. Для организации второго уровня поиска места замыканий на землю необходимы:
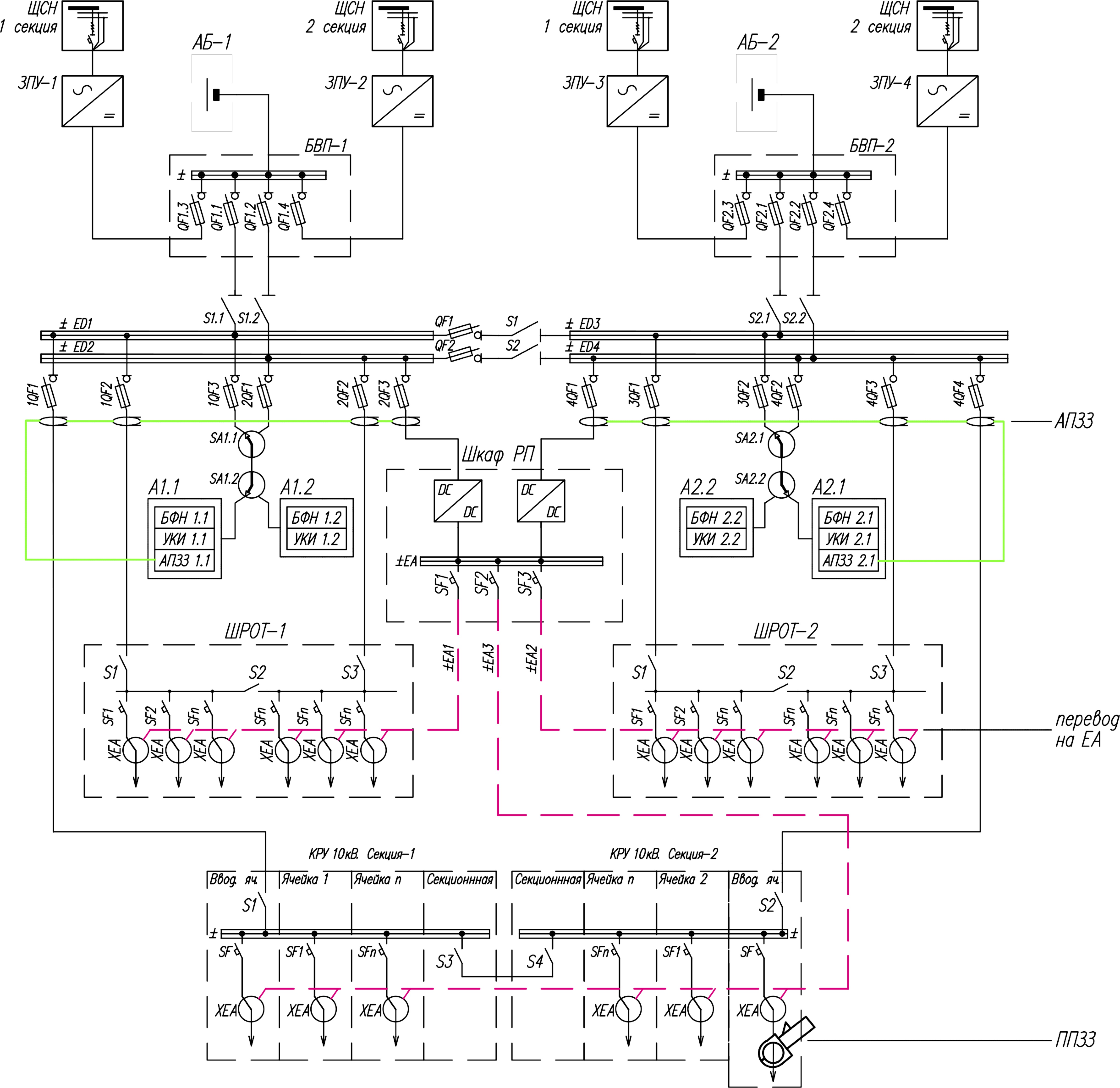
Один общий для всех присоединений блок формирования шинки ЕА, который должен состоять из:
- двух DC/DC преобразователей с гальванической развязкой входных и выходных цепей. Каждый преобразователь питается от шин ЩПТ своей АБ. Мощность одного преобразователя выбирается с учетом питания самого мощного потребителя постоянного тока с 20% запасом. Преобразователь должен иметь внутреннюю защиту от внешних КЗ, селективную с электромагнитной отсечкой внешних автоматических выключателей;
- УКИ с функцией сигнализации о снижении сопротивления изоляции до величины 60 кОм;
- защиты минимального напряжения с действием на независимые расцепители автоматических выключателей, включенных на входе DC/DC преобразователей;
- АВ с независимыми расцепителями на входе каждого блока DC/DC преобразователей;
Общая шинка ЕА, на которую подключены через разъединители и диоды от обратного тока выходы DC/DC преобразователей.
Автоматические выключатели с электромагнитными расцепителями для питания шинок резервного питания ЕА1, ЕА2 и ЕА3.
Общая для всей ПС сеть резервных шинок ЕА1, ЕА2 и ЕА3.
Для каждой АБ – сеть шинок сигнализации о замыкании на землю в её цепях (ЕН1АБ и ЕН2АБ).
Общая для всей ПС шинка сигнализации о замыкании на землю в цепях ЕА – (ЕН ЕА).
Общая для всей ПС шинка сигнализации «На шинку ЕА переведено присоединение» – EHA.
Оборудование ШАВи ячеек КРУ, которое должно состоять из:
- коммутационных аппаратов, позволяющих перевести каждое присоединение шкафа на шинку ЕАбез потери его питания (набор из 3 клемм, каждая из которых состоит из одного выхода и двух входов, имеющих между собой соединительный мостик. Набор должен иметь общий для всех трех клемм поводок для переключающих мостиков (рис. 3). К этим аппаратам и месту их установки должны предъявляться следующие требования:
должны быть включены за автоматическим выключателем;
не должны снижать уровень надежности питания потребителей постоянного тока (например, из-за установки их на двери шкафа);
должны быть установлены в зоне обслуживания оперативного персонала;
должны исключать возможность для оперативного персонала переключиться на шинку ЕА с обратной полярностью или с перерывом в питании;
должны размещаться идентично для всех присоединений.
- визуальной сигнализации:
«земля на ЩПТ 1(2)»;
«земля на ЕА»;
«На шинку ЕА переведено присоединение».
2.15. Шинка ЕА, помимо поиска замыкания на землю, должна использоваться для выделения на изолированную работу отдельного устройства, в цепях которого обнаружено замыкание на землю.
Рис.4. Общий вид.
2.16. Автоматические выключатели, через которые проходят цепи к блокам питания микропроцессорных устройств РЗА, ПА или АУВ, должны быть помечены красной точкой, предупреждающей оперативный персонал о том, что их кратковременное отключение приведет к длительной потере этих устройств. Для всех остальных выключателей, не помеченных красной точкой, допускается их кратковременное отключение для поиска замыкания на землю.
2.17. В технические требования на КРУ должны входить пункты по организации второго уровня поиска места замыкания на землю.
2.18. Не допускается использовать для перевода на резервное питание или для поиска места замыкания на землю коммутационные аппараты, установленные вне ЩПТ, к которым подведены цепи одновременно от двух АБ.
2.19. На третьем уровне, для поиска конкретного места снижения сопротивления изоляции, на каждой ПС необходимо иметь ППЗЗ, работа которого должна быть согласована с работой АПЗЗ.
2.20. Для фиксации момента и характера повреждения изоляции, СОПТ должна быть оборудована блоками РАС, шлейфы которых включены на напряжение шинок питания относительно земли. Не допускается использовать для этих целей шлейфы РАС с внутренним сопротивлением менее 1 МОм и более одного шлейфа на один полюс. Рекомендуется подключать к блоку РАС: «плюс относительно земли» – для одной секции ЩПТ и «минус относительно земли» – для другой секции .
Литература
1. Алимов Ю. Н., Галкин И. А., Шаварин Н. И.Особенности контроля изоляции в цепях оперативного постоянного тока 220 В // Энергоэксперт. 2011. No3.
2. Типовая инструкция по предотвращению и ликвидации аварий в электрической части энергосистем. РД 34.20.561‐ 92. ОРГРЭС, Москва, 1992 г.
3. Приказ РАО «ЕЭС России» от 26.09.2005 No644 «О введении в действие стандарта «Правила предотвращения развития и ликвидации нарушений нормального режима электрической части энергосистем». 6.5.2 Отыскание замыканий на землю в сети постоянного тока электростанций и подстанций.
4. Шеметов А. С. Метод поиска замыканий на землю в системе оперативного постоянного тока, апробированный на подстанции 500 кВ «Хехцир» // Энергоэксперт. 2014. No 5.
Читать предыдущие статьи: