Причина проста: термин существует, им активно пользуются, но целостная картина этого понятия, как СИСТЕМЫ весьма размыта. Что касается её формулировки, то с моей точки зрения, она просто отсутствует. С этого и начнем. Подчеркиваю, что акцент будет сделан на понятии СИСТЕМА. Надеюсь, что формат статьи позволит получить максимум конструктивных замечаний по этой весьма спорной и противоречивой теме. Формулировки СОПТ Для начала рассмотрим формулировки, которые даны в отраслевых официальных документах. Они приведены в таблице 1. Таблица 1 — Формулировки СОПТ
Документ Формулировка Комментарии
ОАО «ФСК ЕЭС» НТП. Приказ №136 от 13.04.2009 Система ОПТ должна интегрировать в единое целое: а) источники питания в виде аккумуляторных батарей (АБ) и зарядных устройств (ЗУ), работающих в режиме постоянного подзаряда; б) приемно-распределительные щиты постоянного тока (ЩПТ) по числу АБ; в) кабели вторичной коммутации; г) потребители постоянного тока (ППТ), в том числе: - устройства релейной защиты и автоматики; - цепи управления высоковольтными аппаратами; - устройства противоаварийной автоматики; - АСУ ТП и ТМ (резерв); - аварийное освещение; - устройства связи (резерв) Как таковая, формулировка отсутствует. Есть одно из требований к СОПТ, причем не полное и носящее частный характер. В одном понятии совмещены и элементы СОПТ и потребители. В документе совершенно не учтены принципы построения РЗА, без рассмотрения которых невозможно оптимально построить СОПТ.    
ОАО «ФСК ЕЭС». Технические требования. СТО 56947007-29.120.40.041-2010 электроустановка, обеспечивающая питание электроприемников постоянного тока Под эту  формулировку подходят отдельные компоненты, но ни в коем случаи не система.
ОАО «МРСК Центра». Техническая политика 2010 СОПТ должна интегрировать в единое целое: - источники питания в виде АБ и зарядно-подзарядных устройств (ЗПУ), работающих в режиме постоянного подзаряда; - приемно-распределительные щиты постоянного тока (ЩПТ) по числу АБ; - потребители постоянного тока (ППТ), в том числе: устройства РЗА, цепи управления высоковольтными аппаратами, устройства ПА, АСУ ТП, устройства аварийного освещения, другие потребители, кабели вторичной коммутации   Повторяет формулировку ОАО «ФСК ЕЭС» НТП Приказ №136 от 13.04.2009 г.
ОАО «Россети». Положение о единой технической политике 2013 ... все элементы СОПТ интегрируются в единую систему с обеспечением соответствующей надежности Формулировка отсутствует. Косвенные  упоминания не учитывают особенности построения системы РЗА и взаимосвязи с ней
Выводы в целом Ни в одном из принятых документов понятие «система» не раскрывается,  не рассматривается  с учетом особенностей построения систем релейной защиты, с учетом взаимосвязей с оперативным переменным током
Далее, попробуем получить разъяснение в Международном электротехническом словаре — см. таблицу 2: Таблица 2 — Международный электротехнический словарь. Термины и определения  ГОСТ IEC 60050
Часть Формулировка Комментарии
Часть 826. Установки электрические. Термины и определения. ГОСТ IEC 60050-826-2009. Москва. 2010   826-10-01 электрическая установка (electrical installation): Совокупность взаимосвязанного электрического оборудования, имеющего согласованные характеристики и предназначенного для определенной цели. 826-10-04 система электрического питания для систем безопасности (electric supply system for safety services) Система питания, предназначенная для поддержания работы электрического оборудования электрических установок, необходимых: - для обеспечения здоровья и безопасности людей и (или) животных. - для предотвращения нанесения ущерба окружающей среды и другому оборудованию в соответствии с национальными правилами   Есть отдельные термины – что такое установка, что такое  электрическая установка, что такое система и что такое система электрического питания. Нет конкретной формулировки СОПТ  
Часть 151. Электрические и магнитные устройства. ГОСТ IEC 60050-151-2014 г. Москва. 2015   151-11-03 электрический (electric): Содержащий, производящий электричество, проистекающий от электричества или приводимый в действие электричеством. 151-11-26 установка (installation): Отдельный аппарат или совокупность устройств и (или) аппаратов, объединенных в данном месте, чтобы выполнять определенные цели, включая все средства для обеспечения их удовлетворительного оперирования. 151-11-27 система (system): Ряд взаимосвязанных элементов, рассматриваемых в определенном контексте как единое целое и выделенное из их окружения. П р и м е ч а н и я 1. Систему обычно определяют для достижения заданной цели, например, при выполнении определенной функции. … 3. Система рассматривается отделенной от окружения и других внешних систем воображаемой поверхностью, которая отсекает связи между ними и системой. 4. Термин «система» следует уточнять, когда из контекста не ясно, к чему он относится, например, система управления, колориметрическая система, система единиц, передающая система.  
И наконец посмотрим, что про СОПТ говорится в ПТЭ и ПУЭ: в настоящее время, такой термин в этих правилах отсутствует. Самым близким в них  по смыслу к СОПТ понятием можно считать понятие «аккумуляторная установка». И так мы убедились, что формулировка термина СОПТ, как СИСТЕМЫ отсутствует.

Возникновение термина СОПТ

Рассмотрим откуда этот термин появился, и почему и в настоящее время существует его неопределенность. Еще до внедрения микропроцессорных защит были разработаны проектные решения, распределяющие все комплекты защит одного присоединения (110 кВ и выше) на два комплекса с действием на два электромагнита отключения. Эти решения потребовали разработки определенных правил подключения этих устройств к сети питания оперативным током. Эти правила впервые были описаны лишь в 90-х годах прошлого века в методических указаниях, разработанных ведущим инженером ОАО Институт «Энергосетьпроект» Юлием Георгиевичем Айрапетовым. Именно в его трудах впервые появился и термин СОПТ. Появление микропроцессорной техники добавило к этим правилам свои особенности, окончательно закрепило за «щитом постоянного тока с аккумуляторной установкой» термин - система оперативного постоянного тока. Оставалось только дать классификацию составных частей и описать внутренние и внешние связи. Вот неполный перечень наиболее известных отечественных работ, появившихся за последние 10 лет и имеющих попытку формализовать и упорядочить знания по СОПТ для энергообъектов:
  • Нормы технологического проектирования для ПС 35 - 750 кВ. ОАО «ФСК ЕЭС», 2009 г. (3) (вторая редакция);
  • СОПТ. Технические требования. ОАО «ФСК ЕЭС», 2010 г. (4);
  • СОПТ. Технические требования, типовые технические решения. ПАО «РусГидро», 2013 г. (6);
  • СОПТ блока с выполнением расчетов, учитывающих емкость кабелей вторичной коммутации (ВК) на «землю» Типовой технический проект. ОАО «Концерн Росэнергоатом», 2014 г. (7);
  • Положение о Единой технической политике в электросетевом комплексе ОАО «Россети», 2013 г. (8).
Издан ряд статей на эту тему (9, 10, 11...), их краткий перечень по данной тематике дан в списке литературы в конце статьи. Все эти документы рассматривают понятие СОПТ либо как электроустановку, либо как набор компонентов, не анализируя их сути, не раскрывая их взаимосвязей и связей с другими системами (РЗА, управления, блокировок), которые устанавливаются на подстанции или станции.

Опыт и СОТ

Период с 1995 г. по сегодняшний день, можно считать временем накопления опыта. Опыта накопилось достаточно для того, чтобы в настоящий момент предпринять очередную попытку анализа и обобщения полученных материалов и описать СОПТ именно как систему. При этом имеет смысл рассмотреть его в контексте более широкого понятия, включающего в себя так же цепи и устройства переменного оперативного тока, и рассматривать уже все как систему оперативного тока (СОТ). Итак, что же превращает «электроустановку» (4) в систему? Системой оперативного постоянного тока (СОПТ) называется совокупность преобразовательных, накопительных и распределительных устройств электрической энергии, которые объединены общей задачей: обеспечить питание постоянным оперативным током все подключенные к ним устройства вторичной коммутации, как в нормальном режиме, так и в течение заданного времени при исчезновении напряжения на шинах собственных нужд. СОПТ не может рассматриваться, как отдельная система, а только в составе СОТ и в совокупности с системами релейной защиты, управления и с учетом их особенностей. Системой оперативного тока (СОТ) называется совокупность источников электрического тока, а также преобразовательных, накопительных и распределительных устройств электрической энергии, которые объединены общей задачей: обеспечить питание собственных нужд энергообъекта постоянным или переменным током. Составной частью СОТ является СОПТ. Централизованная СОПТ – система, где все устройства вторичной коммутации имеют питание от общего комплект преобразователей и накопителей. Децентрализованная СОПТ - система, в которой каждое присоединение или терминал имеют в схеме питания индивидуальные накопители. Анализ СОПТ и СОТ Закончив с формулировками систем, проанализируем их по следующим темам:
  1. Принципы построения РЗА, оказывающие максимальное влияние на конфигурацию СОПТ;
  2. Состав приемников оперативного тока, их классификация с точки зрения требований надежности;
  3. Состав источников оперативного тока, их классификация и основные характеристики с точки зрения надежности;
  4. Режимы работы оборудования энергообъекта;
  5. Составные части СОТ;
  6. Анализ составных частей СОТ с точки зрения их влияния на её надежность;
  7. Классификация типов объектов электроэнергетики (подстанций и станций) с точки зрения различий при проектировании питания их цепей и устройств;
  8. Варианты схем СОТ для каждого типа объектов;
  9. Централизованная и децентрализованная СОПТ;
  10. Перечень вопросов, требующих своего решения для продолжения совершенствования СОТ.

Принципы построения РЗА, оказывающие максимальное влияние на конфигурацию СОПТ

Устройства РЗА являются основными элементами, ради которых проектируется и создается СОПТ. Это связано с тем, что из всех потребителей оперативного тока устройства РЗА являются теми устройствами, к которым предъявляются максимально высокие требования по надежности. Их отказ ведет к повреждению дорогостоящего первичного оборудования, а неправильное, излишнее действие к ущербу от недоотпуска электроэнергии. Одним из основных мероприятий, повышающих надежность РЗА и управления, является использование и совершенствование принципа ближнего и дальнего резервирования. Применительно к СОПТ интерес представляет принцип ближнего резервирования, так как в этом случае рассматриваются устройства, установленные на одном объекте. Принцип ближнего резервирования включает в себя следующие требования:
  • защита одного элемента первичной сети двумя и более устройствами (комплектами) РЗ;
  • использование для защиты элемента первичной сети устройств, построенных на разных принципах и по возможности разных производителей;
  • использование для взаимно резервирующих защит по возможности разных источников измеряемого тока и напряжения, источников оперативного тока, различных трасс прокладки кабелей – длинномеров, разных электромагнитов отключения;
  • организацию работы двух комплектов РЗ по возможности менее взаимозависимой.
В результате совершенствования принципа ближнего резервирования, в настоящее время, фактически, мы имеем на одном объекте два независимых комплекса устройств вторичной коммутации, включающих каждый свой комплект РЗ от всех видов повреждений, свой керн ТТ и свой ТН (или свою систему шинок ТН), свою АБ (или свою секцию ЩПТ), свой шкаф с автоматическими выключателями, свою кабельную трассу от РЩ к выключателю, свой электромагнит отключения. Конечно, глубина ближнего резервирования зависит от класса энергообъекта, но в любом случае при построении СОТ требуется организация двух каналов питания с максимальной для данного класса подстанции независимостью.

К каким выводам и практическим решениям приводит учет принципа ближнего резервирования?

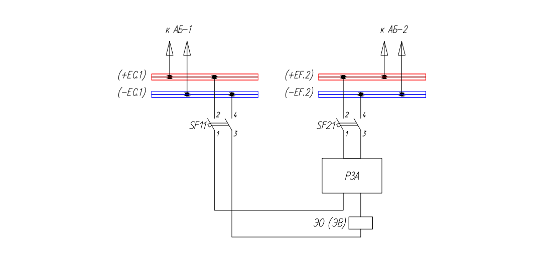
Вывод таков: исключить (во взаимно резервируемых комплексах РЗАУ) цепи и устройства, отказ которых ведет к потере работоспособности одновременно обоих комплексов. Например, исключить установку множества индивидуальных ключей выбора питания устройств, имеющих полноценный аппаратный резерв, потому что это не повышает надежность, как многие думают, а наоборот ее снижает (рис 1.).
Рис. 1 СОПТ
Рис. 1. Установка множества индивидуальных ключей выбора питания устройств
Вероятное КЗ в этих ключах, имеющих электрическую связь и с первой, и со второй аккумуляторными батареями, ведет к возмущению одновременно на каждой из них. Потеря на короткое время (около суток) одного из комплектов защит при наличии полноценного второго комплекта является меньшим злом, чем возмущение одновременно на двух источниках питания с непредсказуемым результатом. А вариант установки защитного устройства за ключом (в целях экономии, что часто приходится встречать в исполнительных схемах) является грубым нарушением правил проектирования (рис. 2).
Рис. 2 СОПТ
Рис.2. Установка защитного устройства за ключом
В тех случаях, когда устройство не имеет аппаратного резерва и существует необходимость иметь для него два питания, второе должно быть организовано либо через второй собственный блок питания, либо от резервной шинки (рис. 3).
Рис. 3 СОПТ
Рис. 3. Схема при отсутствии аппаратного резерва
Исходя из вышеизложенного, можно сформулировать первый принцип построения СОПТ: питание взаимно резервирующих друг друга устройств, должно быть максимально взаимно независимым. Рассмотрим следующий характерный пример скрытой ошибки проектирования питания РЗА. Она связана с непониманием того, что деление на «чистую» и «грязную» зоны не должно перекрещиваться с делением на первый и второй комплекты. На рисунке 4а показано неправильное подключение.  В этом случае части одного комплекта оказываются подключенными к разным АБ. При этом вероятность отказа защиты увеличивается в два раза, так как потеря любого из двух источников питания дает одинаковый результат – отказ защиты.
Рис. 4 а СОПТ
Рис.4а. Неправильное подключение АБ
Правильным будет следующее подключение цепей питания: «чистая зона» и выходные цепи, «грязная зона» и одно устройство РЗА к одной АБ (рис. 4б).
Рис. 4 б СОПТ
Рис. 4б. Правильное подключение АБ
Из рассмотренного случая вытекает второй принцип построения СОПТ: выходные цепи и цепи питания одного терминала должны иметь общий источник питания. Из приведенных примеров следует, что незнание принципов построения релейной защиты не позволяет правильно спроектировать ее систему питания.

Состав потребителей оперативного тока, их классификация с точки зрения требований надежности

Каждый тип вторичных устройств имеет свой уровень надежности, который достигает максимального значения у РЗА. Объединение цепей питания РЗА с цепями питания других устройств (с более низкой надежностью) снизит надежность РЗА пропорционально количеству этих устройств и качеству их исполнения, что является недопустимым. Например, особенно сильно снижается надежность РЗА при объединении её цепей с цепями оперативной блокировки разъединителей и силовыми цепями приводов высоковольтных аппаратов. Для питания устройств, надежность которых допускает некоторые перерывы в питании, целесообразно использовать менее дорогостоящие источники питания, чем для устройств РЗА и У. Рассмотрим, как этот вопрос в настоящее время решается в существующих нормативных документах. Таблица 3 - Состав потребителей оперативного тока
Документ Формулировка Выводы
ОАО «ФСК ЕЭС». НТП Приказ №136 от 13.04.2009 -потребители постоянного тока (ППТ), в том числе: - устройства релейной защиты и автоматики; - цепи управления высоковольтными аппаратами; - устройства противоаварийной автоматики; - АСУ ТП и ТМ (резерв); - аварийное освещение; - устройства связи (резерв). Отсутствует деление потребителей на категории по уровням надежности.
ОАО «ФСК ЕЭС». Технические требования. СТО 56947007-29.120.40.041-2010 Нет  
ОАО «МРСК Центра». Техническая политика 2010 Нет  
ОАО «Россети». Положение о единой технической политики Нет  
Выводы в целом Отсутствует деление потребителей на категории по уровням надежности. Это ведет к завышению требований по питанию для клиентов того не требующих или к удорожанию СОПТ
При этом все электроприемники СОТ можно разделить на следующие категории по требованию к надежности их питания: А. Автоматические устройства, потеря питания которых может привести к повреждению первичного оборудования или к человеческим жертвам (РЗ, ПА, АУВ, ТО и ТС, АПЖТ). Данная категория имеет следующие подкатегории: А1. не допускающие потерю питания на время более 50 мс (блоки питания МПЗ); А2. допускающие потерю питания только при кратковременном отключении для поиска земли (электромеханические и микроэлектронные устройства). В. Автоматизированные устройства, потеря питания которых ведет к увеличению времени ликвидаций аварии (АСУ ТП, ССПТИ, сигнализация, БАО и т.п.). Данная категория имеет следующие подкатегории: В1. Устройства, имеющие собственную высокую надежность (размещенные в помещениях); В2. Устройства, с пониженной надежностью (ВПС, ССПТИ). С. Устройства способные при потере питания выполнить либо ограниченное количество циклов действия, либо имеющие альтернативное управление. Данная категория имеет следующие подкатегории: С1. Цепи оперативной блокировки и управления разъединителями; С2. Устройства, имеющие собственные накопители энергии (привода выключателей, оперативная связь, охранная и пожарная сигнализация); С3. Устройства, имеющие резервное ручное управление (привода разъединителей). D. Устройства имеющие высокую инерцию изменения состояния при потере питания (обогрев); Е. Устройства, мощность которых можно значительно уменьшить в аварийном режиме (освещение и т.п.). Представленные категории расположены в порядке уменьшения требования к надежности их питания. Ниже дан перечень электроприемников СОТ с распределением их по предложенным категориям (таблица 4). Таблица 4 - Перечень электроприемников СОТ с распределением их по категориям надежности
Категория Подкатегория Тип устройства Сокращенное наименование
А А1 Блоки питания микропроцессорных терминалов Релейной Защиты и Автоматики, Противоаварийной Автоматики, Автоматики Управления Выключателем, Устройств связи, обеспечивающих передачу сигналов и команд РЗА Теле Отключения и Теле Управления РЗА, ПА, АУВ, ТО и ТУ
А2 Входные и выходные цепи Релейной Защиты и Автоматики в-РЗА
А2 Входные и выходные цепи Противоаварийной Автоматики в-ПА
А2 Входные и выходные цепи Автоматики Управления Выключателем в-АУВ
А2 Входные и выходные цепи стройств связи, обеспечивающих передачу сигналов и команд РЗА Теле Отключения и Теле управления в-ТО и ТУ
В В1 Сервера АСУ ТП (верхний уровень) АСУ ТП в-у
В1 Коммуникаторы АСУ ТП (средний уровень) АСУ ТП с-у
В2 Устройства нижнего уровня АСУ ТП АСУ ТП н-у
В2 Устройства Вспомогательного Питания и Сигнализации (цепи объединяющие входные цепи нижнего уровня АСУ ТП, сигнализации присоединения и блокировки разъединителей (только для микропроцессорной ОБР) ВПС
В2 Устройств Центральной Сигнализации ЦС
B2 Устройства телемеханики ССПТИ
В2 Блоки Аварийного Освещения БАО
В1 Автоматика пожаротушения АПЖТ
В2 Периферийные цепи АПЖТ в-АПЖТ
В2 Пожарные насосы н-ПЖТ
В2 Привода задвижек пожаротушения з-ПЖТ
С C1 Цепи оперативной блокировки и управления разъединителей (только для ПС на электромеханике) ОБР
С2 Охранная и пожарная сигнализация
С2 Привода высоковольтных выключателей
С2 Привода автоматических вводных и секционных выключателей 0,4 кВ ЩСН
С2 Устройства оперативной связи
С3 Привода РПН трансформаторов и автотрансформаторов РПН
C3 Привода высоковольтных разъединителей
D Цепи обогрева
E Освещение
E Бытовая нагрузка
Заключение по первой части Так как излагаемый материал содержит значительную часть ранее не рассматриваемого материала, предлагается критиковать его нещадно, но конструктивно. Результатом этой полемики должна быть вторая редакция с указанием всех отличившихся авторов. Конечной целью этого материала должны быть новые более совершенные требования к СОПТ, как источник для новых разработок. Литература
  1. Правила устройства электроустановок (издание шестое, «Энергоатомиздат», 1986 г., Москва, Раздел 4).
  2. СО 153-34.20.501-2003. Правила технической эксплуатации электрических станций и сетей Российской Федерации.
  3. СТО 56947007-29.240.10.028-2009 Нормы технологического проектирования подстанций переменного тока с высшим напряжением 35-750 кВ (НТП ПС) ОАО «ФСК ЕЭС».
  4. СТО 56947007-29.120.40.041-2010 Системы оперативного постоянного тока подстанций. Технические требования. ОАО «ФСК ЕЭС».
  5. СТО 56947007-29.120.40.093-2011 Руководство по проектированию систем оперативного постоянного тока (СОПТ) ПС ЕНЭС Типовые проектные решения. ОАО «ФСК ЕЭС».
  6. СТО РусГидро 02.02.105-2013 «Гидроэлектростанции. Системы оперативного постоянного тока. Технические требования, типовые технические решения».
  7. ОАО «Концерн Росэнергоатом» Система блочного постоянного оперативного тока с выполнением расчетов, учитывающих емкость кабелей вторичной коммутации на «землю» Типовой технический проект. 2014 г.
  8. Техническая политика ОАО «МРСК Центра» Положение о Единой технической политике в электросетевом комплексе ОАО «Россети» 2013 г.
  9. Балашов В. В., Чо Г. Ч. Распределительная сеть СОПТ. журнал «Энергоэксперт № 6», 2009 г.
Читать продолжение. Вторая статья в цикле «Системы оперативного постоянного тока» посвящена следующей теме: состав источников оперативного тока, их классификация и основные характеристики с точки зрения надежности.