Digital Substation — инженерное издание, посвященное автоматизации IEC 61850, системам релейной защиты и цифровому интеллекту энергосетей.
СОПТ — система оперативного постоянного тока. Часть 2
2016-10-26T14:34:47+03:00
Система оперативного постоянного тока или СОПТ – именно так, чаще всего называют её специалисты. СОПТ - термин и целый раздел любого современного проекта по энергетике.
В первой части статьи был сформулирован перечень тем, рассмотрение которых позволило бы получить ответ на вопрос: что же превращает некую электроустановку в систему оперативного постоянного тока со своей логикой внутренних и внешних связей? Были рассмотрены принципы построения системы РЗА, оказывающие максимальное влияние на эту логику. Рассмотрен состав приемников оперативного тока и дана их классификация. Следуя намеченной программе, рассмотрим следующие ее пункты.
Классификация схем питания оперативным током
Схема питания оперативным током должна обеспечить возможность подключения каждого потребителя к нескольким источникам оперативного тока. От надежности этой схемы зависит общая надежность работы потребителя оперативного тока. Все схемы питания оперативным током можно разделить на следующие категории надежности в порядке ее убывания:
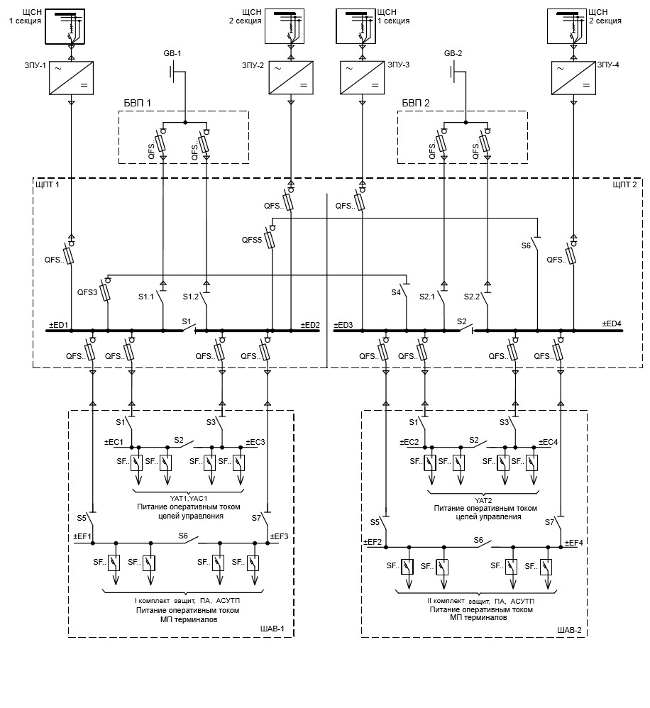
А. Шины ЩПТ, имеющие питание от двух ЗПУ (подключенных к разным секциям собственных нужд) и от аккумуляторной батареи (накопителя электрической энергии). АБ может подключаться как напрямую к шинам ЩПТ (рис. 5 и 6), так и через вольтодобавочное устройство (ВДУ) (рис. 7). При этом должны выполняться следующие условия:
должна сохраняться гальваническая связь АБ с цепями потребителей;
сопротивление ВДУ не должно ограничивать ток КЗ;
надежность ВДУ должна быть не ниже надежности АБ. Снижение надежности в этом случае (ВДУ включено последовательно с АБ) будет компенсироваться повышением надежности, которую даст стабилизация напряжения у потребителя даже при глубоком разряде АБ.
Данная категория имеет следующие подкатегории:
А1. Питание от шин ЩПТ (ED) или от шин ШАВ (EF), к которым подключаются потребители только «чистой» зоны, имеющие самую высокую надежность [1, 2];
А2. Питание от шин ШАВ (ЕС), к которым подключаются потребители только «грязной» зоны, надежность которых снижена тяжелыми условиями эксплуатации.
Рис.5. АБ подключена напрямую к ЩПТ. ЗПУ подключены к ЩПТ через общий с АБ предохранитель. Данный вариант используется тогда, когда величины тока от ЗПУ недостаточно для перегорания собствен- ного предохранителя при КЗ в распределительной сети СОПТ
В. Шины, имеющие гальваническую развязку с АБ и ЗПУ, а также индивидуальные блоки питания. Такое схемное решение значительно снижает вероятность влияния аварийных процессов, происходящих в их цепях, на нормальную работу приемников, подключенных к источникам оперативного тока категории А, или на работу РЗА соседних присоединений.
Данная категория имеет следующие подкатегории:
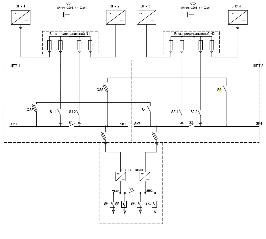
В1. Питание от шин, подключенных к АБ через DC/АСпреобразователь. Данный вариант используется как резервное питание через АВР для задвижек пожаротушения, работающих на переменном оперативном токе от сети собственных нужд.
В2. Питание от шин, подключенных к АБ через DC/DC-преобразователи (рис. 8). Особенностью данной схемы является наличие двух DC/DC-преобразователей, подключенных к разным ЩПТ (к разным секциям одного ЩПТ при наличии только одной АБ) и работающих параллельно. Этот вариант используется:
для устройств, которые требуют высокой надежности питания, но сами вы- сокой надежностью не обладают (цепи ВПС, аварийное освещение);
для организации шины резервного питания.
В3. Питание от шин ИБП. Это устройство имеет в своем составе АБ более низкого напряжения и преобразователь на выходе, доводящий ее напряжение до параметров оперативного тока. ИБП могут рассматриваться как источники питания в распределенной СОТ или как основное питание серверов АСУ ТП.
В4. Комбинированные блоки питания, подключенные к ТТ и ТН. В этой подкатегории отсутствует накопитель электрической энергии. Однако по надежности питания собственных потребителей и по отсутствию влияния на работу других потребителей она сопоставима с подкатегориями схем питания категории В. Применяется для небольших ПС до 35 кВ.
Рис. 6. АБ подключена напрямую к ЩПТ. ЗПУ подключены к ЩПТ через собственные предохранители. Данный вариант применим для ЗПУ: - способных сгенерировать импульс тока, достаточный для перегорания собственного предохранителя при КЗ в распределительной сети СОПТ; - имеющих внутреннюю защиту минимального напряжения.
С. Шины выпрямленного тока (рис. 9). Шины имеют питание от двух выпрями
тельных устройств (ВУ), подключенных к разным секциям ЩСН 0,4 кВ ПС. Выходы ВУ объединены на параллельную работу. Этот вариант применяется для питания потребителей подкатегории С1 (оперативная электромагнитная блокировка разъединителей). Особенностью этого варианта является применение ВУ без стабилизации, которые способны обеспечить достаточный (для срабатывания автоматических выключателей) уровень токов КЗ.
Рис. 7. Питание устройств через ВДУ. Подключение ЗПУ через БВП
D. Шины собственных нужд 0,4 кВ ПС (рис. 10). Шины, объединенные секционным выключателем, имеющие АВР. Этот вариант применяется для питания потребителей категорий С2, С3 и D (приводы высоковольтных выключателей и разъединителей, приводы автоматических выключателей СН и РПН, технологический обогрев, освещение и тому подобное). Представленные категории расположены в порядке уменьшения надежности схем питания в таблице № 5. Учет категорий надежности потребителей и схем питания есть условие необходимое, но недостаточное для выбора правильной конфигурации СОПТ. Определенные требования должны предъявляться и к самим источникам питания (АБ, ЗПУ, ВУ, DC/DC, DC/AC, ИБП и так далее) [3]. Кроме того, следует учитывать особенности выбранных источников оперативного тока. Таковыми являются:
а) способность обеспечить величину токов КЗ, достаточную для селективной работы защитных устройств;
б) способность обеспечивать импульсную нагрузку потребителей (только для тех случаев, когда это требуется).
По пункту «а»:
Для обеспечения надежного отключения КЗ за DC/DC-преобразователем, не имеющим внутренней защиты ми- нимального напряжения, таковую необходимо установить дополнительно. Ее действие должно быть отстроено по времени от действия электромагнитных отсечек автоматических выключателей потребителей и резервировать их.
При выборе ЗПУ, не имеющего своей внутренней защиты при снижении выходного напряжения или не рас- считанного на выдачу кратковременного импульса тока при КЗ, его подключение допускается только за предохранителем АБ (рис. 5).
По пункту «б»:
Схема питания устройств, имеющих большую импульсную нагрузку, может быть выполнена:
с применением индивидуальных накопителей энергии в этих устройствах (гидро-, воздушные или меха- нические аккумуляторы энергии приводов выключателей, конденсаторные накопители);
с применением дополнительных элементов АБ;
с применением вольтодобавочных устройств.
Режимы работы СОПТ
В процессе эксплуатации СОПТ может находиться в одном из трех режимов работы: нормальный, расчетный аварийный, аварийный.
А. Нормальный режим работы СОПТ Основную часть времени СОПТ находится в нормальном режиме работы, при котором АБ полностью заряжена и подключена к шинам постоянного тока с параллельно работающим ЗПУ. ЗПУ обеспечивает питание постоянной нагрузки и одновременно подзаряжает АБ, компенсируя ее саморазряд и поддерживая напряжение поляризации АБ заданной величины. Питание импульсной нагрузки обеспечивается АБ.
Нормальным режимом является режим питания от шин ЩСН ПС 0,4 кВ, если при этом:
напряжение на клеммах электроприемников СОПТ находится в пределах 0,95–1,05 Uном;
отсутствуют повреждения во вторичных цепях;
включены и исправны все преобразователи электрической энергии;
заряжены до номинальных значений все накопители электрической энергии;
отсутствуют электромагнитные помехи выше допустимого уровня;
температура окружающего воздуха на- ходится в заданных пределах;
отсутствуют механические воздействия выше допустимого уровня.
Рис. 8. Питание устройств от АБ через преобразователи DC/DC
Б. Расчетные аварийные режимы работы СОПТ Расчетными аварийными режимами СОПТ являются режимы, при которых СОПТ выполняет свою главную функцию — обеспечивает питание потребителей оперативным током, но при этом возможно наличие одного или нескольких следующих событий:
Исчезновение напряжения на шинах ЩСН 0,4 кВ ПС с сохранением питания от заряженных накопителей электрической энергии (автономный режим);
Исчезновение напряжения на одной из секций ЩПТ или ШАВ СОПТ (режим технического обслуживания);
Неисправность либо отключение одного из накопителей электрической энергии (режим параллельной работы);
Режим ускоренного заряда;
Режим уравнительного заряда;
Контрольный разряд АБ;
Неисправность либо отключение одного или всех преобразователей электрической энергии (режим параллельной работы);
Снижение напряжения на клеммах приемников СОПТ в пределах 0,8– 0,95 Uном (автономный режим);
Повышение напряжения на шинках СОПТ в пределах 1,05–1,1 Uном;
Замыкание одного из полюсов СОПТ на землю;
КЗ в одной или нескольких точках СОПТ (количество допустимых точек КЗ зависит от типа СОПТ и требований к ней);
Попадание на шинки СОПТ напряжения 0,4 кВ промышленной частоты;
Параллельная работа двух ЩПТ.
При исчезновении напряжения переменного тока системы собственных нужд ПС, а также при неисправности ЗПУ, СОПТ переходит в автономный режим работы. В этом режиме питание постоянной и толчковой нагрузок обеспечивается от АБ. В соответствии с требованиями нормативного документа [4] АБ должна обеспечивать максимальный расчетный толчковый ток после двух часов разряда постоянным током нагрузки. Длительность периода автономной работы АБ на конкретной ПС может быть увеличена. (Его величину необходимо указать в техническом задании. Расчетная длительность режима должна учитывать время прибытия персонала на необслуживаемую ПС, выявления им неисправностей и принятия мер по восстановлению нормального режима работы АБ [5].) Автономный режим работы АБ является расчетным аварийным режимом.
По истечении режима автономной работы, ЗПУ должны автоматически перейти в режим ускоренного заряда. В режиме ускоренного заряда превышение напряжения на шинах не должно быть более 1,1 Uном. При необходимости иметь напряжение выше указанной величины применяется схема с дополнительными балластными диодами. Режим ускоренного заряда АБ является расчетным аварийным режимом.
Рис. 9. Организация питания шин выпрямленного тока
Режим уравнительного заряда АБ вводится для получения более однородной плотности электролита по высоте элемента АБ, для устранения разности напряжений между элементами АБ, накапливающейся в процессе эксплуатации, и для предотвращения сульфатации электродов. Уравнительный заряд производится повышенным напряжением (более 1,1 Uном), уровень которого определяется инструкцией по эксплуатации АБ данного типа. В этом режиме ЩПТ необходимо отключить от своей АБ и перевести питание его секций на питание от секций соседнего ЩПТ. Продолжительность режима уравнительного заряда зависит от состояния АБ и должна быть не менее 6 часов [6]. Режим уравнительного заряда АБ является расчетным аварийным режимом.
Рис. 10. Питание от разных секций ШСН 0,4 кВ
Контрольный разряд АБ выполняется для определения ее фактической емкости. Результаты измерений при контрольных разрядах должны сравниваться с результатами измерений предыдущих разрядов. Значение тока разряда каждый раз должно быть одно и то же [6]. Для проведения контрольного разряда АБ рекомендуется использовать переносное разрядное сопротивление с контролем тока АБ (типа COMBAT либо подобное), позволяющее проводить этот режим без отключения АБ. В этом случае разряд ведется током потребителей, подключенных к данной АБ, с доведением его величины до заданной путем автоматического регулирования разрядного сопротивления. Альтернативой данному устройству может служить установка обратимых ЗПУ, способных инвертировать постоянный ток в сеть переменного тока. При отсутствии этих устройств и наличии в СОПТ только одной АБ режим контрольного разряда может проводиться только при проведении регламентных или ремонтных работ на ПС при отключении всех потребителей. Контрольный разряд является расчетным аварийным режимом.
В режиме технического обслуживания отключается часть потребителей и производится контроль технического состояния оборудования, относящегося к одной из секций шин. Конструктивное исполнение оборудования СОПТ должно обеспечивать возможность безопасного выполнения работ. Режим технического обслуживания не должен выходить за рамки расчетного аварийного режима.
Режим параллельной работы двух ЩПТ возможен при наличии на ПС двух комплектов источников питания (двух АБ и двух ЗПУ) в следующих случаях:
при неисправности одной АБ;
в режимах уравнительного заряда, контрольного разряда или технического обслуживания одной АБ.
В этом режиме питание всех потребителей обеспечивается от одного комплекта источников питания через секционные перемычки в ЩПТ. Режим параллельной работы двух ЩПТ является расчетным аварийным режимом. Параллельная работа двух АБ допускается только на время перевода нагрузки с одной АБ на другую.
Таблица 5 - Таблица соответствия схем питания и потребителей оперативного тока различных категорий надежности
Категория
Подкатегория
Схема питания
Потребители, имеющие питание от данной категории
А
А1
Шины ЩПТ (ED), шины ШАВ (EF) — «чистая» зона
А1– РЗА, ПА, АУВ, ТО и ТУ
В1– ЦС, Резервное питание АСУ ТП верхнего и среднего уровня
А2
Шины ШАВ (EC) — «грязная» зона
А2 — в-РЗА, в-ПА, в-АУВ, в-ТО и ТУ
В
В1
Шины, подключенные к АБ через DC/АС- преобразователи
В2 — резерв задвижек ПЖТ
В2
Шины, подключенные к АБ через DC/DС- преобразователи
В2 — АСУ ТП нижний уровень, ВПС
В3
Шины ИБП
А1 — РЗА ПС 35 кВ при наличии ТУ
В4
Комбинированные блоки питания, подключенные к ТТ в совокупности с ТН
А1 — РЗА ПС до 35 кВ в распределенной СОТ
С
C1
Шины выпрямленного тока, имеющие питание от двух ВУ
С1 — ОБРэлектромагнитная
D
Шины собственных нужд 0,4 кВ ПС
С2 — ВВ привода, РПН С3 — РЗ привода D — Цепи обогрева E — Освещение
В. Аварийный режим работы СОПТ
Аварийный режим СОПТ — это режим, при котором невозможно выполнение главной функции СОПТ — питание потребителей постоянным оперативным током. Признаком аварийного режима является одно из следующих событий:
Потеря всех накопителей СОПТ и всех преобразователей СОПТ;
Снижение напряжения питания на зажимах потребителей ниже 0,8 Uном;
Превышение напряжения на шинах СОПТ выше 1,1 Uном;
Потеря всех секций распределительного устройства СОПТ;
Появление в цепях СОПТ электромагнитных помех, способных вызвать повреждение или ложную работу устройств;
Изменение климатических условий в помещениях, где размещены устройства СОПТ, сверх допустимых пределов;
Наличие механических воздействий на устройства СОПТ или на помещения, в которых они расположены,
выше допустимых пределов;
Злоумышленное отключение СОПТ.
Заключение ко второй части
Изложенный в двух первых частях материал показал неоднородность составных частей СОПТ и недопустимость произвольного их подключения между собой. Во второй части рассмотрено еще несколько блоков из фундамента возводимого здания.
Литература
Обоснование выбора решения по организации оперативного постоянного тока на примере выпущенных проектов. Антонов Л. Е. // Энерго- эксперт. 2009. № 2.
Электромагнитные помехи в сети оперативного постоянного тока. Влияние аккумуляторной батареи. Антонов Л., Ворошилов А., Смирнов П. // Новости ЭлектроТехники. 2015. № 2, 3.
Методические указания по выбору оборудования СОПТ. Стандарт организации ПАО «ФСК ЕЭС». СТО 56947007-29.120.40.216-2016.
Нормы технологического проектирования подстанций переменного тока с высшим напряжением 35–750 кВ (НТП ПС) СТО 56947007-29.240.10.028-2009.
Общие технические требования к подстанциям 330–750 кВ нового поколения. Утверждены ОАО «ФСК ЕЭС» 08.01.2004.
Правила технической эксплуатации электри- ческих станций и сетей Российской Федерации. Утверждены Приказом Минэнерго РФ № 229 от 19.06.2003.