Digital Substation — инженерное издание, посвященное автоматизации IEC 61850, системам релейной защиты и цифровому интеллекту энергосетей.
Новые требования к СОПТ при цифровизации подстанции
2020-04-17T18:37:00+03:00
Аксар Виноградов, Игорь Волков и Константин Быков («НПП „Экра“») рассказывают о требованиях к системе оперативного тока (СОПТ) на цифровых подстанциях.
Исторически сложилось, что системе оперативного тока уделяется недостаточно внимания. Однако зачастую аварии на энергообъектах (отключение линии в результате ложной работы РЗА или аварийного снижения сопротивления изоляции) связаны с вопросами, относящимися к СОПТ.
Сегодня цифровизация затронула, в основном, системы релейной защиты, управления и автоматики, а СОПТ вновь обошла стороной.
Требования к СОПТ, основанные на обеспечение надежности питания, чувствительности и быстродействии, ремонтопригодности, были сформулированы лишь в 2010 году в виде отдельного стандарта организации [1], когда микропроцессорные устройства РЗА уже повсеместно применялась на энергообъектах. В настоящее время мы являемся участниками нового витка развития, именуемого цифровой трансформацией энергообъектов. Ключевое звено в переходе к цифровизации — создание цифровых подстанций. ЦПС в первую очередь воспринимается как объект, в котором все процессы информационного обмена между элементами подстанции и внешними системами, управление работой подстанции осуществляется в цифровом виде на базе стандарта IEC 61850. Сегодня цифровизация затронула, в основном, системы релейной защиты, управления и автоматики, а СОПТ вновь обошла стороной. Несмотря на введение в 2018 году нового стандарта по проектированию [2], который закрепляет требования СТО от 2010 году и дополняет его требованиями по структуре питания потребителей, системе контроля изоляции и мониторинга, в нем все равно не в полной мере раскрываются требования к реализации СОПТ для ЦПС.
Рис. 1. Структура традиционной системы мониторинга СОПТ
В реализуемых ЦПС классическая структура СОПТ не претерпевает значительных изменений, за исключением организации питания новых ответственных потребителей «полевого уровня», таких как преобразователи аналоговых сигналов (ПАС) и дискретных сигналов (ПДС). Питание блоков ПАС и ПДС должны иметь такую же категорию надежности, что и МП РЗА. Появление новых ответственных потребителей возлагает все больше ответственности на контроль целостности этих цепей и предъявляет все более жёсткие требования к оборудованию контроля изоляции [8]. Что касается системы мониторинга, то ее структура остается неизменной: обмен данными выполняется по радиальной схеме от измерительных приборов к системе мониторинга СОПТ. Далее информация передается в АСУ ТП подстанции в виде отчетов по технологии «клиент-сервер» (MMS-отчеты) — см. рис. 1.
Однако, существует проблема содержания MMS-отчетов. Цель стандарта IEC 61850 заключается в обеспечении взаимодействия между интеллектуальными электронными устройствами (ИЭУ). Обмен информацией между ИЭУ достигается механизмами, основанными на четко определенных информационных моделях логических устройств и узлов. Отечественная редакция стандарта IEC 61850 [5] среди типовых логических узлов для СОПТ содержит только один формат логического узла ZBAT, описывающего передачу сигналов от аккумуляторной батареи. В иностранной редакции стандарта IEC 61850[6] в списке типовых логических узлов для сети постоянного тока имеет еще 2 логических узла: зарядно-выпрямительное устройство — ZSCR, измерительные приборы постоянного тока — MMDC. Если посмотреть на список объектов данных в этих логических узлах, то мы увидим, что обе версии стандарта в настоящее время не содержат полный перечень сигналов, указанный в таблице 4 п.8.6.5 СТО [2]. В результате отечественные производители оборудования СОПТ вынуждены прибегать к использованию общих логических узлов GGIO. Описание функций устройства с помощью общего логического узла стандартом IEC 61850 не запрещается. Но при этом теряются логические взаимосвязи, приводящие к тому, что, во-первых, проектировщик или наладчик не может идентифицировать назначение сигналов в логическом устройстве, а во-вторых, в будущем невозможно будет заменить СОПТ без полного переконфигурирования системы ПС. Поэтому целесообразно применять общие логические узлы только для описания функции свободно-программируемой логики, не описываемые стандартными логическими узлами. Необходимо как можно скорее создать национальный профиль стандарта IEC 61850, содержащий полный перечень логических устройств и узлов, описывающий функции элементов СОПТ в полном объеме.
Реализация описания объектов данных логических узлов — задача сложная, решив которую, можно открыть новая возможность технологии IEC 61850 — цифровое взаимодействие между компонентами СОПТ с целью построения адаптивной СОПТ. Например, к простейшим функциям адаптивности, которыми можно наделить систему мониторинга СОПТ — возможность динамического изменения уставок контроля напряжения АБ в различных режимах работы: подзаряд, уравнительный заряд, тест АБ. Логический узел ZBAT уже имеет атрибуты данных уставок повышенного HiBatVal и пониженного уровня LowBatVal. Если бы зарядно-выпрямительные устройства уже имели возможность динамически передавать информацию о своем режиме заряда, то система мониторинга принимала бы данный сигнал, выполняла его логическую обработку в сочетании с сигналами состояния коммутационных аппаратов, идентифицировала текущий режим работы АБ и корректировала бы уставки порогов. В результате отсутствует ложная сигнализация в АСУ ТП о неисправности в ЩПТ. И это лишь малая часть функциональных возможностей, которые можно реализовать в СОПТ для увеличения удобства эксплуатации и надежности функционирования!
Из всего вышесказанного следует, что при предъявлении требований к СОПТ и ее элементам необходимо исходить не только из требований по выдачи информации в АСУ ТП по протоколу IEC 61850, но и возможности цифрового взаимодействия компонентов СОПТ между собой с целью управления и построения адаптивной системы с функциями диагностики и прогнозирования состояния оборудования без участия человека.
Для полноценной реализации ЦПС необходимо предъявлять к СОПТ следующие дополнительные критерии:
Автоматическое изменение конфигурации силовой цепи с возможностью дистанционного переключения, которая предполагает изменение структурной схемы от состояния элементов и режимов работы СОПТ. Например, автоматическое переключение секции ЩПТ, ввода питания ШРОТ или потребителей ШРОТ на «чистый источник» при угрозе потери питания потребителей в результате ухудшения изоляции, ослабления контактного соединения или иных неисправностей.
Автоматическое изменение настроек параметров элементов с возможностью дистанционного переключения уставок. В зависимости от режима работы СОПТ должны изменяться уставки технологических параметров (повышенного или пониженного напряжения, тока подзаряда АБ и т. д.) и карты селективности.
Прогнозирование состояния компонентов. Наличие расчетноаналитических методов обработки данных для комплексной оценки состояния оборудования с целью прогнозирования выхода из строя оборудования.
Дистанционная диагностика элементов. Возможность удаленного тестирования оборудования и режимов работы системы с помощью испытательного комплекса, стационарно расположенного на ПС, для комплексной оценки состояния с целью планирования обслуживания и ремонта оборудования.
Элементы должны иметь взаимозаменяемую модульную структуру с автоматической идентификацией при вводе в эксплуатацию. Вышедшие из строя элементы должны выводиться автоматически из работы с максимальным сохранением функций системы за счет других элементов (аппаратное резервирование), безопасно демонтироваться. Вновь подключаемые к сети элементы должны беспрепятственно устанавливаться и после прохождения идентификации должны автоматически конфигурироваться системой.
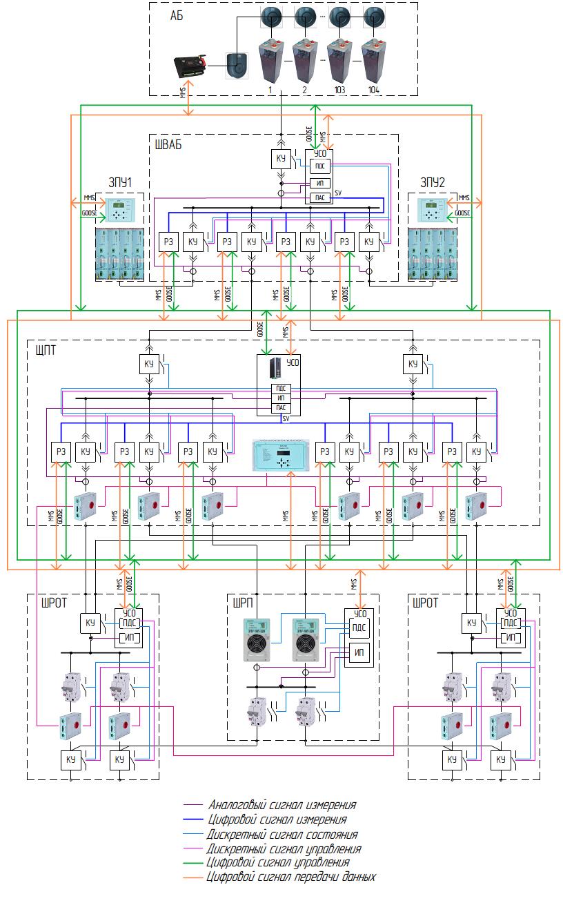
Принимая во внимание вышеуказанные критерия, структурная схема СОПТ может быть представлена следующим образом (см. рис. 2), где:
АБ — аккумуляторная батарея с системой поэлементного контроля;
ЗПУ — зарядно-питающие устройства;
КУ — управляемое коммутационное устройство;
ПАС — преобразователь аналоговых сигналов;
ПДС — преобразователь дискретных сигналов;
РЗ — микропроцессорное реле защиты постоянного тока;
ШРОТ — шкаф распределения оперативного тока;
ШРП — шкаф резервного питания;
ЩПТ — щит постоянного тока;
УСО — устройство сопряжения с объектом.
Рис. 2. Структурная схема СОПТ
Для реализации ЦПС существующие стандарты [3, 4] необходимо дополнить следующими техническими требованиями.
Аккумуляторная батарея (АБ)
Должны применяться необслуживаемые, стационарные свинцово-кислотные, герметичные АБ или литий-ионный АБ с проектным сроком службы не менее 20 лет. Допускается использовать стационарные свинцово-кислотные, герметичные АБ в виде моноблоков со сроком эксплуатации не менее 12 лет.
АБ должна иметь стационарную системой контроля параметров отдельных элементов.
Система контроля параметров отдельных элементов АБ должна контролировать напряжение, температуру и сопротивления каждого элемента (моноблока), отслеживать режим работы АБ в целом, собирать, хранить и анализировать данные, обеспечивать передачу данным по протоколу IEC 61850-8-1 MMS.
Система контроля параметров отдельных элементов АБ обязательно должна поддерживать сервис календарной синхронизации по протоколу SNTP в соответствии с требованиями стандарта IEC 61850-8-1.
Зарядно-подзарядное устройства (ЗПУ)
Должны применяться ЗПУ модульной конструкции.
Выходная мощность зарядного устройства должна обеспечивается набором отдельных модулей питания (МП), количество которых определятся максимальным выходным током МП.
ЗПУ и МП должны иметь естественное охлаждение.
Должна обеспечиваться параллельная работа двух ЗПУ на стороне выпрямленного напряжения с симметричным делением тока нагрузки.
При перегреве ЗПУ должны снижать свою выходную мощность без полного останова.
В ЗПУ должен обеспечивать режим равномерного распределения тока нагрузки между МП.
Конструкция ЗПУ должна обеспечивать замену МП под нагрузкой.
ЗПУ должен иметь встроенную интеллектуальную систему управления и мониторинга.
Система управления и мониторинга должна обеспечивать управление режимами работы ЗПУ в реальном масштабе времени и контролировать внутренние параметры ЗПУ и исправность блоков МП.
При подключении МП должны автоматически идентифицироваться и конфигурироваться системой управления.
ЗПУ обязательно должно поддерживать сервис календарной синхронизации по протоколу SNTP в соответствии с требованиями стандарта IEC 61850-8-1.
ЗПУ должен передавать данные с использованием протокола IEC 61850-8-1 GOOSE, MMS.
Распределительные устройства постоянного тока (РУПТ): ЩПТ, ШРОТ
В составе первого и второго уровня защиты должны применяться предохранители, устанавливаемые в предохранитель-выключатель-разъединитель (ПВР) или коммутационные устройства (КУ) с дистанционным управлением. Применение типа коммутационного аппарата определяется от степени автоматизации объекта и наличия постоянного дежурного и обслуживающего персонала: при наличии персонала достаточно применить ПВР, при отсутствии — управляемые КУ. Совместно с КУ должны применяться интеллектуальные электронные устройства релейной защиты постоянного тока (ИЭУ РЗПТ), позволяющие селективно и с необходимым быстродействием локализовать повреждение. ИЭУ РЗПТ должны иметь функцию логической селективной защиты. Совместно с ИЭУ РЗПТ в коммутационных узлах должны быть применены оптические или аналоговые датчика тока совместно с ПАС из состава УСО РУПТ. ИЭУ РЗПТ должен передавать данные с использованием протокола IEC 61850-8-1 GOOSE, MMS. На третьем уровне защиты в цепях питания непосредственных потребителей должны применяться автоматический выключатель постоянного тока и устройство коммутации с возможностью дистанционного управления. Устройство коммутации предназначено для перевода цепей индивидуальных потребителей на резервную шину питания для поиска фидера с замыканием на землю и изоляции от цепей АБ. Возможность дистанционного управления устройства коммутации в цепях индивидуальных потребителей определяется от степени автоматизации объекта.
В состав РУПТ должно входить устройство сопряжения с объектом (УСО). УСО должно обеспечивать функции мониторинга и прогнозирования состояния оборудования.
УСО должно иметь функции:
контроль состояния разборных контактных соединений;
учет механического и электрического ресурса коммутационных аппаратов;
контроль времени наработки на отказ внутренних элементов электронных устройств;
контроль деградации плавкой вставки предохранителей при применении в качестве защитных устройств на первом и втором уровне защиты.
В составе УСО могут входить преобразователи дискретных сигналов и аналоговых сигналов — ПАС и ПДС, измерительные преобразователи — ИП. ПАС формирует SV-потоки для целей РЗПТ (защитные). ПДС обеспечивает ввод дискретных сигналов от коммутационных аппаратов, формировать GOOSE-сообщения по изменению дискретных сигналов. ИП обеспечивает измерение параметров текущего режима и передает данные по протоколу IEC 61850-81 MMS. УСО обязательно должна поддерживать сервис календарной синхронизации по протоколу SNTP в соответствии с требованиями стандарта IEC 61850-8-1.
УСО должно иметь функцию самодиагностики функционирования. УСО должна поддерживать тестовый режим функционирования. Самодиагностика узлов УСО должна обеспечивать обнаружение отказа с точностью до отдельного модуля (блока), входящего в состав УСО. Обнаруженные сбои и отказы функционирования узлов устройства должны фиксироваться в журнале событий устройства, а также отражаться в виде визуально-доступной сигнализации. УСО должно передавать данные с использованием протокола IEC 61850-8-1 GOOSE, MMS.
В состав РУПТ должна входить система контроля изоляции (СКИ):
Для исключения ложной работы ДВ при существующей уставке снижения сопротивления изоляции равной 20 кОм «Авария», необходимо применять выравнивающие резисторы не более 10 кОм.
Должна быть обеспечена возможность настройки датчиков на режим включения и отключения с уставкой аварийного снижения изоляции каждого фидера.
Датчик контроля сопротивления изоляции должен обеспечивать самовосстановление из режима перенасыщения магнитопровода датчика и сохранять работоспособность в случае кратковременных бросковых токов в одном из проводов присоединения или наведении импульсных помех.
На корпусе датчиков контроля сопротивления изоляции должны быть светодиоды, сигнализирующие о снижении сопротивления изоляции присоединения ниже уставки или о неисправности датчика.
Система контроля изоляции должна иметь функцию непрерывного измерения сопротивления полюсов сети полюсов относительно «земли».
СКИ должна поддерживать тестовый режим функционирования.
Обнаруженные сбои и отказы функционирования узлов устройства должны фиксироваться в журнале событий устройства с архивированием, а также отражаться в виде визуально-доступной сигнализации с возможностью квитирования неисправности.
СКИ обязательно должна поддерживать сервис календарной синхронизации по протоколу SNTP в соответствии с требованиями стандарта IEC 61850-8-1.
СКИ должна иметь функцию самодиагностики функционирования.
СКИ должно передавать данные с использованием протокола IEC 61850-8-1 MMS.
Конструкция РУПТ должна иметь модульную структуру, обеспечивающая безопасное и быстрое обслуживание.
Литература
Стандарт организации ПАО «ФСК ЕЭС» СТО 56947007-29.120.40.041-2010 «Системы оперативного постоянного тока подстанций. Технические требования».
Стандарт организации ПАО «ФСК ЕЭС» СТО 56947007-29.120.40.262-2018 Руководство по проектированию систем оперативного постоянного тока (СОПТ) ПС ЕНЭС. Стандарт организации, 2018.
Стандарт организации ПАО «ФСК ЕЭС» СТО 56947007-29.240.10.256-2018 Технические требования к аппаратно-программным средствам и электротехническому оборудованию ЦПС.
Стандарт организации ПАО «РОССЕТИ» СТО 34.01-21-004-2019 Цифровой питающий цент. Требования к технологическому проектированию цифровых подстанций напряжением 110-220 кВ и узловых цифровых подстанций напряжением 35кВ.
ГОСТ Р МЭК 61850-7-4-2011 Сети и системы связи на подстанциях. Часть 7. Базовая структура связи для подстанций и линейного оборудования. Раздел 4. Совместимые классы логических узлов и классы данных.
IEC 61850-7-4:2010 Communication networks and systems for power utility automation Part 7-4: Basic communication structure Compatible logical node classes and data object classes.
Возможна ли цифровая подстанция? — стандарт МЭК 61850 вселяет надежду [Электронный ресурс] — Режим доступа: https://www.compel.ru/lib/96422 — дата обращения: 9.10.19.
Галкин И.А, Лопатин А.А., Виноградов А.Ю. «К вопросу о требованиях к оборудованию контроля сопротивления изоляции СОПТ, снижающие ложную работу устройства релейной защиты и автоматики». Журнал «Релейная защита и автоматизация», № 1, 2019.