Digital Substation — инженерное издание, посвященное автоматизации IEC 61850, системам релейной защиты и цифровому интеллекту энергосетей.
Почему после ввода МП ОБР не следует оставлять её электромагнитную предшественницу?
2015-10-19T13:30:44+03:00
Поводом для написания этой статьи послужили: акт расследования одной из аварий 2014 года и несколько проектов 2014 - 2015 годов, выполненных рядом проектных организаций без должного уважения к затратам заказчика.
«Оперативный персонал АЭС (ТЭЦ, подстанции) деблокировал оперативную блокировку, не разрешающую выполнить операции с разъединителем...» - именно так начинаются многие акты расследования аварий Управлением государственного энергетического надзора с последующим описанием «работы АЛАР и АЧР…, выделением на изолированную…, с суммарным обесточением потребителей…, с численностью пострадавшего населения «четыре миллиона четыреста шестьдесят семь тысяч восемьсот сорок два человека». Тема электромагнитной оперативной блокировки разъединителей (ЭМ ОБР) появляется в приказах контролирующих органов всякий раз после очередной ошибки оперативного персонала.
На просторах Единой Энергетической Системы это случается регулярно, с периодичностью раз в год – два, иногда чаще. Смысл этих распоряжений, как правило, сводился исключительно к констатации факта плохой работы эксплуатирующего персонала и к требованиям наказать виновных - ремонтников, релейщиков, оперативников – всех «стрелочников», не исполняющих тщательно свои производственные обязанности. Это было бы правильно, если бы проблема рассматривалась со всех сторон. Крайне редко в актах отмечается другая причина аварии - принципиально низкая надежность ЭМ ОБР, из которой закономерно вытекает неизбежность ошибок при производстве оперативных переключений. А это требует уже совсем других выводов - либо ущерб от неправильной работы ЭМБ должен приниматься как расчетный и должен быть заложен в эксплуатационные расходы, либо требуется исключить это устройство из работы.
Что интересно - еще со времен Минэнерго СССР Главтехуправление пришло к выводу о необходимости замены ЭМ ОБР на более надежное устройство, но в актах расследования аварий и сегодня по-прежнему остаются виновными только те, кто вынужден эксплуатировать эту порочную ЭМ ОБР. Видимо, старые кадры Минэнерго ушли, не успев передать своим последователям накопленный опыт ошибок.
Что же представляет из себя ЭМ ОБР разъединителей и исходя из чего напрашивается вывод о целесообразности ее ликвидации?
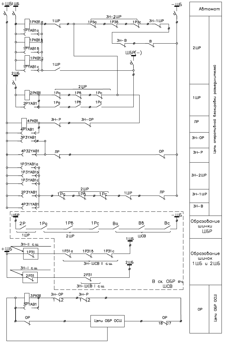
ЭМ ОБР (см. рис. 1, 2) состоит из цепочек соединенных последовательно контактов разъединителей. Ненадежность этих цепочек определена, во-первых, большим количеством последовательно соединенных элементов, а во-вторых, низкой надежностью этих элементов (блок контактов самих разъединителей). Третьей, принципиальной особенностью ЭМ ОБР, определяющей ее ненадежность, является отсутствие какого-то бы ни было постоянного контроля ее цепей, как в режиме ожидания, так и в момент проведения оперативных переключений.
Рис. 1. Поясняющая схемаРис. 2. Схема электромагнитной оперативной блокировки разъединителей (ЭМ ОБР)
Весь контроль ЭМ ОБР сводится к её периодическому обслуживанию – регулировке, чистке блок контактов, проверке изоляции цепей. Объем работ периодического обслуживания ЭМ ОБР может быть сопоставим с объемом обслуживания всего остального вторичного оборудования. Так как все оборудование ЭМБ находится на улице, эффективность периодического контроля крайне низкая, особенно в совокупности с низким качеством блок контактов.
Все выше перечисленное гарантирует высокую вероятность отказа ЭМ ОБР. Становится очевидным, почему оперативный персонал так уверенно игнорирует запрет от ЭМ ОБР на управление коммутационным аппаратом – вероятность их правильной работы ни в коем случае не совпадает с возможностью своевременно выполнить оперативные переключения.
К чему это все очень часто приводит? Не имея возможности перед началом оперативных переключений проконтролировать исправность ЭМ ОБР, имея за своими плечами громадный опыт ее отказов, оперативный персонал, зажатый временными рамками выполнения операций с первичным оборудованием, в нарушение инструкций, уверенно игнорируя запрет от ЭМ ОБР, выводит ее из работы и производит оперативные переключения. В 99,999 % случаях его действия дают положительный результат, в 0.001% ⃰ - приводят к ущербу, величина которого может исчисляться миллионами и миллионами рублей ( ⃰ цифры даны приближенно – да поправят меня специалисты, владеющие этой статистикой).
Возможные варианты решения задачи
Первый – регулярное тщательное обслуживание цепей ЭМ ОБР – на что направлены все инструкции по ее обслуживанию, написанные еще в те времена, когда энергетики носили форменные, как у военных, шинели и своим количеством были соизмеримы с количеством обслуживаемых устройств. С тех пор численность устройств увеличилось многократно, а численность обслуживающего персонала наоборот значительно уменьшилась. Особенно сильное сокращение персонала прошло в последние 20 лет на объектах ФСК ЕЭС, и в настоящее время, если продолжать двигаться по этому варианту и качественно выполнять ревизию цепей ЭМ ОБР, потребуется отказаться от всех других работ во вторичных цепях.
Второй вариант решения задачи возник значительно позднее и сводился к поиску путей повышения надежности блок контактов разъединителей – контакты менялись на герконовые, на контакты с улучшенными механическими характеристиками, дублировались промежуточными реле. Серьезных улучшений надежности ЭМ ОБР этот вариант не принес, особенно при использовании его на ОРУ. В КРУЭ, где контакты разъединителей работают в более щадящих условиях отапливаемого помещения, были получены более оптимистичные результаты, но и они не давали окончательного решения проблемы. Причина «неуспеха» варианта, в который заложено только повышение качества самих блок контактов, скрыта в «слепоте» выбранной логики. И неправильно собранная первичная схема, и неисправность во вторичной коммутации дают одинаковый ответ на команду управления разъединителем – запрет в операции.
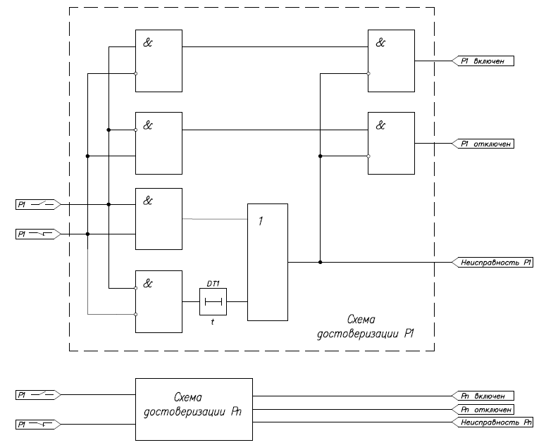
Третий вариант – дополнение алгоритма логики ОБР блоком, расшифровывающим причину отказа выполнить операцию управления разъединителем (рис. 3). Если ЭМ ОБР на команду оперативного персонала выполнить операцию отвечало в виде «можно – нельзя», то новая ОБР давала ответ на ту же команду уже в виде – «можно – нельзя – нельзя потому, что есть неисправность по такому-то адресу».
Рис. 3. Схема достоверизации
Это позволило отсечь абсолютное большинство неисправностей схемы от ошибок оперативного персонала. Эффективность в реализации этого алгоритма появилась благодаря использованию микропроцессорной техники, что дало возможность использовать для ОБР только одну пару блок контактов от каждого разъединителя, а логику всех длинных последовательных цепочек перевести на программный уровень. При этом стало осуществимым применять алгоритм достоверизации. Это, в конце концов, дало удобный интерфейс пользователю.
Если раньше оперативный персонал, видя запрет на свои действия и не имея возможности оценить его достоверность, просто выводил ЭМ ОБР и продолжал оперативные переключения на свой страх и риск, то теперь в его распоряжении появился механизм оценки исправности схемы. Механизм не только подающей сигнал запрета операции, но и указывающий адресно, с дискретностью до одного разъединителя, одной фазы, где находится отказавший блок контакт, из-за которого схема запрещает их проводить. Вряд ли теперь у кого-то останется желание произвести включение или отключение, зная, что схема исправна и она дает запрет на это действие. И наоборот, зная конкретно неисправный блок контакт (высвечивается сигнализацией), имеется возможность подправить его даже в процессе выполнения оперативных переключений. Использование интеллектуальной микропроцессорной оперативной блокировки разъединителей (МП ОБР) – так она теперь стала называться - не исключает снятие перед аппаратостроительными заводами задачи повышения надежности их блок контактов. Вариант с МП ОБР, начиная с подстанции «Череповецкая 750» (2004 год), реализуется во всех новых или идущих в реконструкцию ОРУ 110 – 750 кВ и в большинстве КРУЭ того же напряжения.
Четвертый вариант является логическим продолжением третьего. В этом варианте реализуется уже не только алгоритм адресного выявления неисправности, но и алгоритм «активного бланка переключений», подсказывающего, в какой последовательности необходимо вести операции с оборудованием. Но это материал уже другой статьи.
А не лучше ли на объекте при вводе в работу МП ОБР сохранить или даже смонтировать заново ЭМ ОБР?
Именно этот вариант часто выбирает заказчик, не имеющий опыта работы с микропроцессорными устройствами. Именно на такой вариант часто соглашаются проектировщики, сами не уверенные в своей правоте, хотя логика рассуждений в этом споре достаточно проста.
Логика рассуждений. Недостатки ЭМ ОБР (их мы перечислили выше) – низкая надежность и большие трудозатраты на ее обслуживание. То есть оставляя это устройство в работе, мы оставляем и все его недостатки. При этом, если мы ею не пользуемся, это совсем не означает, что мы не должны тратить уйму рабочего времени на её обслуживание; чтобы ЭМ ОБР вышла из строя, достаточно лишь какое-то время не проводить ее ревизию (обслуживание).
Далее рассматриваем два варианта: первый - оставляем её в работе и обслуживаем, то есть предусматриваем штат работников, за ней ухаживающей. И это после того как мы потратились на включение МП ОБР?! Думаю, что на одной подстанции имеет смысл сохранить ЭМ ОБР как музейный экспонат… На остальных денег на эту «роскошь» скорее всего не найдется. Второй вариант (именно его подразумевает заказчик с психологией «хозяина») - оставляем ее на всякий случай в работе и не обслуживаем. Но что в результате получается? Имеем нечто неопределенное, что, может, и сработает, но скорее всего нет. Хорошо если это остатки старой ЭМ ОБР, продолжающие работать в тех ячейках, до которых еще не дотянулась рука реконструкции. И совсем плохо, если это вновь монтируемые параллельно с МП ОБР цепи в уже реконструируемых ячейках, то есть напрасно понесенные затраты.
Далее от приверженцев ЭМ ОБР может поступить аргумент, что она необходима на этапе перехода от старого к новому. Да, необходима, но опять же только для тех ячеек, в которых еще не менялись разъединители. Для этого необходимо предусмотреть дополнительные выходы из МП терминалов ОБР для выдачи сигналов в ЭМ ОБР, и это задача проектной организации. И если в конкурсе на реконструкцию участвует проектная организация, не понимающая этой простой вещи, то ей не место среди участников этого конкурса (извините – эмоции). Общие затраты при таком подходе на порядок меньше, чем при монтаже параллельно двух типов ОБР с тем расчетом, что по окончанию реконструкции ЭМ ОБР останется музейным экспонатом.
Выводы
Планируя реконструкцию ОРУ, необходимо в ТЗ на проектирование указать необходимость поэтапного перехода с ЭМ ОБР на МП ОБР;
Планируя реконструкцию ОРУ, необходимо предусмотреть увеличенное количество входов и выходов в МП терминалах ОБР, позволивших бы выполнить их связь с остающейся в работе частью ЭМ ОБР;
Обязательным требованием к алгоритму МП ОБР должно быть наличие функций достоверизации информации и сигнализации неисправности цепей блок контактов разъединителей и выключателей с дискретностью до одного привода аппарата (одна фаза при пофазном управлении и один аппарат при трехфазном);
Обязательным требованием к алгоритму МП ОБР должно быть наличие удобного интерфейса, позволяющего легко отслеживать все неисправности в режиме реального времени;
В актах расследования аварий с ошибками оперативного персонала при операциях с разъединителями учитывать наличие ремонтного персонала в количестве достаточном для обслуживания ЭМ ОБР.
Почему и для кого я так подробно все описываю? Не для тех, кто уже через это уже прошел – для них это очевидно, но их процент мал, и многим еще только предстоят и реконструкция, и сопутствующие ей вопросы, которые порой не знаешь кому задать. И как при этом «не наступить на грабли»?!