Введение

Нижегородская ГЭС является четвертой ступенью Волжско-Камского каскада ГЭС и, обладая установленной мощностью в 520 МВт, активно участвует в суточном и недельном регулировании графиков электрической нагрузки, регулировании суточного графика напряжения, в оперативном и автоматическом вторичном регулировании частоты и перетоков мощности. На ГЭС установлено 8 гидрогенераторов мощностью 65 МВт, 4 из которых работают в блоках с трансформаторами ТДЦ-125000/110/13,8, выдающими мощность в сеть 110 кВ, и 4 — в блоках с однофазными четырехобмоточными трансформаторами 3хОДТ-53333/220/110, выдающими мощность в сеть 110 кВ и 220 кВ.
Рис. 1. Первоначальная реализация шины процесса Нижегородской ГЭС
Создание шины процесса блока генератор — трансформатор Нижегородской ГЭС началось в 2015 году, когда блок № 6 Нижегородской ГЭС был выбран в качестве пилотного объекта для отработки указанной технологии. В цепи выключателя 110 кВ силового трансформатора Т-6 были установлены электронные оптические трансформаторы тока и электронные трансформаторы напряжения, на главных выводах и в нейтрали генератора № 6 были установлены оптические трансформаторы тока в виде гибкой чувствительной петли, а в качестве цифрового измерительного преобразователя напряжений на главных выводах и в нейтрали генератора был установлен ПАС (преобразователь аналоговых сигналов, merging unit), подключенный к цепям «звезды» трансформатора напряжения главных выводов и к отпайке дугогасящего реактора нейтрали генератора (рис. 1). Шина процесса IEC 61850-9-2LE и шина станции IEC 61850-8-1 были выполнены в виде двух оптических колец скоростью 1 Гбит/сек, разделенных между собой на логическом уровне с использованием технологии VLAN (Virtual Local Area Network). Система единого времени обеспечила точность синхронизации не ниже 1 мс для устройств уровня присоединения и подстанционного уровня с использованием методов математической компенсации времени передачи пакетов в соответствии со стандартом IEEE 1588 Precision Time Protocol (PTP) и стандартом Simple Network Time Protocol 4 (SNTP 4). Для устройств полевого уровня система единого времени обеспечила требуемую точность синхронизации посредством использования выделенной сети синхронизации и передачи сигналов 1PPS (1 pulse per second).
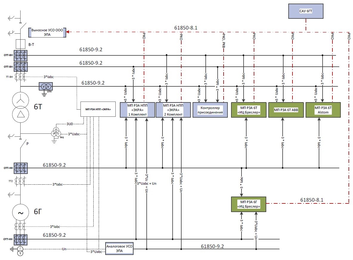
Рис. 2. Текущая реализация шины процесса Нижегородской ГЭС
В 2017 году состав электронных измерительных трансформаторов был расширен однофазными трансформаторами напряжения и постоянного тока в системе возбуждения, трехфазным трансформатором напряжения переменного тока с резистивным делителем на линейных выводах генератора и однофазным трансформатором напряжения переменного тока в нейтрали генератора (рис. 2). Выходные сигналы для всех устанавливаемых трансформаторов тока и напряжения — цифровой поток IEC 61850-9-2LE SV80/SV256 (см. IEC 61850-9-2LE: Implementation Guideline for Digital Interface to Instrument Transformers Using IEC 61850—9-2). Обновленная в процессе расширения структура ЛВС предусматривает физическое разделение шины процесса и шины станции; сетевые модули электронных блоков измерительных трансформаторов поддерживают работу в ЛВС по протоколу параллельного резервирования PRP.
Устройства РЗА различных производителей подключены к общей шине процесса и подписаны на один и тот же набор SV и GOOSE.
Комплекс интеллектуальных электронных устройств (ИЭУ) включает в себя устройства и российских, и зарубежных производителей: электронные трансформаторы тока и напряжения, устройства РЗА, счетчик электрической энергии, программный комплекс SCADA, программный комплекс информационной безопасности. Для контроля измеряемых величин дополнительно установлен цифро-аналоговый регистратор аварийных событий (РАС), подключенный как к электронным, так и к традиционным трансформаторам тока и напряжения. Устройства РЗА различных производителей подключены к общей шине процесса и подписаны на один и тот же набор потоков аналоговых измерений (SV) и дискретных сигналов (GOOSE). Это позволяет реализовать одинаковый набор защитных функций в устройствах различных производителей, что дает возможность их сравнительного анализа в период тестирования и эксплуатации. Реализованы следующие функции защит генератора (в скобках указаны коды ANSI С37.2 функций устройств РЗ):
  • дифференциальная защита генератора (87G);
  • максимальная токовая защита (50G);
  • дистанционная защита с блокировкой при качаниях и неисправностях цепей трансформаторов напряжения (21);
  • защита от однофазных замыканий на землю в обмотке статора (64S);
  • защиты от симметричной (49S) и несимметричной перегрузки (46);
  • защита ротора от замыканий на землю (64R);
  • защита от повышения и снижения напряжения (59);
  • защиты по активной (32L) и обратной (32R) активной мощности;
  • защиты от потери возбуждения (40) и от асинхронного хода без потери возбуждения (78);
  • защита от повышения и снижения частоты (81);
  • защита от подачи напряжения на остановленный генератор (27/50);
  • защита резервирования отказа выключателя (50BF).
Реализованы следующие функции защит трансформатора:
  • дифференциальная защита трансформатора (87T) и блока (87GT);
  • дифференциальная защита ошиновки блочного трансформатора (87B);
  • токовая защита нулевой последовательности стороны высокого напряжения (50N);
  • защиты от перегрузки (49);
  • реле тока для пуска охлаждения (50);
  • пуск пожаротушения.
Дополнительно в устройствах РЗА станционного оборудования были введены функции резервирования РЗА отходящих линий: дистанционная защита (21/21N) и токовая направленная защита нулевой последовательности (67N), — направленные в сторону системы. Основными задачами выполняемых работ являлись:
  • оценка работоспособности и подтверждение функциональных характеристик электронных измерительных трансформаторов и цифровых вторичных устройств, реализующих технологии IEC 61850 в условиях действующего объекта;
  • оценка специфики наладки, испытаний и технического обслуживания оборудования нового поколения, разработка новых требований к эксплуатации.

Заводские испытания

При проверке зоны малых токов электронный ТТ продемонстрировал значительные шумы в значениях токов менее 8% номинального.
Перед установкой оборудования на ГЭС были проведены заводские испытания электронных ТТ и ТН, устройств управления и защит на испытательных площадках. Электронные оптические ТТ и электронные ТН (IEC 61850-9-2LE SV80/SV256) прошли заводские испытания по проверке метрологических характеристик, в ходе которых были подтверждены заявленные классы точности. Однако при проверке зоны малых токов электронный ТТ продемонстрировал значительные шумы в значениях токов менее 8% номинального; при значениях токов, превышающих 15% номинального, шумы в значениях были несущественными (рис. 3, 4). Осциллограммы тока (галерея) Заводские испытания устройств управления и защит проводились с использованием программно-аппаратного комплекса RTDS (Real Time Digital Simulator) и других программно-аппаратных испытательных комплексов (OMICRON CMC 256 plus, RETOM-61850). Испытания подтвердили работоспособность устройств в различных моделируемых режимах сети при возникновении повреждений. В ходе заводских испытаний было выявлено, что время задержек передачи пакетов определяется степенью загрузки коммуникационного оборудования. Построение шины процесса без использования VLAN приводило к избыточной нагрузке на порты всех устройств. Подтвердилось, что GOOSE-сообщения и потоки SV не должны находиться в одном VLAN и иметь один и тот же адрес получателя.

Комплексные испытания

Перед вводом в опытную эксплуатацию оборудования на блоке 6ГТ Нижегородской ГЭС были проведены натурные комплексные испытания, которые заключались в анализе поведения оборудования в двух видах режимов: искусственно создаваемые режимы и нормальные условия эксплуатации. В процессе испытаний проверялось:
  • отсутствие ложных и излишних срабатываний защит при имитации внешних коротких замыканий (КЗ), на холостом ходу генератора, при включении в сеть и форсировке возбуждения;
  • правильное срабатывание защит при имитации КЗ в зоне защиты;
  • правильное поведение устройств в различных нештатных режимах (потеря/восстановление синхронизации времени, отключение/включение питания, потеря/восстановление связи между измерительными трансформаторами и устройствами РЗА, нарушение целостности локальной сети).
Имитация замыканий производилась путем установки закоротки в соответствующей виду КЗ точке сети и последующем управлении токами КЗ через возбуждение генератора. Были выполнены следующие эксперименты:
  • трехфазное КЗ на выводах генератора;
  • трехфазное КЗ на стороне 110 кВ блочного трансформатора;
  • однофазное КЗ на стороне 110 кВ блочного трансформатора;
  • работа на холостом ходу;
  • включение в сеть с контролем синхронизма;
  • форсировка тока возбуждения генератора.
Наряду с силовыми опытами были проверена работы комплекса при возникновении следующих неисправностей цифрового оборудования:
  • потеря синхронизации PPS;
  • потеря питания ОТТ;
  • обрыв оптического кабеля;
  • неисправность сервера времени;
  • неисправность сетевого коммутатора;
  • подача дублирующего потока SV в систему цифровой связи (от RETOM-61850).

* * *

В процессе испытаний были выявлены особенности работы оборудования, которые требуют глубокого анализа специалистами.
Рис. 5. Шумы в цифровых токовых цепях
При проведении опытов трехфазных и однофазных КЗ были зафиксированы сильные шумы в измеряемых токах от электронных оптических ТТ вне зависимости от места установки, то есть как на стороне 13,8 кВ, так и на стороне 110 кВ (рис. 5). Гармонический анализ показывает наличие составляющих высоких гармоник, не существующих в реальном первичном сигнале. При увеличении амплитуды полезного сигнала выявлено снижение уровня шумов. Данные результаты подтверждают проведенные лабораторные испытания. Необходимо учитывать данные особенности при выборе номинальных параметров электронных оптических ТТ.
Рис. 6. Наложение токовых сигналов
При проведении опыта подачи сигналов SV-потоков от РЕТОМ-61850 с параметрами, идентичными существующим в сети SV-потокам от электронных ТТ и ТН генератора, возникает неопределенность в приеме потоков на стороне терминалов РЗА, которая выражается в произвольном переключении устройств между потоками (рис. 6). Терминалы фиксируют искаженные сигналы, что приводит к срабатываниям и возвратам отдельных функций защит согласно заложенному алгоритму. В устройствах РЗА необходимо осуществлять корректную обработку сигналов и SV-потоков, полученных от испытательного оборудования. Соответствующая методика проведения испытаний предусмотрена стандартом IEC 61850.
Рис. 7. Ложный всплеск тока
Во время проведения испытаний неоднократно фиксировались «ложные» измерения тока на шине процесса устройствами РЗА (мгновенное значение до 119 кА в течение 0,5 мс). При этом измеренный дифференциальный ток превышал уставку дифференциальной защиты генератора, и происходило срабатывание защит (рис. 7). Данные выбросы тока не сопровождались индикацией «плохого» качества сигнала. Вопрос помехоустойчивости в цифровых сетях не менее актуален, чем для традиционных вторичных цепей электромагнитных трансформаторов тока. Указанное необходимо учесть в алгоритмах РЗА, так как единичный отсчет с большой амплитудой приводит к тому, что действующее значение тока за период превышает пороги срабатывания. Алгоритмы фильтрации сигналов на стороне электронных измерительных трансформаторов должны исключать появление таких «ложных» измерений.
И традиционные ТТ, и электронные ТТ обеспечили правильное преобразование как апериодической, так и периодической составляющей тока включения генератора.
При включении в сеть блока трансформатор — генератор были зафиксированы токи с апериодической составляющей. Осциллограмма включения блока приведена на рис. 8. Спектральный анализ зафиксированных токов дан на рис. 9, на котором для сравнения приведены токи, которые были зафиксированы микропроцессорным устройством РЗА, подключенным к традиционным трансформаторам тока, и цифровым устройством РЗА, подключенным к шине процесса. Отличий в зафиксированных токах не наблюдается, при этом следует отметить, что и традиционные ТТ, и электронные ТТ обеспечили правильное преобразование как апериодической, так и периодической составляющей тока включения генератора. Включение в сеть блока трансформатор — генератор и зафиксированные токи (галерея)
Рис. 10. Осциллограмма внешнего КЗ
Опыты, связанные с потерей синхронизации времени, приводили к полной неработоспособности релейной защиты. При реализации шины процесса IEC 61850 вопросам надежности системы синхронизации времени должно быть уделено максимальное внимание. При имитации внешних повреждений в сети электронные измерительные трансформаторы и устройства РЗА отработали правильно: происходили пуски функций в соответствии с заложенными алгоритмами (рис. 10). Ложных срабатываний устройств РЗА не наблюдалось.

Опытная эксплуатация

Опытная эксплуатация оборудования в течение длительного времени позволяет оценить надежность оборудования и увидеть реакцию устройств РЗА на реальные воздействия. 3 октября 2015 года во время выдачи блоком № 6 мощности в сеть в условиях сильного ветра с интервалом в 11 секунд произошло два внешних однофазных КЗ на землю фазы C в линии 110 кВ, которые были зафиксированы в результате пуска защит и осциллографа, подключенных к шине процесса. Во время КЗ пускались защиты от симметричной и несимметричной перегрузки генератора и дистанционная защита, которые отстроены по времени от таких КЗ в сети 110 кВ. Ток в фазе B генератора достигал 8,5 кА. Ложных срабатываний защит не происходило.
Рис. 11. Осциллограмма при повреждении оптического трансформатора тока
13 декабря 2017 года произошло КЗ в результате пробоя изоляции по внутренней части опорного изолятора оптического трансформатора тока (рис. 11). В результате повреждения оптического трансформатора тока повреждение с блока № 6 перешло на блок № 2, и, как следствие, затянувшееся КЗ устранялось работой защит двух блоков. Анализ работы защит показал правильное действие функций РЗА и электронных измерительных трансформаторов тока и напряжения. Замена электронных оптических трансформаторов тока и электронных трансформаторов напряжения в цепи выключателя 110 кВ силового трансформатора Т-6 была выполнена в 2018 году. В ноябре 2018 года были проведены испытания локальной сети полигона, опыты холостого хода генератора, включения в сеть с контролем синхронизма, набора мощности генератора до номинала, форсировки возбуждения генератора. В рамках испытаний была подтверждена работоспособность оборудования и готовность цифрового полигона к возобновлению опытной эксплуатации.

Заключение

В статье были представлены результаты заводских испытаний, приемочных комплексных испытаний на ГЭС и опытной эксплуатации, которые проводились в период 2015–2018 годов на действующем оборудовании блока генератор — трансформатор Нижегородской ГЭС. Приведен анализ опыта внедрения, испытаний и эксплуатации электронных измерительных трансформаторов, ПАС и устройств РЗА, реализующих шину процесса IEC 61850-9-2 и шину станции IEC 61850-8-1. В ходе испытаний были выявлены как проблемы, связанные с работой электронных измерительных трансформаторов, так и проблемы в работе микропроцессорных устройств РЗА и устройств ЛВС. В ходе испытаний были зафиксированы:
  • шумы в измеряемых токах (как на стороне 13,8 кВ, так и на стороне 110 кВ);
  • шумы периодического характера в напряжениях 110 кВ при опытах холостого хода;
  • выбросы тока нейтрали генератора и ложные срабатывания устройств МП РЗА при потере синхронизации времени;
  • кратковременное искажение сигналов тока при отсутствии признаков «плохого» качества сигналов в случае потери питания электронного блока электронного измерительного трансформатора.
Опытная эксплуатация позволила выявить конструктивные недостатки оборудования, которые в дальнейшем были устранены заводом-изготовителем.
В ходе испытаний были особо отмечены проблемы проведения испытательных мероприятий и возможные угрозы информационной безопасности, связанные с возможностью подачи в шину процесса потоков от наладочного оборудования, идентичных по параметрам потокам цифровых трансформаторов. Результаты испытаний послужили материалом для создания аналитического отчета и подготовки рекомендаций по развитию комплекса. Была также проведена значительная работа совместно с производителями устройств по устранению выявленных нарушений. Опытная эксплуатация позволила выявить конструктивные недостатки оборудования, которые в дальнейшем были устранены заводом-изготовителем электронных трансформаторов тока и напряжения. В соответствии с IEC 61850-9-2LE, электронный измерительный трансформатор тока генерирует 80 отсчетов за период для целей релейной защиты; в то же время производители устройств РЗА не стремятся изменять свои отработанные алгоритмы измерительных органов, поэтому используют только 20 отсчетов за период, остальные отсчеты игнорируются, принципы отсеивания остаются неизвестными, хотя целесообразным видится учет всего массива информации, т. е. всех отсчетов, формируемых электронными ТТ. Современные решения по созданию цифровых систем управления и релейной защиты повторяют решения на традиционных микропроцессорных устройствах с учетом среды передачи измерений и сигналов управления (шина процесса). Системы защит и управления на базе протоколов стандарта IEC 61850-9-2 применяются в виде испытательных полигонов и не внедряются в промышленных объемах. Для тиражирования технологии необходимо разработать общие требования к электронным измерительным трансформаторам, устройствам цифровой релейной защиты, алгоритмам обработки информации, принципам построения цифровых сетей, технического обслуживания, автоматизации проектирования и наладки новых технологических решений, внести соответствующие изменения в нормативно-техническую документацию. Представленные результаты отражают уникальный для генерирующего оборудования опыт реализации требований стандарта IEC 61850 для создания систем управления и релейной защиты. Выполненные комплексные испытания показали работоспособность и возможность внедрения на объектах энергетики инновационного комплекса, основанного на применении электронных оптических трансформаторов тока, электронных трансформаторов напряжения и цифровых устройств релейной защиты, автоматики и управления, работающих в соответствии с IEC 61850-9-2LE.