Digital Substation — инженерное издание, посвященное автоматизации IEC 61850, системам релейной защиты и цифровому интеллекту энергосетей.
Централизованная защита и управление подстанциями
2016-03-09T11:19:25+03:00
Рабочая группа К15 IEEE, подгруппа релейной защиты подстанции, опубликовала отчет, посвященный анализу состоятельности централизованного подхода к РЗА.
Этот отчет (.pdf) начинается с обзора усовершенствований в технологиях систем защиты и управления подстанций. После этого в отчете рассматриваются следующие вопросы:
приводится описание ЦРЗА и рассматривается ее история;
информация о некоторых существующих технологиях, которые можно использовать для поддержки ЦРЗУ;
обзор некоторых развивающихся технологий, поддерживающих высокоскоростную коммуникацию с высокой степенью надежности;
рассмотрение возможных вариантов архитектуры ЦРЗА с использованием стандартизованных коммуникационных технологий, приводится пример такой системы на базе типовой конфигурации распредустройства подстанции;
обсуждение надежности и анализ стоимости этих вариантов архитектуры ЦРЗА.
рассмотрение аспектов тестирования и технического обслуживания, а также обсуждение усовершенствованных вариантов применения, которые или невозможно реализовать, или трудно внедрить на объекте без применения принципа ЦРЗА;
Пример архитектуры ПС с применением принципов ЦРЗА
Данный отчет содержит в себе данные, нехваткой которых постоянно оперируют сторонники и противники ЦРЗА, - расчеты надежности и ТЭО. В конце документа приведено описание проекта iSAS, реализованного в Тюменьэнерго.
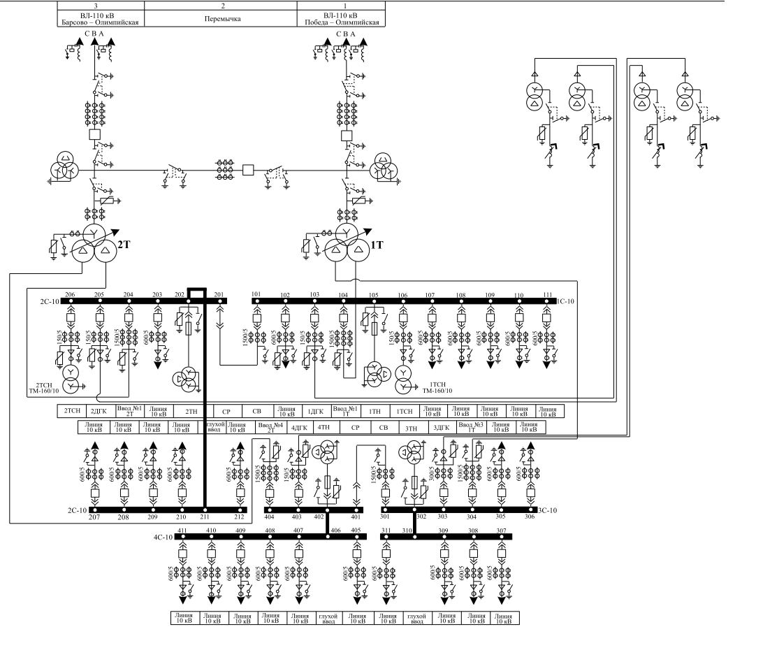
ПС 110 кВ «Олимпийская». Однолинейная схема
Также в отчете кратко была представлена информация о многообещающих развивающихся технологиях и перспективных системах, которые могли бы использовать методику ЦРЗА. Эти нестандартные варианты применения, будучи примененными соответствующим образом, в значительной степени увеличивают надежность систем релейной защиты и управления, и при этом энергосистема при умеренных затратах получит расширенные возможности по функционалу и ремонтопригодности - и с точки зрения замены оборудования, и с точки зрения обновления программного обеспечения. Реализация метода ЦРЗА потребует изменения подходов с точки зрения проектирования, производства, монтажа, тестирования, эксплуатации и технического обслуживания систем РЗА: этот пункт был особенно подчеркнут в настоящем отчете.