Современные системы, такие как системы мониторинга переходных режимов (СМПР), а также релейной защиты и автоматики (РЗА) с применением шины процесса, требуют высокой точности синхронизации времени в пределах 1 мкс. Эти требования являются более жесткими по отношению к требованиям других систем автоматизации подстанций (1-2 мс). Одновременно с этим cегодня в рамках систем автоматизации энергообъектов широкое распространение получают сети Ethernet, по которым осуществляется информационный обмен между SCADA-системами и устройствами РЗА, а также между отдельными устройствами РЗА. Протокол Precision Time Protocol (PTP) является протоколом синхронизации времени, функционирующим по сети Ethernet, не используя выделенные линии связи, и может обеспечить требуемую точность синхронизации времени для устройств РЗА, регистраторов переходных режимов, устройств сопряжения с шиной процесса и других устройств, требующих высокой точности временной синхронизации. Проблемы существующих протоколов синхронизации времени На энергообъектах синхронизация устройств по времени осуществляется уже достаточно много лет. В частности, она необходима для обеспечения возможности соотнесения событий, регистрируемых различными устройствами. При этом наибольшее число способов синхронизации времени обеспечивает точность в пределах 1 мс. С началом внедрения СМПР и систем РЗА с использованием шины процесса возникает необходимость в обеспечении более высокой точности синхронизации устройств по времени – в пределах 1 мкс. Различают два подхода к выполнению временной синхронизации вторичных устройств:
  • Используя независимую систему, включающую в себя выделенные каналы передачи информации и ретрансляторы.
  • Используя сеть Ethernet, по которой также производится обмен прикладной информацией между устройствами энергообъекта.
Последующие разделы рассматривают наиболее широко используемые способы синхронизации времени с указанием их достоинств и недостатков.

Использование независимых систем синхронизации времени

Исторически системы синхронизации времени на энергообъектах опирались на использование выделенных линий связи (коаксиальных, витой пары, волоконно-оптических линий связи (ВОЛС)). При этом использовались два протокола:
  • IRIG-B, предоставляющий информацию о времени и дате наряду с импульсами синхронизации.
  • 1-PPS, предоставляющий точный импульс синхронизации времени без информации о времени и дате.
При использовании данных протоколов обмен данными между устройствами РЗА и SCADA-системой, а также между отдельными устройствами РЗА не оказывает влияние на точность синхронизации. Однако стоит отметить, что независимые системы требуют больших затрат при реализации за счет необходимости использования дополнительной кабельной продукции, клеммников, ретрансляторов и др. Также требуется разработка набора соответствующей технической документации. Затраты могут оказаться значительными, в особенности при реализации систем синхронизации времени на объектах высокого напряжения. Рис. 1 иллюстрирует использование протокола IRIG-B для синхронизации устройств по времени и сети Ethernet для организации информационного обмена между устройствами. Вместо сети Ethernet может быть предусмотрено использование линий связи RS-485, что характерно для более старых энергообъектов.
PTP1
Рис. 1. Иллюстрация разделения систем синхронизации времени и обмена данными в рамках системы автоматизации подстанции.

Протокол IRIG-B

Наиболее распространённый протокол синхронизации времени, используемый на энергообъектах, - протокол IRIG-B. При реализации систем синхронизации на основе данного протокола требуется использование выделенных линий связи. Протокол может работать в одном из следующих форматов: с передачей информацией в виде импульсов по электрическим связям (коаксиальный кабель или витая пара) или ВОЛС, или с передачей модулированного сигнала с несущей частотой 1 кГц по коаксиальному кабелю. С течением времени протокол IRIG-B расширялся, преимущественно благодаря появлению стандартов IEEE, относящихся к реализации СМПР (IEEE Std 1344-1995, IEEE Std C37.118-2005 и IEEE Std C37.118.1-2011). Данные расширения обеспечивают возможность передачи информации о годе, временном смещении относительно всемирного скоординированного времени (UTC), переходе на летнее время и качестве информации. Вся эта информация используется устройствами систем автоматизации подстанций. Немодулированный сигнал IRIG-B позволяет достичь точности временной синхронизации в микросекундном диапазоне, однако большинство устройств-клиентов не могут обеспечить точность более 1-2 мс в силу своих технических характеристик. IRIG-B описывает несколько вариантов форматов передачи информации. Однако характеристики интерфейсов синхронизации времени устройств РЗА различных фирм-производителей отличаются, что не позволяет на сервере времени использовать лишь один формат передачи временного кода IRIG-B. Среди наиболее распространенных отличий – использование модулированного/немодулированного сигнала, использование в качестве опорного местного или всемирно скоординированного времени (UTC) и др. Различные варианты реализации протокола IRIG-B идентифицируются временным кодом. Например:
  • B003: немодулированный, без расширений на передачу информации о годе/расширений согласно стандартам IEEE.
  • B004: немодулированный, с расширениями на передачу информации о годе/расширениями согласно стандартам IEEE.
  • B124: с амплитудной модуляцией, с расширениями на передачу информацию о годе/с расширениями согласно стандарту IEEE.
Рис. 2 демонстрирует сравнение немодулированного и модулированного сигналов, используемых форматами временных кодов (в соответствии со стандартом IRIG Standard 200-04).
IRIG-B
Рис. 2. Форма модулированного и немодулированного сигнала IRIG-B.
Настройки устройств-клиентов, таких как устройств РЗА, должны быть согласованы с настройками ведущих часов: в части всемирно скоординированного времени (UTC)/локального времени, часового пояса и др. Гибкость настройки устройств РЗА значительно различается – даже при использовании устройств одного производителя. Некоторые из устройств РЗА могут быть настроены для приема почти всех форматов временного кода IRIG-B, многие имеют достаточно сильные ограничения в части параметрирования. Другие проблемы, которые влечет за собой применение протокола IRIG-B, включают в себя: необходимость учета нагрузки на сеть распространения сигналов синхронизации времени, обеспечение защиты от электромагнитных помех, гальваническую развязку цепей и необходимость обслуживания линий связи. Допустимая нагрузка на ведущие часы различается в диапазоне от 18 до 150 мА, при этом устройства РЗА различных фирм-производителей имеют различное потребление (от 5 мА до 10 мА). Указанное усложняет проектирование систем синхронизации времени для большого количества устройств РЗА – например, на распределительных подстанциях (6,6 – 33 кВ).

1-PPS (один импульс в секунду)

1-PPS (один импульс в секунду) может использоваться для обеспечения достаточно точной временной синхронизации, однако не предоставляет информацию об астрономическом времени. На сегодняшний день этого достаточно для реализации комплексов РЗА с использованием шины процесса, однако информация о времени, вероятно, потребуется в будущем для проставления меток времени событиям или криптографической аутентификации сообщений. Использование данного способа синхронизации времени предусмотрено стандартом МЭК 60044-8 и также введено в технических требованиях по реализации цифрового интерфейса для измерительных трансформаторов (известных как МЭК 61850-9-2LE). Разрабатываемый в настоящее время стандарт МЭК 61869-9 также допускает возможность использования данного метода синхронизации устройств по времени по выделенной волоконно-оптической линии связи. Рис. 3 иллюстрирует требования к импульсу 1PPS. Время изменения сигнала с уровня 10% до уровня 90% мощности (и наоборот) (tf) сигнала не должно превышать 200 нс. Время существования сигнала на уровне более 50% мощности (th) должно находиться в диапазоне от 10 мкс до 500 мс.
1PPS
Рис. 3. Графическое представление сигнала 1-PPS.
1-PPS требует наличие выделенной сети для распространения сигнала. В качестве физической среды передачи данных может использоваться либо электрическая линия связи (коаксиальная/витая пара), либо ВОЛС (многомод/одномод).

Задержка передачи сигналов синхронизации

Распространение сигналов IRIG-B и 1-PPS организуется значительно проще по электрическим связям, нежели по ВОЛС, поскольку могут предусматриваться многоточечные соединения с учетом допустимой нагрузки на ведущие часы, однако это может приводить к возрастанию потенциала между шкафами. Использование ВОЛС обеспечивает гальваническую развязку и исключает влияние помех, однако в этом случае требуется использование специальных ретрансляторов для распространения сигнала на каждое из устройств РЗА энергообъекта. В частности, МЭК 61850-9-2LE требует использования ВОЛС для передачи сигнала 1-PPS. Указанное, в свою очередь, требует использования либо часов с несколькими выходами, либо разветвителя для передачи сигнала более чем одному устройству сопряжения с шиной процесса. Задержка распространения сигнала по электрическим связям и ВОЛС составляет приблизительно 5 нс на метр. Результирующее значение может оказаться достаточно большим при протяженных связях и может, в свою очередь, потребовать необходимости компенсации задержки на устройствах-клиентах. МЭК 61850-9-2LE в качестве предельной задержки распространения сигнала устанавливает значение в 2 мкс - при превышении данного значения требуется компенсация. К такой задержке приведет наличие связи около 400 м, и на многих подстанциях высокого напряжения такие расстояния не предел. Компенсация – процесс ручной настройки, при выполнении которой нужно точно учитывать задержку распространения сигнала не только по линии связи, но и через используемые ретрансляторы. Более подробное исследование о задержках распространения сигналов синхронизации по протоколам 1-PPS, IRIG-B и PTP приведены в [1].

Синхронизация времени по сети Ethernet

Сети Ethernet, которые сегодня все более широко используются в рамках систем автоматизации подстанций, могут также применяться для передачи сигналов синхронизации времени. Указанное позволяет исключить необходимость в прокладке выделенных линий связи, однако требует от устройств РЗА, приборов учета электроэнергии и других вторичных устройств поддержки специальных протоколов. Наиболее широко распространены два протокола синхронизации времени: Network Time Protocol (NTP) и Precision Time Protocol (PTP). Оба протокола, когда применяются на подстанциях, функционируют, обмениваясь сообщениями по сети Ethernet. Протоколы NTP и PTP обеспечивают компенсацию временных задержек передачи сообщений синхронизации путем двухстороннего информационного обмена. Протокол NTP является более распространённым решением, чем протокол PTP, однако более высокая точность обеспечивается именно при применении последнего за счет использования специального аппаратного обеспечения. На рис. 4 проиллюстрирована топология сети, в рамках которой может применяться как протокол резервирования NTP, так и протокол резервирования PTP.
Рис. 4. Топология сети Ethernet, в которой могут применяться протоколы NTP и PTP. При использовании протокола PTP требуется применение специальных коммутаторов.
Рис. 4. Топология сети Ethernet, в которой могут применяться протоколы NTP и PTP. При использовании протокола PTP требуется применение специальных коммутаторов.
Механизм функционирования обоих протоколов допускает наличие нескольких ведущих часов, что повышает надежность функционирования системы синхронизации времени на энергообъекте. Кроме этого, наличие нескольких ведущих часов позволяет производить обслуживание одного из них без вывода всей системы из работы.

Протокол NTP

В течение последних лет протокол NTP широко применяется в рамках энергообъектов. При применении доступных на рынке серверов времени и клиентов (например, устройств РЗА), обладающих поддержкой данного коммуникационного протокола, достижима точность синхронизации времени в диапазоне от 1 до 4 мс. Однако одним из условий обеспечения такой точности является разработка правильной топологии локальной вычислительной сети Ethernet, в которой обеспечивается соответствие и постоянство времен распространения сообщений синхронизации времени от клиента к мастеру и в обратном направлении. Значительным преимуществом протокола NTP над IRIG-B является то, что передача времени производится в формате UTC. Это удовлетворяет требованиям таких стандартов как МЭК 61850 и IEEE 1815 (DNP), которые требует передачу меток времени событий в формате UTC. При необходимости отображения местного времени на дисплее устройства РЗА требуется ручная установка часового пояса с учетом соответствующего перехода на летнее время. Протокол NTP обеспечивает возможность одновременного использования нескольких серверов времени одним и тем же клиентом для более точной и надежной временной синхронизации. Однако данный протокол не позволяет обеспечить микросекундную точность синхронизации, которая требуется для СМПР и устройств сопряжения с шиной процесса МЭК 61850-9-2. Протокол PTP Стандарт IEEE Std 1588-2008 определяет вторую версию протокола PTP, известную как PTPv2 или 1588v2. Данный протокол обеспечивает высокую точность синхронизации времени, которая достигается путем фиксации меток времени сообщений синхронизации PTP на интерфейсах Ethernet на аппаратном уровне. Использование этих данных позволяет учитывать времена распространения сообщений синхронизации по сети и их обработки серверами времени и клиентами. Процедура проставления меток времени на аппаратном уровне не оказывает влияния на функционирование других коммуникационных протоколов, существующих в рассматриваемой сети Ethernet, поэтому этот же порт может использоваться для трансляции данных согласно протоколам стандарта МЭК 61850, DNP3, МЭК 60870-5-104, Modbus/IP и другим коммуникационным протоколам. Наличие возможности проставлять метки времени на аппаратном уровне приводит к значительному удорожанию коммутаторов Ethernet. Что касается поддержки протокола PTP в устройствах РЗА, то лишь последние модификации устройств некоторых фирм-производителей поддерживают данный протокол, иногда это доступно лишь только в качестве опции. Протокол PTP обеспечивает возможность наличия в сети нескольких устройств, способных выступать в качестве серверов времени; при этом предполагается, что все они участвуют в голосовании между собой на выбор самых точных часов – гроссмейстерских. Если вдруг гроссмейстерские часы отказывают или же ухудшаются показатели их функционирования, роль гроссмейстерских часов на себя могут взять другие часы, претендующие на эту роль. Количество времени, которое уходит на данную процедуру, может быть различным, однако если настройки протокола PTP (также именуемые профилем) оптимизированы для его применения на объектах электроэнергетики, то на это уходит не более 5 секунд. Введение в PTP Протокол PTP является чрезвычайно гибким и может быть использован в различных областях, где требуется временная синхронизация, обеспечивая точность до 10 нс. Более высокая точность стала достижимой с появлением второй версии протокола, в которой было введено понятие прозрачных часов, роль которых выполняют коммутаторы Ethernet. Прозрачные часы осуществляют измерение времени прохождения сообщений синхронизации через коммутаторы, которое может изменяться в зависимости от информационной загрузки сети. Информация об измеренном времени передается другим устройствам на пути распространения сообщения синхронизации. Указанный механизм позволяет достичь высокой точности синхронизации времени в рамках локальной сети Ethernet. Использование прозрачных часов означает, что сообщения протокола синхронизации PTP не требуют приоритезации относительно другого трафика, имеющегося в сети, что упрощает процесс проектирования сети и настройки сетевого оборудования.

Терминология

Стандарт IEEE Std 1588-2008 определяет несколько терминов, применимых для систем, функционирующих по условиям протокола PTP. Основными являются следующие термины:
  • Гроссмейстерские часы - часы, являющиеся основным источником данных о времени при синхронизации согласно протоколу PTP, которые, как правило, оснащаются встроенным приемником сигналов GPS (или другой системы).
  • Ведущие часы - часы, являющиеся источником данных о времени, по которым синхронизируются другие часы в сети.
  • Ведомые часы - конечное устройство, которое синхронизируется по протоколу PTP; это может быть устройство РЗА с нативной поддержкой протокола PTP или преобразователь, который с одной стороны получает информацию в формате протокола PTP, а с другой – формирует данные в формате протоколов IRIG-B или 1-PPS.
  • Прозрачные часы - коммутатор Ethernet, который измеряет время прохождения сообщения синхронизации через себя и предоставляет измеренное значение часам, получающим сообщение синхронизации далее.
  • Граничные часы - часы, которые оснащаются несколькими портами PTP и могут выступать ведущими часами; например, могут быть ведомыми по отношению к вышестоящим источникам сигналов времени и выступать в качестве ведущих по отношению к нижестоящим устройствам.
В сети должны присутствовать, как минимум, одни гроссмейстерские и одни ведомые часы. Однако во многих случаях, учитывая необходимость объединения многих устройств в одну сеть, понадобится использование коммутаторов, которые, в простейшем случае, будут выполнять роль прозрачных часов. Они могут также выполнять роль граничных часов, что в некоторых случаях позволяет достичь более высокой точности синхронизации времени (так это или нет, зависит от конкретного производителя). Рис. 5 иллюстрирует комплекс, в котором реализуется временная синхронизация согласно протоколу PTP. В данном примере гроссмейстерские часы способны получать информацию о точном времени не только от системы глобального позиционирования, но и из внешней сети по протоколу PTP. Указанное решение реализовано для резервирования отказа приемника сигналов точного времени или соответствующих внешних соединительных цепей. В случае перехода на использование сигналов точного времени из внешней сети часы перестают быть гроссмейстерскими и принимают на себя роль граничных часов. В изображенном комплексе также используются два вида ведомых часов: устройства РЗА с нативной поддержкой PTP и преобразователи в формат IRIG-B и 1-PPS, предоставляющие информацию о точном времени для конечных устройств, не поддерживающих протокол PTP.
Рис. 5. Система, функционирующая по условиям протокола PTP, с использованием ведущих часов, прозрачных часов и набором ведомых устройств.
Рис. 5. Система, функционирующая по условиям протокола PTP, с использованием ведущих часов, прозрачных часов и набором ведомых устройств.

Функционирование в одно- и двухстадийном режиме

Принцип функционирования протокола PTP опирается на то, что точно известны время передачи сообщения синхронизации типа Sync (как раз это сообщение передает информацию о времени) и время получения этого сообщения на интерфейсе Ethernet ведомых часов. Точное время передачи данного сообщения неизвестно до тех пор, пока оно не было отправлено. В интерфейсах Ethernet с поддержкой протокола PTP обеспечивается проставление меток времени сообщениям на аппаратном уровне, а затем эта информация передается в центральный процессор гроссмейстерских часов. После этого производится формирование сообщения типа Follow Up, которое и передает эту точную метку времени передачи сообщения типа Sync всем ведомым устройствам. При этом прозрачные часы дополняют это сообщение информацией о задержке передачи данного сообщения по сети (сумма канальной задержки и времени перенаправления сообщения). Использование комбинации сообщений типа Sync и Follow Up и называют двухстадийным режимом работы протокола PTP. Во второй версии протокола PTP (PTPv2) была введена возможность изменения содержимого сообщения PTP в процессе его передачи на аппаратном уровне. При реализации данного метода исключается необходимость в сообщениях типа Follow Up, данный режим функционирования протокола PTP называется одностадийным. Гроссмейстерские часы с поддержкой данного режима выполняют передачу сообщений типа Sync с информацией о точном времени их формирования, прозрачные часы производят оценку задержек передачи сообщений данного типа (по сети и через себя) и включают данные об измеренных задержках в эти же сообщения типа Sync вместо того, чтобы включать эти данные в сообщения типа Follow Up. Указанный режим работы предполагает меньшую информационную нагрузку на сеть, однако требует использования более сложных и дорогостоящих устройств. Комплексы, функционирующие по условиям протокола PTP, могут включать в себя гроссмейстерские часы, способные работать в одно- и в двухстадийном режиме. В таких комплексах ведомые часы должны быть способны учитывать информацию о возникающих задержках передачи сообщений синхронизации непосредственно из этих сообщений, формируемых одностадийными прозрачными часами, а также из сообщений типа Follow Up, формируемых двухстадийными прозрачными часами.

Профиль PTP для электроэнергетики (Power Profile)

Стандарт на протокол PTP предполагает несколько его модификаций, которые являются взаимоисключающими. Вторая версия протокола PTP (PTPv2) предполагает концепцию профилей, которые ограничивают значения ряда параметров и требуют использования отдельных аспектов протокола для различных областей применения. Профиль для электроэнергетики (Power Profile) описан в документе IEEE Std C37.238-2011, который закрепляет ряд параметров для обеспечения точности синхронизации времени в пределах 1 мкс для топологий, наиболее распространенных в рамках комплексов автоматизации подстанций. Данный профиль также определяет базу управляющей информации (MIB – Management Information Base) для протокола SNMP, которая обеспечивает возможность контроля ключевых параметров устройств при использовании стандартных программ мониторинга. Благодаря этому становится возможным выполнять контроль за функционированием системы синхронизации времени в режиме реального времени с формированием сигнализации в случае возникновения нештатных ситуаций. Профиль для электроэнергетики требует, чтобы погрешности, вносимые каждыми отдельными прозрачными часами, не превышали 50 нс. Указанное требуется для обеспечения точности синхронизации не более 1 мкс при организации топологии локальной сети, включающей в себя 16 коммутаторов Ethernet (например, в составе кольцевой топологии). При этом допустимая погрешность для GPS часов устанавливается на уровне 200 нс. Профиль PTP требует использования прозрачных часов, поддерживающих пиринговый механизм определения канальных задержек, и того, чтобы передача всех сообщений протокола PTP производилась на канальном уровне в режиме групповой рассылки (мультикаст). Пиринговый механизм определения задержек подразумевает, что каждое устройство с поддержкой PTP обменивается сообщениями со смежными устройствами для измерения канальных задержек передачи сообщений между ними. Полная временная задержка передачи сообщений синхронизации определяется как сумма канальных задержек и задержек обработки сообщений прозрачными часами, возникающими по маршруту распространения сообщений от гроссмейстерских до ведомых часов. Указанный режим работы имеет два достоинства:
  1. Сетевой трафик, видимый гроссмейстерскими часами, не увеличивается с расширением сети. Гроссмейстерские часы обмениваются сообщениями только со смежным Ethernet коммутатором (прозрачными или граничными часами).
  2. Производится автоматическая компенсация задержек передачи сообщений, в случае если отказывает основной коммуникационный маршрут и включается резервный. Измерение канальных задержек производится по каждой линии связи, включая те, которые могут быть заблокированы протоколами семейства STP.
Не все производители оборудования с поддержкой протокола PTP поддерживают профиль для электроэнергетики, однако стоит отметить, что и стандартный профиль, описанный в Приложении J.4 стандарта или в документе IEEE Std 1588-2008, может обеспечивать требуемую точность при корректной конфигурации системы. При использовании профиля, отличного от профиля для электроэнергетики, не гарантируется, что информация, необходимая для устройств систем автоматизации подстанций, такая как временная погрешность и применимый часовой пояс, могут быть доступны клиентам. Также не гарантируется соответствие требуемым характеристиками в части производительности функционирования протокола (Приложение J.4 не определяет требования к производительности). Для преобразования между различными профилями могут использоваться граничные часы. Например, граничные часы могут обеспечивать преобразование между телекоммуникационным профилем (ITU-T Rec. G.82651.1 Telecommunications Profile) и профилем для электроэнергетики (IEEE Std C37.238 Power Profile). Получение информации о точном времени из внешней сети по телекоммуникационному профилю может обеспечивать резервирование отказа приемника сигналов GPS на гроссмейстерских часах. В этом случае, как уже было указано ранее, они будут принимать на себя роль граничных часов.

Типы сообщений протокола PTP

Профиль протокола PTP для электроэнергетики предусматривает использование 4 классов сообщений:
  1. Сообщения типа Sync. Данные сообщения включает информацию о времени, передаваемую от ведущих часов в формате числа секунд и наносекунд с полуночи 1 января 1970 года.
  2. Сообщения типа Peer Delay. Обмен этими сообщениями производится между смежными устройствами для оценки задержки распространения сообщений синхронизации по линии связи между ними. Используются два или три отличных типа сообщений для измерения задержки, в зависимости от того, используется ли одно- или двухстадийный режим работы.
  3. Сообщения типа Follow Up. Данные сообщения включают точную метку времени отправки предыдущего сообщения типа Sync, а также корректирующее значение. Корректирующее значение – сумма времен обработки сообщений прозрачными часами и канальных задержек на пути распространения сообщений между гроссмейстерскими часами и данной точкой сети. Представляется в формате наносекунд и долей наносекунд.
  4. Сообщения типа Announce. Передача данных сообщений  производится гроссмейстерскими часами, которые предоставляют данные о погрешности функционирования источника (например, GPS приемника) и другую служебную информацию протокола PTP.
Рис. 6-8 иллюстрируют, как производится обмен сообщениями в небольшой сети при использовании часов, работающих в двухстадийном режиме (поскольку наибольшее число устройств не поддерживает работу в одностадийном режиме). Сообщения типа Sync передаются прозрачными часами в неизменном виде. ta – показание времени на гроссмейстерских часах. Таким же образом производится передача и сообщений типа Announce.
Рис. 6. Графическое представление маршрута распространения сообщения типа Sync по сети.
Рис. 6. Графическое представление маршрута распространения сообщения типа Sync по сети.
Обмен сообщениями типа Peer Delay (Peer Delay Request, Peer Delay Response and Peer Delay Follow Up) производится только между соседними устройствами.
Func2
Рис. 7. Обмен сообщениями типа Peer Delay производится только между соседними устройствами.
Каждые прозрачные часы определяют канальную задержку передачи сообщений между собой и смежными устройствами. При прохождении сообщений типа Sync через прозрачные часы они выполняют расчет локального корректирующего значения путем суммирования канальной задержки по маршруту поступления сообщения и времени прохождения сообщения типа Sync через них. Затем данное локально вычисленное корректирующее значение добавляется к корректирующему значению соответствующего входящего сообщения типа Follow Up. Когда сообщение типа Follow Up поступает на ведомые часы к корректирующему значению, добавляется определенное ими значение канальной задержки. Результирующее корректирующее значение будет представлять собой суммарное время передачи сообщения типа Sync по сети от ведущего до ведомого устройства. Поскольку в это суммарное время делает вклад каждый элемент сети на пути распространении сообщения типа Sync, пиринговый механизм измерения канальных задержек профиля Power Profile, описанный выше, обеспечивает корректное функционирование протокола в условиях изменения топологии сети. Важно отметить, что несмотря на то, что сообщения типа Follow Up могут выглядеть идентично, они будут отличаться в каждой точке сети. Прозрачные часы изменяют содержимое этих сообщений, сохраняя неизменным адрес гроссмейстерских часов. На рис. 8 tb – фактическое время формирования гроссмейстерскими часами сообщения синхронизации, которое по значению близко, но не идентично времени ta. Каждые ведомые часы фиксируют момент получения сообщений типа Sync и благодаря фиксации времени прохождения сообщений через прозрачные часы и канальных задержек, сумма которых представляет собой корректирующее значение, могут учитывать переменные задержки передачи сообщения Sync.
Func3
Рис. 8. Сообщения типа Follow Up содержат корректирующее значение, которое обновляется каждыми прозрачными часами на пути его распространения.
Достоинства и недостатки использования профиля PTP для электроэнергетики Использование профиля PTP для электроэнергетики (Power Profile) предоставляет ряд преимуществ:
  • Точность синхронизации времени не зависит от объема сетевого трафика. При возникновении перегрузок сетевого оборудования потери сообщений PTP не происходит. Указанное позволяет использовать одну и ту же инфраструктуру локальной сети при реализации СМПР и комплексов РЗА как с использованием шины процесса в соответствии с МЭК 61850-9-2, так и с использованием шины станции в соответствии с МЭК 61850-8-1 (с трафиком GOOSE и/или MMS), а также комплексов, функционирующих на основе других коммуникационных протоколов (DNP3 и др.).
  • Частота передачи сообщений PTP была оптимизирована для того, чтобы обеспечить микросекундную точность синхронизации без чрезмерной нагрузки на сеть и без необходимости использования сложных ведомых часов.
  • В качестве физической среды передачи данных могут использоваться как оптические, так и электрические (витая пара) линии связи – все зависит от конфигурации выбранных коммутаторов.
  • Используется единая система отсчета времени, поэтому отсутствуют сложности настройки устройств относительно всемирного скоординированного времени (UTC)/местного времени. Все устройства с поддержкой профиля для электроэнергетики используют международное атомное время (TAI), для которого не применимы проблемы использования корректировочных секунд и перехода на летнее время.
  • Профиль для электроэнергетики обеспечивает передачу местного временного смещения, поэтому отсутствует необходимость настройки местного времени на устройствах РЗА. Помимо этого, любые изменения в части перехода на летнее время достаточно выполнять на гроссмейстерских часах, не изменяя настроек устройств РЗА. Данный механизм определен стандартом IEEE 1588, поэтому обеспечивается совместимость и с устройствами, не поддерживающими профиль PTP для электроэнергетики.
  • Может быть предусмотрено использование резервных гроссмейстерских часов c автоматическим переключением на них в случае нарушения связи с действующими гроссмейстерскими часами или при ухудшении показателей их функционирования.
  • Для повышения надежности информационного обмена между устройствами с поддержкой протокола PTP могут использоваться такие протоколы как Rapid Spanning Tree Protocol (RSTP), Parallel Redundancy Protocol (PRP) и High-availability Seamless Ring (HSR).
  • Может производиться масштабирование сетей без дополнительной нагрузки на гроссмейстерские часы.
  • Задержки распространения сообщений синхронизации времени по протяженным линиям связи автоматически компенсируются, что исключает необходимость подстройки устройств сопряжения с шиной процесса и регистраторов переходных режимов.
Более подробная информация о проверках быстродействия переключения на использование резервных гроссмейстерских часов приведена в [2]. Материал рассматривает такие сценарии как потеря сегмента сети Ethernet с действующими гроссмейстерскими часами и потеря ими сигнала GPS. Протокол PTP является достаточно сложным протоколом, и для того чтобы обеспечить требуемую точность синхронизации времени, должен быть учтен ряд моментов. Кроме этого, в рамках системы автоматизации энергообъекта возникают новые риски. Следует отметить следующие аспекты применения протокола PTP:
  • Коммутаторы Ethernet должны поддерживать профиль PTP для электроэнергетики с возможностью сигнализации недопустимой погрешности функционирования. Не все прозрачные часы с поддержкой PTP (и в частности, с поддержкой пирингового механизма определения канальных задержек) способны обеспечивать погрешность менее 50 нс. Также не все прозрачные часы способны производить оценку возникающих погрешностей.
  • На рынке существует ограниченное число устройств РЗА с поддержкой профиля PTP для электроэнергетики, однако ситуация улучшается. Ряд производителей выпускает устройства РЗА с поддержкой PTP с 2013 года, но поддержка протокола может являться опциональной, и необходимость в ней определяется при заказе.
  • Не каждые гроссмейстерские или ведомые часы (включая преобразователи в формат других протоколов синхронизации времени) предназначены для использования на высоковольтных подстанциях, хотя они и могут поддерживать профиль PTP для электроэнергетики. Оборудование должно быть испытано на устойчивость к электромагнитным помехам в соответствии с определенными степенями жесткости.
  • Синхронизация времени имеет большое значение для СМПР и шины процесса МЭК 61850-9-2. Важно, чтобы только специально обученный персонал обладал возможностью изменения конфигурации устройств с поддержкой PTP (либо при использовании специальных конфигураторов, либо при использовании веб-сервера, либо посредством протокола SNMP). Если устройства с поддержкой PTP допускают конфигурирование через лицевую панель, тогда доступ должен быть ограничен паролем.
  • Существуют различные профили протокола PTP, каждый из которых оптимизирован для определенных областей применения. Наиболее полно требованиям систем автоматизации энергообъектов удовлетворяет профиль PTP для электроэнергетики (Power Profile), однако может применяться и профиль по умолчанию (Default Profile). При этом не гарантируется обеспечение достаточной точности временной синхронизации для всех систем. Другие специфические профили, такие как телекоммуникационный профиль или профиль для аудио-видео приложений (IEEE 802.1AS), скорее всего не обеспечат требуемых показателей функционирования.
Примеры использования протокола PTP на объектах электроэнергетики В настоящем разделе рассматриваются два примера использования протокола PTP в рамках систем автоматизации высоковольтных электрических подстанций. Первый пример описывает применение протокола PTP в рамках системы автоматизации подстанции нового строительства, второй – при модернизации существующей подстанции. В рамках примеров также рассматривается структура информационной сети Ethernet. Предполагается, что структура сети не только обеспечивает возможность применения протокола PTP, но также удовлетворяет требованию по сохранению функций при единичном отказе (оборудования или линии связи).

Применение протокола PTP на энергообъектах нового строительства

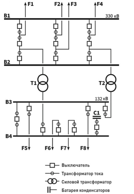
Многие устройства РЗА обладают функцией регистрации переходных режимов в соответствии с IEEE C37.118.1 (или предшествующими стандартами). Практическая реализация данной функциональности требует обеспечения синхронизации устройств по времени с микросекундной точностью. Исторически использовалась синхронизация времени по протоколу IRIG-B, поскольку протокол NTP не удовлетворял требованиям в части точности. Сегодня ряд производителей предлагает решения с поддержкой протокола PTP, что позволяет удовлетворить требованиям в части точности. При этом протокол NTP может также использоваться для синхронизации остальных устройств РЗА энергообъекта, выполняющих функции регистрации аварийных событий. В настоящем примере рассматривается средняя по величине подстанция 330/132 кВ для демонстрации простоты использования протокола PTP. При этом рассматривается реализация функций регистрации переходных режимов, хотя протокол PTP также может использоваться для синхронизации устройств сопряжения с шиной процесса в рамках того же энергообъекта. Однолинейная схема объекта приведена на рис. 9.
SingleLinePTP
Рис. 9. Однолинейная схема ПС 330/132 кВ c полуторной схемой РУ 330 кВ и одиночной секционированной системой шин РУ 132 кВ.
Обычно электросетевые компании принимают один из двух вариантов размещения оборудования: устройства РЗА размещаются в рамках единого помещения или же в рамках нескольких модульных зданий (высокой заводской готовности), которые располагаются на территории объекта. Используемый подход определяет топологию локальной сети Ethernet и требуемый уровень надежности. В настоящем примере топология сети разрабатывается исходя из того, что устройства РЗА элементов 330 кВ и 132 кВ устанавливаются в отдельных зданиях. Для упрощения на рис. 10 показаны лишь некоторые из устройств. Резервные соединения не используются, и изображено только по одному комплекту защит. Для применения на объекте были выбраны устройства General Electric серии UR, в состав функций которых включена функция регистрации переходных режимов. При этом устройства РЗА поддерживают протокол PTP (вместо наиболее широко распространенного интерфейса IRIG-B). На объекте также предусмотрено использование устройства РЗА батареи конденсаторов ABB серии REV615, которое обладает поддержкой протокола PTP.
Рис. 10. Топология локальной сети Ethernet подстанции 330/132 кВ с двумя зданиями, в которых размещается оборудование РЗА, и одним зданием, в котором размещается АРМ диспетчера и коммуникационное оборудование для передачи данных на верхний уровень
Рис. 10. Топология локальной сети Ethernet подстанции 330/132 кВ с двумя зданиями, в которых размещается оборудование РЗА, и одним зданием, в котором размещается АРМ диспетчера и коммуникационное оборудование для передачи данных на верхний уровень
Основным источником времени являются гроссмейстерские часы, оснащенные приемником спутникового сигнала. Рекомендуется, чтобы гроссмейстерские PTP также являлись ведущими часами NTP, поскольку протокол NTP может использоваться коммуникационными контроллерами, шлюзами, приборами учета электроэнергии и устройствами РЗА, которые требуют миллисекундной точности синхронизации времени. Коммутаторы Ethernet используются для распределения сообщений протокола PTP наряду с другим трафиком, таким как МЭК 61850, DNP3, HTTP, SNMP и др. Объем трафика PTP чрезвычайно мал, он составляет приблизительно 420 байт/с и не оказывает влияние на функционирование сети. Рис. 11 иллюстрирует трафик PTP, формируемый гроссмейстерскими часами производства компании Tekron. Из рисунка видно, что гроссмейстерские часы формируют сообщения типа Sync (красное), Follow Up (малиновое), Announce (голубое) и Peer Delay Request (зеленое) один раз в секунду, а также формируют ответы типа Peer Delay Response (желтое) и Peer Delay Response Follow Up (коричневый). Проиллюстрированный режим двухстадийной работы создает наибольший трафик – это наихудший случай.
PTPWireshark
Рис. 11. Трафик PTP, формируемый двухстадийными гроссмейстерскими часами.
Корневой коммутатор находится в центре топологии локальной сети Ethernet энергообъекта. К данному коммутатору выполняется подключение коммуникационного сервера и АРМ диспетчера. В приведенной схеме также предусмотрено использование двух других коммутаторов: одного в ОПУ 330 кВ, второго – в ОПУ 132 кВ. Указанное решение позволяет сократить количество кабеля, необходимого для подключения устройств РЗА. Коммутаторы, установленные в каждом из ОПУ, обеспечивают возможность информационного обмена между устройствами РЗА (например, GOOSE-сообщениями с сигналам пуска УРОВ, запрета АПВ  и др.). Указанное обеспечивает работоспособность распределенных функций при отказе связи с центральным коммутатором. Количество используемых коммутаторов обусловлено балансом между следующими аспектами:
  • Гибкостью: большее количество коммутаторов означает большее количество портов.
  • Надежностью: чем больше в системе коммутаторов, тем больше вероятность отказа единичного коммутатора.
  • Эксплуатационная надежность: если коммутатор отказывает, управление сколькими элементами вы потеряете?
Применение PTP хорошо вписывается в традиционные решения по применению локальных сетей электросетевыми компаниями. Профиль PTP для электроэнергетики (Power Profile) допускает функционирование в условиях наличия избыточных каналов связи при использовании протокола резервирования протокола RSTP, поскольку оценка канальных задержек производится, в том числе, по логически заблокированным линиям связи. При распространении сообщений PTP по альтернативным маршрутами сети корректирующее значение в сообщениях PTP типа Follow Up будет определять задержку по новому маршруту. Одно из решений, которое должно быть принято при создании системы синхронизации времени, - должны ли коммутаторы работать в режиме прозрачных или граничных часов. Наиболее простой режим –прозрачных часов. При использовании данного режима поиск неисправностей в сети при использовании анализаторов трафика (например, приложения Wireshark) значительно проще. Достоинством применения граничных часов является то, что они разделяют действующие гроссмейстерские часы от ведомых часов. Это обеспечивается благодаря тому, что в граничных часах поддерживается актуальное показание часов вместо того, чтобы просто производить оценку времен прохождения сообщений синхронизации. Рассмотрим сценарий отказа линии связи между корневым коммутатором и коммутатором, установленным в ОПУ 132 кВ, который выполняет роль прозрачных часов. В этом случае будет иметь место отклонение показаний каждых ведомых часов (устройств РЗА) от истинного времени и друг от друга в связи с различием характеристик встроенных генераторов колебаний. Скорость увеличения расхождения показаний будет зависеть от нескольких факторов, включая качество генератора колебаний и изменения температуры. Если нарушение связи будет продолжаться достаточно долго, то отличие показаний времени устройств РЗА элементов уровня напряжения 132 кВ может стать значительным. Указанная ситуация идентична ситуации, когда производится обрыв линии связи, обеспечивающей синхронизацию по IRIG-B при традиционном решении. Если же коммутатор в ОПУ 132 кВ выполняет роль граничных часов, то ведомые устройства будут синхронизироваться с граничными часами. В нормальном режиме работы граничные часы будут синхронизированы с гроссмейстерскими часами. Если же связь с гроссмейстерскими часами нарушается, тогда устройства РЗА остаются синхронизированными с граничными часами. Локальное время на граничных часах будет медленного отклоняться от показаний времени гроссмейстерских часов – это также будет происходить с ведомыми часами, с той же скоростью. При этом все устройства РЗА будут синхронизированы друг с другом. В этой ситуации качество исполнения внутренних часов в устройствах РЗА не имеет значения.

Замена системы синхронизации времени: IRIG-B на PTP

Могут возникать ситуации, когда требуется выполнение замены существующей системы синхронизации времени, например, при внедрении новых по функциональности комплексов на энергообъекте. Приведенный пример рассматривает сценарий расширения подстанции, при котором возникает требование по возведению отдельного ОПУ. На существующей подстанции сеть Ethernet используется для реализации обмена данными между устройствами РЗА, а для синхронизации устройств по времени используется протокол IRIG-B. В качестве среды передачи данных как для ЛВС Ethernet, так и для системы синхронизации времени используются волоконно-оптические линии связи, поскольку данная среда обеспечивает высокую помехозащищённость и гальваническую развязку. Ретрансляторы используются для преобразования сигналов IRIG-B, передаваемых по оптической линии связи, в электрические сигналы IRIG-B, которые подаются непосредственно на интерфейсы устройств РЗА. Рис. 12 иллюстрирует однолинейную схему ПС 330/132 кВ, имеющиеся здания ОПУ и коммуникационные связи между зданиями до расширения.
PTPRefurbishment1
Рис. 12. Однолинейная схема ПС 330/132 кВ с отображением количества зданий ОПУ, связей между ними и структуры системы синхронизации времени.
Электросетевая компания реализует проект расширения распределительного устройства 330 кВ с установкой еще одного силового трансформатора 330/132 кВ. Предусматривается сооружение еще одного здания ОПУ, в котором будут установлены устройства РЗА и другое оборудование. Несмотря на то, что представляется возможным провести сигнал IRIG-B из ОПУ 132 кВ, указанное будет сопровождаться дополнительными погрешностями синхронизации времени из-за большой протяженности линии связи. Указанное расширение подстанции предоставляет хорошую возможность получить опыт использования протокола PTP. При этом количество оборудования, замену которого необходимо произвести, оказывается достаточно мало. Если ведущие часы, подключенные к GPS, не реализуют поддержку протокола PTP, тогда требуется их замена. В данном проекте было выбрано оборудование компании Tekron – модель TCG 01-G, которая поддерживает как протокол PTP, так и протокол NTP. Если корневой коммутатор Ethernet не поддерживает профиль PTP для электроэнергетики (Power Profle), тогда он должен быть заменен на тот, который эту поддержку реализует (в данном проекте была выполнена замена на коммутатор GE Multilink ML3000). При этом должна быть задокументирована конфигурация прежнего коммутатора в части виртуальных локальных сетей, многоадресной фильтрации, конфигурации портов и протокола SNMP для того, чтобы повторить их на новом коммутаторе. На заключительном этапе предусматривается использование в рамках нового ОПУ преобразователя из формата протокола PTP в формат IRIG-B. Указанный преобразователь обеспечивает возможность подключения устройств РЗА с интерфейсом IRIG-B. Любые коммутаторы Ethernet, установка которых предусматривается в новом ОПУ, должны поддерживать либо роль прозрачных, либо роль граничных часов в соответствии с профилем PTP для электроэнергетики. Рис. 13 иллюстрирует схему подстанции после расширения. При расширении объекта также стоит узнать, могут ли устанавливаемые устройства РЗА поддерживать протокол PTP. Если да, то указанное может исключить необходимость использования преобразователей, а также получить дополнительный опыт использования протокола PTP в конечных устройствах.
PTPRefurbishment2
Рис. 13. Схема подстанции после расширения (установки дополнительного силового трансформатора, расширения распределительного устройства 330 кВ и строительства нового ОПУ).
В предложенной архитектуре построения системы синхронизации времени не требуется выполнять компенсацию времени распространения сигналов синхронизации для устройств, размещаемых в новом ОПУ, поскольку указанное обеспечивается пиринговым механизмом определения временных задержек профиля PTP для электроэнергетики (Power Profile). Указанное упрощает задачу наладки СМПР и других систем, требующих микросекундной точности синхронизации времени. В части конструкции шкафов может возникнуть только одно изменение, связанное с необходимостью установки преобразователей PTP (по одному – на каждый шкаф), назначение которых - исключить необходимость прокладки выделенных линий связи для передачи сигналов IRIG-B. Уже сегодня многие электросетевые компании уходят от использования медных кабельных связей между шкафами РЗА, объединяя устройства шкафов в единую сеть Ethernet. В такой ситуации может быть использовано еще одно преимущество данного подхода - использование протокола PTP, сообщения которого передаются по той же сети Ethernet, что и сигналы устройств РЗА. Рис. 14 иллюстрирует традиционную систему синхронизации времени с использованием IRIG-B (с моделированным/немодулированным сигналом). Все устройства РЗА подключаются к системе АСУ ТП через интерфейсы Ethernet, однако на более старых энергообъектах устройства могут подключаться и через интерфейс RS-485 (при использовании протоколов DNP3 или МЭК 60870-5-101).
TraditionalLayout
Рис. 14. Традиционная система синхронизации времени и коммуникационные связи между устройствами.
При использовании протокола PTP коммуникации между шкафами целесообразно организовывать по волоконно-оптическим линиям связи. Ведомые часы PTP, такие как преобразователь из протокола PTP, используются для преобразования в формат одного из стандартных протоколов синхронизации времени (в приведенном примере -  IRIG-B). Формирование сигналов IRIG-B данными преобразователями в каждом отдельном шкафу дает возможность иметь различный формат времени и отличные временные зоны по сравнению со сценарием использования единого сервера времени, транслирующего данные в формате протокола IRIG-B. Рис. 15 иллюстрирует пример того, как протокол PTP может быть использован для синхронизации по времени существующих устройств РЗА с использованием преобразователя из формата PTP в формат одного из стандартных протоколов и одновременной синхронизации по времени современных устройств РЗА с поддержкой PTP.
Рис. 15. Синхронизация по времени по протоколу PTP с использованием отдельных преобразователей из протокола PTP в один из стандартных протоколов синхронизации и устройств РЗА с нативной поддержкой протокола PTP.
Рис. 15. Синхронизация по времени по протоколу PTP с использованием отдельных преобразователей из протокола PTP в один из стандартных протоколов синхронизации и устройств РЗА с нативной поддержкой протокола PTP.
Применение протокола PTP при расширении и модернизации существующих энергообъектов предоставляет возможность электросетевым компаниям и интеграторам получить опыт использования протокола PTP. В дальнейшем также может быть получен опыт использования устройств РЗА с нативной поддержкой протокола PTP. Если электросетевая компания только переходит к внедрению коммуникации по локальной сети Ethernet между устройствами РЗА, то следует обратить внимание на возможность поддержки используемыми коммутаторами протокола PTP. Необходимо убедиться, что коммутаторы поддерживает протокол на аппаратном уровне – поддержка отдельных профилей PTP может быть реализована и на последующих этапах путем изменения базового программного обеспечения коммутаторов Ethernet. Построение резервированных сетей с использованием протокола PTP Выше были рассмотрены аспекты использования PTP в рамках нового энергообъекта. В данном разделе рассматриваются основные принципы использования протокола PTP в резервируемых сетях Ethernet. При этом необходимо отметить фундаментальные принципы:
  • Отказ любого устройства сети или линии связи не должен приводить к отказу функции защиты и управления более чем одним присоединением распределительного устройства.
  • Применяются основные и резервные комплекты РЗА, которые часто называют основной защитой №1/основной защитой №2, комплектами А/Б или X/Y.
  • Управляющие воздействия на коммутационное оборудование формируются непосредственно от устройств РЗА, минуя контроллеры/устройства управления.
Обеспечить резервирования можно одним из следующих способов, каждому из которых свойственны свои достоинства и недостатки:
  • Протокол Rapid Spanning Tree Protocol (RSTP), обеспечивающий возможность создания кольцевых сетей. Данный протокол поддерживается многими, если не всеми, коммутаторами Ethernet. Время, которое требуется для восстановления связи между устройствами, не постоянно и зависит от ряда факторов.
  • Протокол Parallel Redundancy Protocol (PRP). При использовании данного протокола обеспечивается непрерывность информационного обмена в случае нарушения исправности либо отдельной линии связи, либо отдельного коммутатора. Требуется специальная поддержка данного протокола или использование устройств резервирования, а также дублирование инфраструктуры сети Ethernet.
  • Протокол High-reliability Seamless Redundancy (HSR). Обеспечивается непрерывность информационного обмена в случае нарушения исправности либо отдельной линии связи, либо отдельного коммутатора. При этом не требуется использование дополнительных коммутаторов. Область применения протокола ограничена кольцевыми топологиями сети Ethernet, и специальная поддержка протокола подключаемыми устройствами (например, часами PTP или устройствами РЗА) или их подключение осуществляются через специальные устройства резервирования.
Пример, приведенный в настоящем разделе, опирается на использование протокола PRP, и при этом исключается необходимость использования отдельного коммутатора на каждое присоединение или на диаметр полуторной схемы распределительного устройства, которые часто используются для целей сохранения возможности защиты и управления после единичного отказа коммуникационного оборудования. В некоторых сценариях использование протокола PRP позволяет сократить число используемых коммутаторов Ethernet по сравнению со случаем применения протокола RSTP. Защита X (или основная защита №1) реализуется при использовании устройств РЗА General Electric серии UR, поскольку данное устройство поддерживает протоколы PTP и PRP. Защита X обеспечивает функции управления и регистрации переходных режимов в дополнение к функциям РЗА. Защита Y (или основная защита №2) реализуются при использовании устройств РЗА другого производителя, которые поддерживают протокол PTP или NTP для временной синхронизации. Рис. 16 иллюстрирует топологию сети Ethernet. Реализуются две локальные сети, обозначенные как A и В, обе из которых активны в один и тот же момент времени. Протокол RSTP функционирует таким образом, что блокирует избыточные линии связи, которые на рисунке показаны пунктирными линиями. В частности, это связь между корневым коммутатором №2 и коммутатором Y. Некоторые коммуникационные серверы работают в режиме, когда второй их порт Ethernet отключен до тех пор, пока не произошел отказ основной линии связи. Данные связи также показаны пунктирными линиями.
PRP-PTP
Рис. 16. Локальная сеть Ethernet, реализованная с использованием протокола PRP.
Ожидается, что в ближайшем будущем станут доступны коммуникационные сервера АСУ ТП с нативной поддержкой PRP, что позволит сохранять активными одновременно две линии связи. Коммутатор Y может обеспечивать функциональность устройства резервирования для устройств РЗА Y, обеспечивая обработку дубликатов сообщений. Коммутаторы Ethernet сегодня доступны с большим количеством портов, что исключает необходимость применения коммутаторов в каждом из шкафов для подключения устройств РЗА. На небольших подстанциях применение коммутаторов X1, X2 и Y для подключения устройств РЗА может не понадобиться и, наоборот, – на подстанциях высокого напряжения может быть целесообразным применение коммутаторов X1, X2 и Y для каждого уровня напряжения. В независимости от топологии сети Ethernet, применение коммутатора Ethernet с поддержкой роли прозрачных или граничных часов позволит обеспечить возможность подключения клиентов в любой точке сети. Выводы Применение протоколов синхронизации времени, функционирующих по сети Ethernet, сокращает затраты на проектирование систем, их реализацию и обслуживание. Протокол PTP, а именно профиль данного протокола для электроэнергетики (Power Profile), решает целый ряд проблем, связанных с системами синхронизации времени для систем автоматизации подстанций, и его применение оптимально вписывается в идеологию построения обмена данными между вторичными устройствами энергообъекта по сети Ethernet. Список литературы
  1. D.M.E. Ingram, P. Schaub, D.A. Campbell & R.R. Taylor, “Evaluation of precision time synchronisation methods for substation applications”, 2012 International IEEE Symposium on Precision Clock Synchronization for Measurement, Control and Communication (ISPCS 2012), San Francisco, USA, 23-28 September 2012. Available from http://eprints.qut.edu.au/53218/.
  2. D.M.E. Ingram, P. Schaub, D.A. Campbell & R.R. Taylor, “Quantitative assessment of fault tolerant precision timing for electricity substations”, IEEE Transactions on Instrumentation and Measurement, October 2013. Volume 62, Issue 10, pp 2694-2703. Available from http://eprints.qut.edu.au/56835/.