В настоящее время технические решения по РЗА определяются следующими основными нормативными документами:

  • ПУЭ изд 7.
  • СТО 56947007-29.240.10.028-2009 НТП ПС 2009.
  • Положение о технической политике ОАО "ФСК ЕЭС".
  • Приказ от 11.02.2008 №57.
и прочими частными СТО в области РЗА выпущенными ОАО ФСК ЕЭС. Среди данных документов следует отдельно обратить внимание на приказ №57, выпущенный ещё РАО ЕЭС России, который сейчас по сути является приказом несуществущей организации. Однако, на него продолжают ссылаться специалисты служб РЗА заказчика при выдаче ТЗ или согласовании проектной или рабочей документации. В то же время правовая сторона применимости этого приказа вызывает определённые сомнения и получить однозначный ответ от заказчиков о необходимости руководствоваться положениями этого приказа при проектировании на настоящий момент не удалось. Следует отметить, что в связи с тем, что в состав РЗА входит также и автоматика управления коммутационными аппаратами, то проектирование РЗА также подлежит регулированию нормативами, которые ФСК ЕЭС относит к АСУ ТП, например:
  • Распоряжение № 286 р «Рекомендации по применению основных структурных схем и требования к организации АСУ ТП подстанций 110 - 750 кВ с учётом функциональной достаточности и надежности»
  • Распоряжение № 236р «Порядок организации оперативной блокировки на подстанциях нового поколения»  и т.д.
Однако, несмотря на наметившийся прогресс в последние годы, в части типизации технических решений в области РЗА существующие нормативы не содержат конкретных типизированных решений в этой области. Это является одной из главных причин возникновения большого числа разнообразных требований со стороны заказчиков, не подкреплённых существующими нормативными документами. Фактически сейчас ситуация складывается так, что в области РЗА каждый из региональных филиалов ФСК ЕЭС и СО проводит, по большей части, самостоятельную техническую политику. Рассмотрим несколько примеров:
  1. Для МЭС центра типизированным решением на сегодняшний день является установка ключа, снимающего питание терминала РЗА и цепей его дискретных входов. В то же время специалисты служб РЗА предприятий МЭС Сибири выступают против установки подобного ключа в цепи питания, а для вывода терминала из работы хотят видеть ключ, действующий на дискретный вход терминала, который блокирует все защитные функции терминала в его логике.
  2. Также показательна ситуация с организацией телеуправления защит линий  500 кВ. ОДУ Северо-Запада и, соответственно, МЭС Северо-Запада требует применение схемы с обменом тремя сигналами: cигнал №1 (отключение ВЛ с запретом ТАПВ), cигнал №2 (отключение ВЛ с контролем пуска защит без запрета ТАПВ), cигнал №4 или №3 (общий разрешающий сигнал для ДЗ и ТЗНП). В то же время ОДУ Центра и МЭС центра в последнее время перешли к использованию 4-х сигнальной схемы телеуправления: cигнал №1 (отключение ВЛ с запретом ТАПВ), cигнал №2 (отключение ВЛ с контролем пуска защит без запрета ТАПВ), cигнал №3 (разрешающий сигнал для ТЗНП), cигнал №4 (разрешающий сигнал для ДЗ). При этом в ОДУ Сибири используется классическая «советская» схема телеуправления: cигнал №1 (отключение ВЛ с запретом ТАПВ), cигнал №2 (отключение ВЛ с контролем пуска защит без запрета ТАПВ), cигнал №3 (разрешающий сигнал для ТЗНП). Таким образом в пределах ЕНЭС используется минимум 3 разных способа организации защит ВЛ 500 кВ.
  3. Зачастую различия в построение РЗА одних и тех же присоединений появляются уже на уровне РДУ и ПМЭС. Например, Липецкое РДУ требует возможности отдельного ввода/вывода оперативного ускорения ДЗ и ТЗНП, в то же время Московское РДУ таких требований не выдвигает.
  4. Довольно радикально отличаются от МЭС Центра требования на оперативный ввод/вывод защит в МЭС Сибири. Например, в шкафах КСЗ ОДУ и МЭС Сибири требуют предусматривать отдельные ключи ввода/вывода дистанционной защиты, ТЗНП и т.д.
  5. Также довольно часто в региональных филиалах заказчика возникают требования на установку дополнительных комплектов защит отдельных присоединений (например, второй комплект защит шин 110-220 кВ или ошиновок АТ  110-220 кВ и т.д.)
Безусловно, всё вышесказанное не может благотворно влиять на сроки и качество выполнения работ проектировщиками. Когда проектная организация выполняет несколько проектов для одного и того же заказчика (МЭС или ПМЭС) она во многом типизирует свои технические решения и максимально сокращает в них количество ошибок и недочётов. Однако, при выполнении проектирования для другого филиала ФСК ЕЭС или СО зачастую приходится полностью пересматривать свою техническую политику и подстраиваться под требования нового заказчика. Это влечёт за собой применение новых, не отработанных ранее, в данной проектной организации технических решений, что, естественно, повышает вероятность появления ошибок и недочётов в проектной и рабочей документации. Также такая ситуация может привести к определённым разногласиям в части построения ПТК РЗА между специалистами проектной организации и инженерами службы РЗА заказчика, так как зачастую требования заказчика не базируются на каких либо нормативных документах.  В результате часто случается затягивание сроков проектирования, согласования и ввода в эксплуатацию энергообъектов, а также к «авральным» работам на этапе пуска подстанций, когда часть замечаний от заказчика проектировщики устраняют во время пуска или уже после ввода объекта в эксплуатацию. Такое положение дел наносит ущерб всем участникам процесса, а также не способствует плодотворной совместной работе по реконструкции РЗА существующих и строительству новых энергообъектов. Что можно предложить для выхода из создавшейся ситуации? Однозначно назрела необходимость в более полной типизации технических решений по РЗА в рамках ЕНЭС. На наш взгляд руководящую роль в этом вопросе должен взять на себя центральный аппарат ФСК ЕЭС, который с привлечением Cистемного оператора, ведущих проектных организаций и ведущих мировых производителей РЗА вполне может разработать ряд стандартов непосредственно по выполнению комплексов РЗА на микропроцессорной технике для различных присоединений. На наш взгляд целесообразно выпускать такие стандарты в виде руководящих указаний (РУ) по  проектированию РЗА, так как это делалось в советское время. В связи с тем, что на российском рынке представлены микропроцессорные терминалы РЗА различных фирм производителей (ABB, Siemens, Экра, GE, Areva и т.д.) целесообразно выпустить отдельные руководящие указания по выполнению ПТК РЗА для различных фирм производителей. Например, РУ «Релейная защита автотрансформаторов с ВН 220-750 кВ с использованием МП терминалов фирмы ABB», «Релейная защита автотрансформаторов с ВН 220-750 кВ с использованием МП терминалов фирмы Siemens» и т.д. Данные руководящие указания предлагается оформлять в виде принципиальных схем, пояснительной записки и схем программируемой логики терминалов РЗА. Для непосредственной  разработки руководящих указаний целесообразно привлечь ведущие проектные организации страны. Распределять работы  можно как по производителям оборудования РЗА (один проектировщик выполняет РУ по РЗА различных присоединений для одного производителя терминалов РЗА), так и по типам присоединений (например, один проектировщик выполняет РУ по РЗА АТ для нескольких производителей оборудования РЗА). Разработанные РУ, согласуются в центральном аппарате ФСК, представителями филиалов ФСК (МЭС), СО и фирм изготовителей оборудования, после чего им придаётся статус стандарта организации. Далее проектирование РЗА конкретной подстанции в обязательном порядке должно выполняться на основе таких руководящих указаний. Затем при согласовании проектной или рабочей документации представители релейных служб региональных филиалов ФСК ЕЭС и СО руководствуются техническими решениями, отраженными во вновь изданных РУ. Это, на наш взгляд позволит существенно сократить время, как выполнения проектирования, так и согласования рабочей и проектной документации. Также введение новых РУ должно способствовать улучшению качества проектной и рабочей документации, т.к. основные ошибки и недочёты должны быть устранены ещё на этапе проверки и согласования самих РУ. В целом, стандартизация и типизация схем РЗА на базе микропроцессорных терминалов приведёт к сокращению сроков проектирования и согласования ПТК РЗА, упрощению эксплуатации ПТК РЗА, и как следствие, к увеличению надёжности работы подстанций нового поколения и бесперебойного снабжения потребителей электроэнергией. Некоторые вопросы проектирования РЗА

Опыт и перспективы применения стандарта IEC 61850 для целей РЗА с точки зрения пользователя-релейщика

Авторы статьи принимали участие в проектировании и наладке нескольких подстанций ЕНЭС Российской Федерации на которых был использован стандарт IEC 61850 для целей обмена дискретными сигналами между терминалами РЗА. Наиболее широко стандарт IEC 61850 для целей РЗА применялся на ПС Воронежская 500 кВ МЭС Центра (введена в строй в 2006-2007 г.). На данной подстанции по протоколу GOOSE коммуникации на интерфейсе оптического Ethernet передавались следующие сигналы:
  • Пуски УРОВ и АПВ, запреты АПВ от защит в терминалы АУВ;
  • Действие УРОВ, разрешение однофазного отключения и т.д. от терминалов АУВ в терминалы защиты;
  • Положение и технологическая сигнализация выключателей, разъединителей и ЗН из терминалов сбора информации на ОРУ в терминалы АУВ;
  • Положение коммутационных аппаратов между смежными терминалами АУВ для ОБР;
  • Команды управления разъединителями и ЗН от терминалов АУВ в выносные терминалы сбора информации на ОРУ.
Структурная схема обмена дискретными сигналами РЗА на ПС 500 кВ Воронежская для присоединений 500 кВ приведена на рис. 1.
Рис. 1. Структурная схема обмена дискретными сигналами РЗА на ПС 500 кВ Воронежская для присоединений 500 кВ.
Рис. 1. Структурная схема обмена дискретными сигналами РЗА на ПС 500 кВ Воронежская для присоединений 500 кВ.
Таким образом, большая часть обмена дискретными сигналами между устройствами РЗА была выполнена на протоколе GOOSE коммуникации стандарта IEC 61850. Контрольным кабелем была выполнена только передача команд управления от терминалов АУВ и защит на привода выключателей. Также контрольными кабелями была выполнена передача информации о положении КА и технологическая сигнализация КА до выносных терминалов управления и сбора информации на ОРУ. Следующим крупным объектом с широким применением GOOSE коммуникации для целей РЗА стала ПС 500 кВ Бескудниково МЭС Центра (ввод в строй 2008-2010 г.), однако, объём сигналов передаваемый по цифровым связям на этом объекте был существенно сокращён (см. рис. 2).
Рис. 2. Структурная схема обмена дискретными сигналами РЗА на ПС 500 кВ Бескудниково.
Рис. 2. Структурная схема обмена дискретными сигналами РЗА на ПС 500 кВ Бескудниково.
По GOOSE коммуникации на ПС Бескудниково передавались сигналы пуска УРОВ и АПВ, запреты АПВ, а также сигналы положения коммутационных аппаратов для организации ОБР. Сигналы действия УРОВ, разрешения однофазного отключения и прочие сигналы РЗА передавались контрольным кабелем. На ПС 750 кВ Грибово, одной из последних крупных подстанций МЭС Центра, введённой в строй в 2010-2011 гг., протокол GOOSE коммуникации стандарта IEC 61850 используется только для передачи сигналов запрета АПВ из терминалов защит в терминалы АУВ и сигналов положения КА между терминалами смежных ячеек для ОБР (см. рис. 3). 
Рис. 3. Структурная схема обмена дискретными сигналами РЗА на ПС 750 кВ Грибово.
Рис. 3. Структурная схема обмена дискретными сигналами РЗА на ПС 750 кВ Грибово.
Очевидна тенденция по сокращению использования стандарта IEC 61850 для целей передачи дискретных сигналов РЗА. Данная тенденция обусловлена тем, что наряду с безусловными достоинствами, при применении протокола GOOSE коммуникации стандарта IEC 61850 для обмена сигналами РЗА выявился также ряд недостатков. Преимущества при применении стандарта IEC 61850 для обмена дискретными сигналами РЗА:
  • Сокращение объёма контрольного кабеля;
  • Возможность использование МП терминалов РЗА с меньшем количеством входов/выходов и, следовательно, удешевлению ПТК РЗА;
  • Возможность контролировать исправность коммуникаций между МП терминалами РЗА при помощи т.н. процедуры «достоверизации»;
  • Исключение влияния «земли» в цепях ОПТ на обмен сигналами между МП терминалами РЗА;
  • Возможность организации любых дополнительных связей между МП терминалами РЗА без перемонтажа шкафов РЗА и прокладки новых кабелей.
Недостатки, выявленные при внедрении стандарта IEC61850 для целей РЗА на ПС МЭС Центра:
  • Увеличение времени передачи сигналов РЗА по сравнению с обменом сигналами через дискретные входа/выхода.
  • Трудность организации оперативного вывода передачи сигналов по GOOSE коммуникации. Необходимость использования большого объёма дополнительной логики.
Пример результатов тестирования скорости передачи сигналов на пуск АПВ и УРОВ от МП терминалов защит на МП терминал АУВ по GOOSE коммуникации приведён в таблице 1.

Таблица 1. Время передачи сигнала Relay Trip A (пуск АПВ по ф. А) при неуспешном ОАПВ.GOOSETransmissionTime

Данные недостатки (особенно возрастание времени передачи сигналов РЗА) привело к постепенному сокращению использования стандарта IEC 61850 для целей РЗА и на последних объектах ЕНЭС. В настоящее время протокол GOOSE коммуникации стандарта IEC 61850 используется в основном для обмена сигналами положения коммутационной аппаратуры в логике ОБР, и иногда, для передачи сигнала «Запрет АПВ». Однако, за прошедшее время многие фирмы производители МП терминалов РЗА активно развивали свои программные и аппаратные средства в области применения стандарта IEC 61850 для целей РЗА. Так, например фирма «Siemens» заявляет о гарантированном времени передачи сигналов между МП терминалами РЗА не более 20 мс, что на наш взгляд является вполне приемлемым временем для обмена сигналами между МП терминалами РЗА. В связи с этим, на наш взгляд, необходимо вернуться к вопросу широкого внедрения стандарта IEC 61850 для обмена дискретными сигналами РЗА. В перспективе, использование стандарта IEC 61850 для обмена сигналами между МП терминалами РЗА позволит полностью отказаться от применения контрольного кабеля для передачи дискретных сигналов во вторичных системах, особенно при применении выносных МП терминалов или блоков непосредственно в шкафах наружной установки на ОРУ. С учётом накопленного опыта, начинать данный процесс необходимо с проведения полномасштабного тестирования скорости обмена сигналами между МП терминалами РЗА по GOOSE коммуникации на специально созданном для этого полигоне. Такое тестирование, разумеется, надо выполнять для нескольких производителей МП терминалов РЗА. При получении удовлетворительного результата по скорости обмена сигналами, следует начинать поэтапное внедрение цифровой передачи дискретных сигналов РЗА на вновь вводимых и реконструируемых объектах ЕНЭС. На первом этапе целесообразно выполнить обмен дискретными сигналами между МП терминалами РЗА при помощи стандарта IEC 61850 внутри релейного щита для одной группы проектируемых подстанций. На втором этапе использование GOOSE коммуникации целесообразно распространить и на получение технологической сигнализации КА и положения КА, для чего шкафы наружной установки необходимо будет оснастить выносными МП терминалами для сбора информации о положении и сигнализации КА (возвращение на уровень использования IEC 61850 в РЗА ПС 500 кВ Воронежская). Наконец, на третьем этапе, при положительной оценке эксплуатации ПТК РЗА выполненных на этапе 1 и 2, можно будет отказаться от использования медных кабелей для передачи команд отключения/включения выключателей от МП терминалов РЗА на привод выключателя и также выполнять их при помощи GOOSE коммуникации. В целом, процесс поэтапного внедрения стандарта IEC 61850 для нужд РЗА приведён на рис. 4.
Рис. 4. Предлагаемые этапы внедрения IEC 61850 для передачи сигналов РЗА.
Рис. 4. Предлагаемые этапы внедрения IEC 61850 для передачи сигналов РЗА.
Такое поэтапное внедрение цифровой передачи сигналов РЗА, где переход к каждому следующему этапу осуществляется после анализа опыта эксплуатации ПТК РЗА внедрённого на предыдущем этапе, принесёт положительный опыт использования стандарта IEC61850 для целей РЗА, повысит надёжность ПТК РЗА и будет являться важным шагом на пути к внедрению полностью цифровых подстанций.

Вопросы организации управления функциями РЗА от ПТК АСУ ТП

В соответствии с п.п. 1.2.1.5 распоряжения №286р ФСК ЕЭС в состав функций АСУ ТП входит также «Удалённое изменение состояния программных оперативных элементов систем РЗА, ПА, АСУ ТП: переключение групп уставок терминалов РЗА, оперативный ввод-вывод из работы, отключение-включение отдельных функций и др». Однако, в настоящее время отсутствуют какие либо стандарты ФСК или СО, которые указывали бы способ выполнения управления функциями МП терминалов РЗА от АСУ ТП. Традиционно, оперативное управления функциями РЗА выполняется при помощи накладок, а для МП терминалов РЗА с помощью ключей на шкафах РЗА. При необходимости выполнения управления функциями терминалов РЗА с верхнего уровня АСУ ТП актуальными становятся следующие задачи:
  • Обеспечить выбор безусловного приоритета управления функциями терминала РЗА по «месту» (от шкафа РЗА) или с АРМ АСУ ТП для исключения возможности выдачи противоречивых команд на переключение режимов работы терминала РЗА по «месту» или с АРМ АСУ ТП.
  • Сохранить возможность оперативного управления функциями терминала РЗА при выходе из строя АСУ ТП и избежать спонтанного изменения режима работы терминала РЗА при выходе из строя АСУ ТП.
Рассмотрим следующие варианты решения задачи по организации оперативного управления функциями терминалов РЗА от АРМ АСУ ТП.
  • Оперативное управление функциями терминалов РЗА осуществляется только с АРМ АСУ ТП, ключи оперативного управления функциями терминала РЗА на шкафу РЗА не устанавливаются.
  • Оперативное управление функциями терминалов РЗА выполняется как с АРМ АСУ ТП, так и от шкафа РЗА при помощи ключей, при этом приоритет управления выбирается на АРМ АСУ ТП.
  • Оперативное управление функциями терминалов РЗА выполняется как с АРМ АСУ ТП, так и от шкафа РЗА при помощи ключей, при этом приоритет управления выбирается на шкафу РЗА.
При выполнении управления функциями терминала РЗА по варианту 1, существенным недостатком является потеря возможности оперативного управления терминалами РЗА при выходе из строя АСУ ТП, что по опыту работы автора в наладке всё ещё, несмотря на резервирование различных компонентов ПТК АСУ ТП, является не таким уж редким явлением. Вариант 2 обладает аналогичным недостатком, в случае, если на момент выхода из строя ПТК АСУ ТП приоритет управления был выбран от АРМ АСУ ТП. Для устранения такого недостатка здесь возможно использование контрольного сигнала (бита) исправности ПТК АСУ ТП, который будет обрабатываться в терминале РЗА, и при значении соответствующему неисправности АРМ АСУ ТП или любого другого из компонентов ПТК АСУ ТП, ответственных за передачу команд управления в терминал РЗА, передавать приоритет управления функциями терминала РЗА ключам, установленным на шкафу РЗА (см. рис. 5). 
ASUSchema1
Рис. 5. Пример схемы оперативного управления функциями терминала РЗА с выбором приоритета управления на АРМ АСУ ТП.
Вариант 3 является с нашей точки зрения наиболее предпочтительным, т.к. он лишён указанного выше недостатка. При отказе ПТК АСУ ТП оперативный персонал на шкафу РЗА выбирает приоритет управления «по месту» и возможность оперативно управлять функциями терминала РЗА, таким образом, сохраняется. Управление функциями терминала по варианту 3 может быть организовано двумя способами:
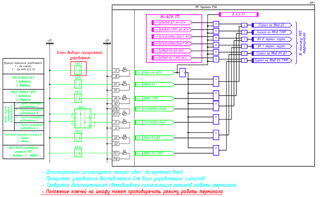
  • При помощи общего ключа выбора приоритета на шкафу РЗА (см. рис. 6). Данный способ требует использования одного дополнительного дискретного входа, куда заводится сигнал от ключа выбора приоритета управления функциями терминала РЗА. Также для данного варианта необходимо предусмотреть дополнительные светодиоды а лицевой панели терминала РЗА для сигнализации режимов работы терминала РЗА, так как положение ключей в шкафу терминала РЗА может не совпадать с выбранными режимами работы функций терминала РЗА. Больше того, положение ключей может прямо противоречить выбранному режиму работы различных функций терминала РЗА, что может запутать оперативный или ремонтный персонал и привести к его ошибкам при переключении в цепях РЗА.
ASUSchema2
Рис. 6. Пример схемы оперативного управления функциями терминала РЗА с одним общим ключем выбора приоритета на шкафу РЗА.
  • С использованием дополнительной позиции ключей оперативного управления функциями терминалов РЗА (см. рис. 7). Данный способ требует большего количества дополнительных дискретных входов (по одному на каждый ключ оперативного управления). Однако, он исключает противоречия в положении ключей оперативного управления функциями терминала РЗА и выбранными режимами работы функций терминала РЗА. Такая реализация, на наш взгляд, снизит вероятность ошибочных действий оперативного или ремонтного персонала при переключениях в цепях терминалов РЗА оборудованных возможностью удалённого оперативного управления функциями РЗА.
ASUSchema3
Рис. 7. Пример схемы оперативного управления функциями терминала РЗА с использованием дополнительной позиции ключей оперативного управления функциями терминала РЗА.
Таким образом, мы рассмотрели несколько вариантов реализации управления функциями терминалов РЗА от ПТК АСУ ТП. Каждый из рассмотренных вариантов имеет свои достоинства и недостатки, на наш взгляд, наиболее приемлемым на настоящее время является использование варианта с дополнительной позицией ключей оперативного управления функциями терминалов РЗА. Безусловно, реализация управления функциями терминалов РЗА от ПТК АСУ ТП должна быть стандартизирована на уровне ФСК и СО, в соответствующем нормативном документе, и на всех подстанциях ЕНЭС должно внедряться однотипное решение вне зависимости от применяемого, в каждом конкретном случае, производителя оборудования АСУ ТП и РЗА.

Использование САПР для проектирования РЗА

В последнее время на рынке проектных работ в области РЗА наблюдается значительное увеличение конкуренции между различными проектировщиками, как следствие, это приводит к заметному снижению стоимости и сильному сокращению сроков проектных работ. Для успешной работы в таких условиях фирма проектировщик должна выпускать больший объём проектов в единицу времени, при этом крайне важно не допустить падения качества, выпускаемой рабочей документации. Одним из путей решения данной проблемы является применение для разработки рабочей документации систем автоматизированного проектирования (САПР). Идеальным вариантом для проектировщиков РЗА было бы внедрения такой САПР, при работе в которой специалисты проектировщики выполняли бы принципиальные/полные схемы РЗА присоединений, а всю остальную документацию (схемы подключения, монтажные схемы, задания заводу, кабельные журналы, спецификации оборудования и т.д.) система выполняла бы самостоятельно без участия человека. Кроме этого, разумеется, САПР должна помогать избегать появления «глупых» ошибок и опечаток и ускорять процесс выпуска рабочей документации. Таким образом, можно сформулировать следующие основные задачи применения САПР при разработке рабочей документации РЗА:
  • Администрирование и структурирование проекта РД.
  • Автоматическое заполнение штампов и автоматическая нумерация чертежей.
  • Помощь в выявлении опечаток и «нестыковок» в разделах РД, относящихся к смежным присоединениям.
  • Минимизация участия человека в выполнении вспомогательных разделов РД (заданий заводу, схем подключения, кабельных журналов, монтажных схем и т.д.).
  • Автоматизация выпуска РД.
Однако, внедрение САПР в проектирование РЗА сопряжено с рядом значительных трудностей. Все представленные на рыке в настоящее время САПР предлагаются по весьма высокой цене, которая может в несколько раз (по цене за одно рабочее место) превышать стоимость даже совсем не дешёвого AUTOCAD. Поскольку в современных САПР процесс создания РД основан на т.н. цифровой модели проекта, то выполнение схем  в такой среде исключает использование «свободной графики», к работе с которой, как правило, привык персонал проектной организации. Соответственно зачастую требуется пересматривать всю идеологию разработки схем, принятую на фирме и тратить значительное время и средства на переобучение персонала. Кроме того, предлагаемые на рынке САПР (Eplan, Е3 series) нуждаются в значительной адаптации для выполнения РД РЗА, как в части создания линейки устройств для использования в схемах РЗА, так и в части алгоритмов выполнения отдельных разделов РД и требуемых форматов схем. Таким образом, организация при приобретении САПР, может понести не только значительные финансовые затраты, но и получить (по крайне мере на начальном этапе внедрения) значительное увеличение сроков проектирования. Одним из вариантов внедрения САПР может быть разработка такой системы собственными силами проектировщиков. В этом случае возможно постепенное внедрение САПР в процесс разработки РД и плавный переход от работы со «свободной графикой» к работе с цифровой моделью проекта. Также в этом случае САПР сразу разрабатывается как адаптированная система для проектирования РЗА, безусловно и финансовые вливание в при таком внедрении значительно меньше чем при покупке и последующей доработке универсальной САПР, предлагаемой на рынке. В проектном коллективе, руководимым авторами статьи, в настоящее время успешно разрабатывается и используется САПР, выполненная на основе программы AUTOCAD. В её нынешнем виде эта система успешно решает следующие задачи:
  • Администрирования и структурирования проекта;
  • Интеграции в одной среде разделов РД, выполненных в разных программных средствах (AUTOCAD, Word);
  • Автоматической нумерации и заполнения штампов чертежей;
  • Автоматическое построение клеммных рядов, требуемого ФСК формата;
  • Автоматического выпуска рабочей документации.
Это позволило в целом сократить время выполнения РД в среднем на 15-20%, а по отдельным разделам (например, задание завода) на 50-60%. Кроме того полностью исключаются ошибки в нумерации и заполнении штампов чертежей. Также ведутся работы по дальнейшему расширению функционала системы, в т.ч. полностью автоматическому выпуску заданию завода, кабельного журнала, схем подключения, спецификаций и т.д., что позволит в целом сократить время выполнения РД в два-три раза. Следует отметить, что при использовании заранее адаптированной для целей РЗА САПР практически удаётся избежать увеличения сроков проектирования на начальном этапе внедрения. По опыту авторов статьи адаптация специалистов проектировщиков при постепенном отказе от «свободной графики» и переходе на работу с цифровой моделью также проходит достаточно быстро и безболезненно. Таким образом, по мнению авторов статьи, использование САПР разработанной самими проектировщиками и заранее адаптированной для нужд РЗА является хорошей альтернативой приобретению универсальной электротехнической САПР и последующей её длительной доработке.