Digital Substation — инженерное издание, посвященное автоматизации IEC 61850, системам релейной защиты и цифровому интеллекту энергосетей.
Типизация технических решений по РЗА в «ФСК ЕЭС»
2017-07-19T11:36:20+03:00
Публикуем первую статью из серии, посвящённой принципам типизации решений в ПАО «ФСК ЕЭС».
В этой статье приведено описание промежуточных результатов, полученных в рамках выполнения научно-исследовательской и опытно-конструкторской работы по созданию электронного каталога технических решений по релейной защите и автоматике, автоматизированным системам управления технологическими процессами, планируемых к применению на электрических подстанциях ФСК. Работа направлена на решение задач разработки типовых технических решений по применяемым информационно-технологическим системам и создания программных инструментов автоматизированной разработки проектной документации. Особое внимание уделено этапам разработки типовых решений, перечню технических реализаций информационных систем, рассматриваемых в рамках работы, с учетом технологии «Цифровая подстанция». В заключении приведено описание участия отечественных заводов-изготовителей профильной продукции в работе.
Введение
За последние 10 лет инвестиционная деятельность ПАО «ФСК ЕЭС» включала масштабные мероприятия по реконструкции и модернизации действующих объектов электросетевого хозяйства с целью решения следующих стратегических задач:
обеспечение требуемых показателей надежности предоставляемых услуг по передаче электроэнергии;
обеспечение энергетической безопасности и устойчивого развития промышленности РФ;
повышение эффективности функционирования и развития объектов единой национальной электрической сети (ЕНЭС);
обеспечение безопасности производственного персонала.
Современные проекты по информационно-технологическим системам (ИТС), в частности, системам релейной защиты и автоматики (РЗА) и автоматизированным системам управления технологическими процессами (АСУ ТП), реализуются на основе технологий и устройств различных производителей, архитектура построения которых в большинстве случаев принципиально различается. Уникальность технических решений на каждом объекте обусловливает характерную высокую трудоемкость разработки проектной и рабочей документации и, как следствие, дороговизну, высокую вероятность наличия ошибок и непосредственно в технической документации, и при выполнении пуско-наладочных работ и последующей эксплуатации.
Наличие проблемы, связанной с уникальными техническими решениями, построенными на базе микропроцессорных устройств РЗА, подтверждает статистика неправильной работы РЗА, приведенная в табл. 1.
Таблица 1. Статистика неправильной работы (НР) устройств РЗА
Год
Тип РЗА, %
Количество неправильных случаев срабатывания РЗА, шт.
ЭМ
МЭ
МП
НР за год
НР ЭМ за год
НР ЭМ, %
НР МП за год
НР МП, %
2013
72,1
4,0
23,9
362
206
57
144
40
2014
69,6
3,6
26,8
353
170
48
148
42
2015
69,2
3,4
27,4
343
162
47
144
42
2016
69,1
3,3
27,6
367
197
54
148
40
Приведенные данные подтверждают тезис о превосходстве эффективности устройств РЗА на электромеханической базе в сравнении с микропроцессорными устройствами. Также отсутствие типовых решений микропроцессорных РЗА обусловливает высокую стоимость всего жизненного цикла систем РЗА, поскольку:
индивидуальное проектирование с огромным количеством «точек принятия решений» (МЭС, ПМЭС, РДУ, ОДУ, проектировщик, наладчик) и вариативность приводят к индивидуальным заданиям заводу-изготовителю для каждой ПС;
изготовление индивидуальных шкафов РЗА требует от производителей затрат на разработку уникальной заводской документации на шкафы и сравнительно больших сроков изготовления;
отсутствие типовых принципов работы приводит к сложности монтажа и наладки;
эксплуатация индивидуальных объектов приводит к ошибкам и повышенным затратам.
Данная ситуация негативно влияет на оптимизацию производственной деятельности, так как требует наличия «незаменимых» специалистов, «закрепленных» за определенными объектами. Дополнительным отрицательным эффектом является высокая ротация кадров, обусловленная быстрым накоплением опыта эксплуатации ИТС различных производителей.
Для соответствия современным требованиям, предъявляемым к качеству и срокам разработки проектной документации, необходимо выполнить многокритериальную оптимизацию инженерной деятельности с использованием накопленного опыта проектных (электросетевых) организаций в части новых решений и эффективных разработок (институтов, научно-технических центров и производителей оборудования), а также применения достижений в области информационных технологий (систем автоматизированного проектирования − САПР).
В 2015 г. ПАО «ФСК ЕЭС» инициировало начало научно-исследовательской и опытно-конструкторской работы по созданию электронного каталога типовых проектных решений РЗА и АСУ ТП для проектирования и конфигурирования оборудования систем защиты и управления подстанций (далее — проект). Проект направлен на достижение следующих задач:
разработка типовых технических решений по составу и реализации комплексов РЗА, АСУ ТП, УПАСК;
определение подходов к выбору состава функций устройств РЗА (в части их необходимости и достаточности), а также к обеспечению требуемой самодиагностики и эргономичности устройств;
разработка типовых шкафов высокой степени заводской готовности;
подготовка технических решений по дистанционному управлению устройствами РЗА, взаимодействию их со смежными системами;
разработка технических решений в части применения стандарта МЭК 61850 при автоматизации технологических процессов на объектах электросетевого хозяйства, а также процессов проектирования и конфигурирования информационно-технологических систем;
создание программного инструментария САПР для решения задач по автоматизации процессов разработки технической части конкурсной документации на основе информационного обеспечения НИОКР.
Исторический опыт СССР по разработке типовых решений характеризуется меньшей свободой проектировщика в части применения конечных устройств одного завода-изготовителя РЗА — ЧЭАЗ и одного основного проектного института — «Энергосетьпроект». В настоящее время суммарное количество поставщиков РЗА на объекты ПАО «ФСК ЕЭС» составляет порядка 10 компаний, что значительно осложняет процесс разработки эффективных типовых решений с учетом особенностей каждого производителя. Анализ возможных способов разработки типовых решений подобных работ, проведенных проектными институтами и заводами-изготовителями, обусловил необходимость принятия за основу требований и потребностей электросетевого комплекса ПАО «ФСК ЕЭС», исходя из классов защищаемого оборудования. Таким образом разработка типовых решений состоит из следующих этапов:
Создание схем элементов сети (к примеру, АТ, реактор, ВЛ, сборные шины и т.д.).
Присвоение каждому элементу сети необходимого для его защиты набора функций.
Создание структурно-функциональных схем каждого элемента сети.
Создание перечня сигналов для каждого элемента сети GOOSe, MMS, SV с указанием точек назначения каждого сигнала.
Создание перечня типовых шкафов РЗА и АСУ ТП.
Создание описания каждого типового шкафа РЗА и АСУ ТП ПАО «ФСК ЕЭС».
Типовой шкаф РЗА ПАО «ФСК ЕЭС» является объектом, который характеризуется следующими перечнями атрибутов:
функции;
аналоговые входные параметры;
дискретные входные параметры;
управляющие воздействия;
органы управления (ключи, кнопки, испытательные блоки);
светодиоды;
выдаваемая информация в АСУ ТП.
Архитектура проекта
В рамках проектом подразумевается разработка программно-технического комплекса Электронный каталог РЗА и АСУ ТП (ПТК ЭК РЗА и АСУ ТП), архитектура которого содержит следующие виды обеспечения (рис. 1):
информационное (типовые технические решения РЗА, АСУ ТП и УПАСК);
организационное (структура и состав экспортируемых форм − технической части конкурсной документации);
лингвистическое (описание принимаемых решений в формате SCL для последующего использования в задачах конфигурирования средств ИТС);
методологическое (техническая документации по программным продуктам, включая описание программных интерфейсов (АPI);
техническое (технические средства для создания опытного образца ПТК ЭК РЗА и АСУ ТП).
Рис. 1. Укрупненная функциональная структура ПТК Электронный каталог РЗА и АСУ ТП
ГОСТ 23501.101-87 [1] определяет принцип типизации, заключающийся в ориентации на преимущественное создание и использование типовых и унифицированных элементов САПР. Типизации подлежат элементы, имеющие перспективу многократного применения. Типовые и унифицированные элементы периодически проходят экспертизу на соответствие современным требованиям САПР и модифицируются по мере необходимости. Требование периодической экспертизы информационного обеспечения ПТК ЭК РЗА и АСУ ТП обусловливает необходимость последующего формирования на площадке ПАО «ФСК ЕЭС» организационных процессов по пересмотру и актуализации типовых технических решений.
Программная реализация разрабатывается с учетом распространенных на территории РФ графических платформ AutoCAD и NanoCAD. В рамках проекта предусматривается разработка и документирование программных интерфейсов (API) с целью формирования условий создания программной среды (framework) для сторонних разработчиков программных дополнений (к примеру, инженерные и аналитические сервисы с использованием API ПТК ЭК РЗА и АСУ ТП). В основе ПТК ЭК РЗА и АСУ ТП планируется использовать клиент-серверную архитектуру. Эскиз архитектуры сервера приведен на рис. 2. Эскиз архитектуры доступа сервер — клиент приведен на рис. 11.
Рис. 2. Эскиз архитектуры сервера
Архитектура ПТК ЭК РЗА и АСУ ТП организована как совокупность следующих основных компонентов:
сервер базы данных, предназначенный для хранения данных электронного каталога;
рабочее место администратора базы данных, включающее прикладное программное обеспечение для администрирования электронного каталога (БД);
графическая платформа с прикладным САПР для наполнения электронного каталога данными по элементам сети;
сервер доступа;
клиентское рабочее место, включающее:
САПР клиента;
WEB-клиент;
интернет-клиент.
Информационное обеспечение
Проектом предусматривается разработка технических решений РЗА трех основных архитектур построения ИТС ПС (табл. 2):
схемы РЗА, выполненные по традиционной схеме, т.е. с передачей дискретных сигналов от РУ и между терминалами по медному кабелю с использованием дискретных входов/выходов и электромагнитных трансформаторов тока и напряжения;
схемы РЗА, выполненные с использованием стандарта МЭК 61850-8-1 для передачи дискретных сообщений GOOSE-коммуникаций [2];
схемы РЗА, выполненные с использованием стандарта МЭК 61850-8-1 и МЭК 61850-9-2 [3] для передачи измеренных мгновенных величин аналоговых сигналов (за исключением решения 6−35 кВ).
Таблица 2. Классификация разрабатываемых технических решений РЗА
Типовые решения для
ПС класса напряжения
РЗА (традиционная
схема)
РЗА с использованием 61850-8-1
РЗА с использованием МЭК 61850-8-1 и МЭК 61850-9-2
6−35 кВ
⊗
⊗
110−220 кВ
⊗
⊗
⊗
330−750 кВ
⊗
⊗
⊗
Декомпозиция электрических схем подстанций
Основой для разработки программного обеспечения ПТК ЭК РЗА и АСУ ТП является база информационно-графических элементов принципиальной электрической схемы подстанции. Для выявления уникальных элементов сети исследовательской группой проведен анализ принципиальных электрических схем действующих подстанций ПАО «ФСК ЕЭС», введенных в эксплуатацию за последние несколько лет, а также профильной нормативно-технической документации. В рамках работы выявлены элементы с общими функциональными признаками, встречающиеся в электрических схемах различных типов распределительных устройств.
Рис. 3. Пример элемента сети "выключатель с разъединителями«
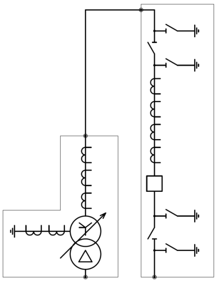
Результатом проведенного анализа стала декомпозиция схем РУ с учетом класса напряжения для формирования базы уникальных элементов сети. Каждый из них, с точки зрения электрической схемы подстанции, представляет собой совокупность силового первичного оборудования и унифицирован в рамках своего функционального назначения. Нефункциональные различия одного и того же элемента, не влияющие на его предназначение, отнесены к его свойствам и введены как соответствующие модификаторы (атрибуты элемента, отвечающие за его конфигурацию). В качестве примера, на рис. 3 и 4 приведены элементы сети: выключатель с разъединителями и двухобмоточный трансформатор. Отображенные на рисунках элементы сети содержат изменяемые части, выделенные штриховой линией, которые задаются определенными модификаторами. Таким образом, один элемент сети может иметь несколько исполнений для проектируемой схемы. Разработанный набор элементов является универсальным и учитывает различные исполнения распределительных устройств подстанций.
В графическое отображение каждого элемента сети введены специальные узловые точки (интерфейсы элементов сети), через которые элементы при разработке принципиальной электрической схемы могут объединяться между собой. При этом возможность объединения одного элемента с другим ограничена жесткими правилами − принципиальными ограничениями, основанными на электротехнических правилах построения принципиальных схем подстанций (СЭП). На рис. 5 приведен пример составления части схемы из элементов сети выключателя с разъединителями, двухобмоточным трансформатором, заданным из возможных наборов модификаторов.
Одним из требований к разрабатываемой системе является обеспечение типизации схемных решений при разработке СЭП, что достигнуто путем использования специальных алгоритмов (схемных ограничений), применительно к конкретным типовым схемам, которые определяют возможность использования элементов сети в рассматриваемой схеме и их допустимые конфигурации. Наличие набора элементов сети и логических ограничений обеспечивает возможность программной реализации требуемого функционала автоматизированного формирования СЭП и последующих разделов проектной документации.
Рис. 4. Пример элемента сети с двухобмоточным трансформатором
Рис. 5. Пример стыковки элементов сети для составления проектной схемы
Дополнительно стоит отметить, что не все первичное оборудование, отображаемое на СЭП, вписывается в рамки типовых схемных решений, например, системы плавки гололеда или РУ 0,4 кВ для собственных нужд. Для таких случаев в графической среде разработчиками предусмотрены уникальные наборы графических изображений первичного оборудования каждой системы.
Функционалом разрабатываемого программного инструментария предусматривается возможность экспорта СЭП в электронных форматах dwg и xml (xpg) для использования в смежных процессах разработки проектной документации. Важной особенностью разрабатываемой системы является возможность последующего расширения базы элементов сети в любой период эксплуатации программы, что входит в задачи технической поддержки разработчика. При необходимости корректируются алгоритмы, ограничивающие схемные решения, а также расширяется или дорабатывается база элементов сети, что совокупно определяет гибкость системы и обеспечивает оперативный учет изменений в технической политике ПАО «ФСК ЕЭС» и смежных субъектов электроэнергетики.
Другим важным аспектом создания элементов сети в предложенной парадигме является необходимость описания их в соответствии с правилами стандарта МЭК 61850 при помощи языка описания подстанции SCL [4] для организации объектно-ориентированной электронной модели подстанции. Каждый элемент сети, имеющийся в базе данных, хранит описание своей структуры на языке SCL.
В процессе создания графической схемы подстанции пользователем система динамически формирует единую модель, описанную по стандарту МЭК 61850. Дополнительно стоит отметить, что ввиду специфической структуры виртуальной модели подстанции, описанной языком SCL, использование вместо элементов сети (функционально законченных частей схемы) элементарных составляющих (выключатель, реактор и т.д.) ведет к чрезмерному усложнению алгоритма динамической трансляции схемы в модель и алгоритмов типизации.
В то же время расширение единичных элементов до целых присоединений приводит к нецелесообразной вариативности программного описания каждого элемента сети в зависимости от его текущей конфигурации. В большей степени это относится к сложным элементам, таким как полуторная ячейка и автотрансформатор со своими ошиновками. При этом набор предоставляемых элементов для работы в графической среде непропорционально увеличивается. Таким образом, разработанная концепция с точки зрения универсальности и сложности является оптимальной для применения в текущей работе.
Лингвистическое обеспечение МЭК 61850
В рамках реализации проекта планируется использование в качестве основы для разработки лингвистического обеспечения ПТК ЭК РЗА и АСУ ТП стандарта МЭК 61850, практика применения которого на объектах ПАО «ФСК ЕЭС» уже составляет более 10 лет [5]. На сегодняшний день применение МЭК 61850 фактически стало стандартным решением, используемым для интеграции полевых устройств, включая РЗА и контроллеры, в систему АСУ ТП.
В стандарте МЭК 61850 описаны три протокола передачи данных, используемые при решении различных задач. Наиболее широко МЭК 61850 применяется для передачи данных с устройств нижнего уровня на средний уровень АСУ ТП, где для этих целей в соответствии с IEC 61850-8-1:2011 [2] используется протокол MMS. В системах РЗА для быстрой передачи сигналов между устройствами защиты, а также для передачи сигналов отключения на выключатель может применяться протокол GOOSE, также описанный в разделе МЭК 61850-8-1. Практика применения указанного протокола на объектах ПАО «ФСК ЕЭС» противоречива. Так, на раннем этапе внедрений имели место случаи возникновения существенных задержек при передаче GOOSE-сообщений, что послужило поводом для ограничения области применения данного протокола. Еще один протокол, описанный стандартом, − это протокол передачи мгновенных выборок Sampled Values, который, в частности, применяется для передачи мгновенных значений тока и напряжения от измерительных трансформаторов с высокой частотой дискретизации, описанный в IEC 61850-9-2:2011 [3]. Технические решения с использованием раздела МЭК 61850-9-2 появились на рынке позже остальных, однако на текущий момент можно констатировать, что и данный протокол в достаточной мере освоен различными производителями для его применения при автоматизации промышленных объектов.
Все три указанных протокола, в сочетании со стандартизованным подходом к проектированию и наладке систем защиты и автоматизации, описанным в МЭК 61850-4, и применением стандартизованного синтаксиса описания конфигурации систем и устройств, определенного IEC 61850-6 [4], позволяют перейти на совершенно новый уровень проектирования и наладки систем защиты и автоматизации подстанций.
Стандартизация на практике
Одним из важных факторов, повлиявших на принимаемые решения в части реализации систем на базе МЭК 61850 за прошедший с момента первых внедрений период, стало то, что сам стандарт фактически развивался параллельно его внедрению. В 2009−2013 гг. были изданы вторые редакции всех основополагающих глав стандарта. Вторая редакция стандарта была подготовлена с учетом практически десятилетнего опыта разработки оборудования и реализации проектов с применением МЭК 61850 и включала решения для большого количества проблем, возникших при реализации проектов на базе первой редакции стандарта. Еще одной важной вехой в развитии стандарта является публикация Европейским сообществом операторов магистральных сетей (ENTSO-E) перечня замечаний к стандарту МЭК 61850 (punch-list), являющийся источником для большого количества изменений и нововведений, среди которых нельзя не отметить создание так называемых прикладных профилей стандарта Basic Application Profiles (BAPs).
Довольно большое количество замечаний, приведенных в punch-list ENTSO-E и часто высказываемых другими специалистами, сталкивающимися с реализацией систем с поддержкой МЭК 61850, можно сформулировать как фактическое несоблюдение правил применения семантики МЭК 61850 при описании взаимодействия между устройствами и функциями на прикладном уровне. Проще говоря, заложенная в стандарт МЭК 61850 семантика для обозначения функций и сигналов часто оказывается неприменима, когда речь заходит о прикладных задачах. Рассмотрим эту проблему на конкретном элементарном примере логической защиты шин (ЛЗШ).
Рис. 6. Принципиальная схема ЛЗШ
Принцип работы приведенной на рис. 6 схемы достаточно прост: функции максимальной токовой защиты (МТЗ) отходящих от шин линий выдают сигнал пуска защиты, который используется для блокировки ускорения МТЗ на вводе. Таким образом, при коротком замыкании (КЗ) на шинах МТЗ отходящих линий пускаться не будут, так как КЗ будет отключено с ускорением МТЗ ввода. В противном случае ускорение будет заблокировано.
В МЭК 61850 в соответствие различным функциям поставлены так называемые логические узлы (ЛУ), в частности, функции МТЗ соответствует логический узел PTOC (Protection Time Overcurrent). Логический узел является контейнером для данных функции, которые могут включать в себя сигналы, формируемые указанной функцией (например, сигнал пуска защиты передается объектом данных Str (Start), а срабатывания — Op (Operate)), уставки, а также дополнительную сервисную информацию о работе функции. Каждый из таких объектов данных включает в себя атрибуты данных, к которым относится само значение объекта, а также дополнительная метаинформация (флаг качества и метка времени). Таким образом, задачу отправки сигнала пуска МТЗ отходящей линии можно сформировать как передачу атрибута данных PTOC.Str.stVal. Далее сигнал, который может быть передан на терминал РЗА посредством GOOSE-сообщения от каждого терминала отходящей линии, должен быть использован для блокировки ускорения ступени МТЗ. Основные проблемы использования МЭК 61850:
в стандарте нет описания ускорения для логического узла PTOC;
в первой редакции стандарта не было достаточно четкого описания механизма подписки на GOOSE-сообщения с использованием стандартного синтаксиса SCL, что породило повсеместное использование специфических для каждого производителя параметров (так называемых private-элементов);
описание свободно-программируемой логики лежит полностью вне поля МЭК 61850 и никак не описываются семантикой стандарта;
в некоторых случаях описанные выше проблемы могут быть дополнены еще и ограничениями реализации стандарта (например, отсутствие возможности передать объект PTOC.Str в GOOSE-сообщении).
Все вышеизложенные проблемы, в конечном счете, приводят к тому, что достаточно простая схема (см. рис. 6), с точки зрения связи логических узлов между собой, может быть представлена разными вариантами (рис. 7 и 8). Причем в худшем случае (вариант Б), когда с логического узла PTOC невозможно передать объект Str, данные о пуске защит будут передаваться с логического узла общего назначения GGIO. Дополнительно стоит отметить, что в схеме варианта Б семантика наименования сигналов стандарта МЭК 61850 полностью потеряна. Аналогичная ситуация может иметь место при большом количестве функций (УРОВ, дуговая защит и пр.). Также вариант Б не содержит информации по схеме параметрирования логики — формирование на выходах логических узлов GGIO требуемых сигналов пуска МТЗ, а также блокировки ускорения МТЗ на вводе принятыми на его GGIO сигналами на входах Х01, Х02.
Рис. 7. Реализация схемы ЛЗШ с использованием коммуникаций между логическими узлами МЭК 61850. Вариант А
Рис. 8. Реализация схемы ЛЗШ с использованием коммуникаций между логическими узлами МЭК 61850. Вариант Б
Специалисты, обладающие опытом работы с подобного рода схемами, с уверенностью могут подтвердить, что без дополнительных подписей с пояснениями к проектной документации (а лучше дополнительно сделанных логических схем с указанием наименований сигналов и их связей с атрибутами данных логических узлов GGIO) выполненную в таком виде логику невозможно ни проверить, ни в случае необходимости изменить. При этом формируется уникальность реализации автоматизированной системы на конкретном объекте и соответствующая добавленная стоимость эксплуатации.
Рис. 9. Реализация схемы ЛЗШ с использованием коммуникаций между логическими узлами МЭК 61850 (PTOC-узлы)
Описанная ситуация приводит к тому, что помимо формирования конфигурации в SCL проектировщику и/или наладчику требуется дополнительно разработать логические схемы и осуществить тщательную проверку всех используемых наименований сигналов. Данное увеличение трудоемкости процессов проектирования и пусконаладки с использованием МЭК 61850 приводит к резкому повышению вероятности ошибки в наименованиях и потери исполнительных схем после сдачи автоматизированных систем в промышленную эксплуатацию. В такой ситуации основная цель стандартизации утрачивается. С подобными проблемами уже столкнулись многие специалисты, часть из которых вполне обоснованно утверждает, что ничего, кроме усложнения наладочных работ, внедрение МЭК 61850 не принесло.
Базовый прикладной профиль
Решением описанной выше проблемы является разработка базового прикладного профиля МЭК 61850, который позволит унифицировать описание профилей функций автоматизированных систем, применяемых на объектах ПАО «ФСК ЕЭС».
В рассмотренном примере разработка базового прикладного профиля должна ответить на вопрос возможности реализации логики схемы, представленной ранее на рис. 6, используя только стандартные, семантически значимые элементы МЭК 61850, без использования логических узлов GGIO. Пример требуемой реализации приведен на рис. 9.
Основные различия между схемами, приведенными на рис. 8 и 9, состоят в следующем:
на терминале ввода сигналы пуска МТЗ отходящих линий заведены непосредственно в логический узел PTOC. В данном случае логический узел PTOC будет представлять собой ускоренную ступень МТЗ;
сигналы заводятся не на вход ExtRef, как в случае, представленном на рис. 7, а на входы BlkRef, предусмотренные второй редакцией стандарта для любого логического узла.
Принципиальная схема, приведенная на рис. 9, исключает наличие различных трактовок при чтении. Помимо упрощения визуального восприятия данное описание не требует работы ни в каких дополнительных редакторах логики: вся логика однозначно определена взаимодействием логических узлов — пуск МТЗ отходящих линий блокирует ускоренную ступень МТЗ ввода шины.
Ожидаемым эффектом формирования базового профиля является сокращение сроков и трудозатрат на параметрирование оборудования. Более того, формирование бумажной рабочей или исполнительной документации в данном случае может быть полностью автоматизировано и делаться из одного лишь SCD-файла описания подстанции, так как никакая часть логики не скрывается за ширмой общих логических узлов GGIO. На рис. 10 приведен пример описания такой схемы в синтаксисе файла SCL.
Помимо непосредственно ссылки с указанием на данные, которые будут использованы для блокировки рассматриваемой ступени МТЗ, в описании также присутствует ссылка на блок управления GOOSE (GOOSE Control Block), посредством которого будет отправляться сообщение с соответствующими данными. Таким образом, файл SCL становится не просто хранилищем коммуникационных параметров, но и фактически несет в себе информацию о принципиальных схемах функций РЗА, что впоследствии при помощи программных инструментов может быть преобразовано в текстовый документ с соответствующими пояснениями и блок-схемами.
Схема описания функции ЛЗШ, предложенная ранее на рис. 9, с использованием стандартных логических узлов и объектов данных в сочетании с описанием типов логических узлов, которые будут участвовать в таком взаимодействии (в частности, важным фактором в приведенном примере может быть количество блокирующих входов) — есть ни что иное, как базовый прикладной профиль функции ЛЗШ.
Рис. 10. Пример описания блокирующих входов логического узла PTOC в синтаксисе SCL
Определение профилей функций не является задачей МЭК, однако может быть выполнено на национальном уровне с целью унификации принимаемых в определенной стране (или компании) решений. Совокупность описания таких базовых прикладных профилей различных функций в сочетании с требованиями к ИЭУ, обеспечивающими реализацию профилей функций, позволяют сформировать национальный или корпоративный профиль стандарта МЭК 61850, существенно упрощающий внедрение комплексных решений на всех стадиях жизненного цикла ИТС: от проектирования до эксплуатации с последующим расширением системы.
Программное обеспечение
Программное обеспечение ПТК ЭК РЗА и АСУ ТП направлено на выполнение функции хранения информационного обеспечения (типовых технических решений), а также автоматизированного формирования технической части конкурсной документации путем представления пользовательского интерфейса. Основными автоматизируемыми функциями являются:
автоматизированное формирование принципиальной однолинейной схемы;
автоматическое формирование перечня сигналов и функций, реализуемых устройствами РЗА и АСУ ТП;
автоматизированное формирование схем ИТС с использованием типовых технических решений, хранящихся в базах данных;
оценка загрузки информационно-технологической сети объекта по выбранной конфигурации ИТС;
автоматическое формирование предварительной спецификации, отражающей общее количество и тип серийных шкафов РЗА и АСУ ТП ПАО ФСК ЕЭС (раздел «Техническая часть конкурсной документации»).
ПТК ЭК РЗА и АСУ ТП должен выполнять следующие основные функции:
ведение базы данных функций и сигналов РЗА и АСУТП, в том числе с поддержкой обозначений по МЭК 61850-6;
ведение базы данных типовой проектной документации на шкафы РЗА и АСУТП;
ведение базы данных типовых технических требований, бланков и инструкций;
сохранение, версионный контроль, экспорт/импорт разработанных однолинейных схем в описанном электронном формате, в том числе с использованием прикладного программного интерфейса (API);
предоставление человеко-машинного интерфейса для:
разработки однолинейных схем подстанций [6];
разработки, сохранения, версионного контроля технических решений систем РЗА и АСУТП;
экспертизы результатов, представленных в заданном формате;
автоматизированный подбор типовых проектных решений по однолинейной схеме подстанции и генерация необходимых текстовых, табличных и графических отчетов (состав и количество типовых шкафов и устройств, заказная спецификация шкафов и устройств, перечень функций и сигналов и др.);
отображение и экспорт отобранных типовых проектных решений, сгенерированных отчетов, спецификаций, списков сигналов, типовых структурных и функциональных схем.
Рис. 11. Эскиз-проект архитектуры доступа сервер — клиент
В ПТК ЭК РЗА и АСУ ТП должен быть реализован алгоритм автоматизированного формирования схем электрических принципиальных РУ, содержащих ограниченную вариативность элементов сети и оборудования
Пример элемента сети, хранящегося в электронном каталоге и графическом редакторе, приведен на рис. 12. Описание элемента сети в формате XML — на рис. 13.
Рис. 12. Вид элементов сети в электронном каталоге (базе данных) и графическом редактореРис. 13. Описание элемента сети в формате XML
Поддержка отечественных производителей
Для решения задачи поддержки отечественных производителей информационно-технологических систем в рамках государственной политики импортозамещения на базе АО «НТЦ ФСК ЕЭС» сформированы следующие рабочие группы по направлениям:
РЗА;
АСУ ТП;
УПАСК.
В состав рабочих групп инициативно вошли предприятия, перечисленные в табл. 3.
Таблица 3. Состав рабочих групп с участием заводов-изготовителей
Наименование предприятия
РЗА
АСУ ТП
УПАСК
ООО «НПП ЭКРА»
⊗
⊗
ООО «Энергопромавтоматизация»
⊗
ЗАО «ЧЭАЗ»
⊗
ООО «ИЦ Бреслер»
⊗
ООО «Релематика»
⊗
ФГУП «ЭЗАН»
⊗
⊗
ООО «Уралэнергосервис»
⊗
ООО «Прософт-Системы»
⊗
⊗
ООО «ИНБРЭС»
⊗
Основными задачами рабочих групп являются:
формирование площадки трансфера технологий путем использования передовых унифицированных достижений отечественных заводов-изготовителей в разрабатываемых технических решениях;
анализ разрабатываемых технических решений ведущими экспертами отрасли;
формирование высокого уровня осведомленности заводов-изготовителей о разрабатываемых технических решениях с целью создания условий для проведения промышленными предприятиями проактивных мероприятий по оптимизации внутренней научно-технической и производственной деятельности.
Заключение
В статье приведено описание проекта по разработке централизованного информационного ресурса, включающего:
базы данных, содержащие типовые проектные решения, утвержденные ПАО «ФСК ЕЭС»;
программный инструментарий доступа к базам данных проектными организациями и производителями оборудования при разработке конкурсной документации.
Реализация проекта обеспечит формирование условий для оптимизации существующих процессов проектирования и повышения производительности труда. Наличие централизованной базы данных типовых решений ПАО «ФСК ЕЭС», адаптированных под использование в распространенных САПР, является первоочередным шагом в решении комплексной задачи снижения затрат на проектирование и строительство, при повышении прозрачности выполняемого объема работ.
Дополнительно стоит отметить согласование полученных промежуточных результатов с АО «СО ЕЭС», а также одобрение Проекта на сессии научно-технического совета ПАО «Россети». Проект характеризован как необходимая основа для внедрения технологии «Цифровая подстанция» на объекты ЕНЭС.
Список литературы
ГОСТ 23501.101-87 «Системы автоматизированного проектирования. Основные положения».
IEC 61850-8-1:2011 (ed. 2.0) Communication networks and systems for power utility automation. Part 8-1: Specific communication service mapping. (SCSM), Mappings to MMS (ISO 9506-1 and ISO 9506-2) and to ISO/IEC 8802-3. [Электронный ресурс] URL: https://webstore.iec.ch/publication/6028 (дата обращения: 27.04.2017).
IEC 61850-9-2:2011 (ed. 2.0) Communication networks and systems for power utility automation. Part 9-2: Specific communication service mapping (SCSM) — Sampled values over serial unidirectional multidrop point to point link. [Электронный ресурс] URL: https://webstore.iec.ch/publication/6028 (дата обращения: 27.04.2017).
IEC 61850-6:2009 (ed. 2.0) Communication networks and systems for power utility automation. Part 6: Сonfiguration description language for communication in electrical substations related to IEDs. [Электронный ресурс] URL: https://webstore.iec.ch/publication/6028 (дата обращения: 27.04.2017).
Шевцов М.В. Передача дискретных сигналов между УРЗА по цифровым каналам связи // Релейщик. 2009. № 1. С. 60−63.
СТО 56947007-29.240.30.010-2008. Схемы принципиальные электрические распределительных устройств подстанций 35−750 кВ. Типовые решения. [Электронный ресурс] URL: www.fsk-ees.ru/upload/docs/56947007-29.240.30.010-2008.pdf (дата обращения: 27.04.2017).