Digital Substation — инженерное издание, посвященное автоматизации IEC 61850, системам релейной защиты и цифровому интеллекту энергосетей.
Методические указания Siemens по РЗА для полуторной схемы РУ
2014-01-28T13:00:18+04:00
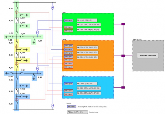
Компания Siemens опубликовала методические указания по организации релейной защиты и автоматики для полуторной схемы РУ (3 выключателя на 2 присоединения) на базе терминалов серии SIPROTEC 5. Функциональные требования к решению предъявляются следующие:...
Компания Siemens опубликовала методические указания по организации релейной защиты и автоматики для полуторной схемы РУ (3 выключателя на 2 присоединения) на базе терминалов серии SIPROTEC 5.
Функциональные требования к решению предъявляются следующие:
Организация основных и резервных защит присоединений;
Организация УРОВ;
Возможность АПВ каждого выключателя или присоединения;
Организация автоматики управления выключателями.
Архитектура РЗА для полуторной схемы РУ
Siemens предлагает использовать по отдельному ИЭУ для каждой из линий, реализующему функции защиты, АПВ, УРОВ. Для реализации функций управления выключателями и контроля синхронизма использовать один контроллер присоединения на 3 выключателя.
Методические указания Siemens предлагают объединение всех ИЭУ посредством шины обмена данных, которая позволит:
Реализовать функциональную и телекомуникационную избыточности для обеспечения резервирования;
Сократить количество медных связей между ИЭУ;
Организовать высокоскоростной информационный обмен между ИЭУ по оптоволоконным каналам связи.
Для реализации функций релейной защиты методические указания предлагают использовать ИЭУ 7SL8, реализующий одновременно функции основной (дифференциальной) и резервной (дистанционной) защит.
Возможно также применение разных ИЭУ для реализации функций основных и резервных защиты, например, 7SD8 и 7SA8. В качестве контроллера присоединения и дополнительного устройства индикации предполагается применение ИЭУ серии 6MD8. Ознакомиться с методическими указаниями можно по этой ссылке.
Источник: industry.siemens.com