Digital Substation — инженерное издание, посвященное автоматизации IEC 61850, системам релейной защиты и цифровому интеллекту энергосетей.
Анализ надежности шины процесса
2016-02-02T08:30:19+03:00
Несколько пилотных проектов по организации шины процесса были реализованы с главной целью - удостовериться в надёжности коммуникационной сети для передачи критически важной информации интегрированной системы РЗА. Данная статья представляет собой методологию оценки надёжности шины процесса на основе модели надёжности различных сетевых топологий. Рассматривая MTBF (Mean Time Before Failure - средняя наработка на отказ) различных элементов системы РЗА, был определен уровень надёжности всей системы и проанализированы полученные результаты.
Надёжность энергосистемы жизненно важна для сохранения стабильности энергоснабжения потребителей. Обычно инженеры РЗА относятся консервативно к сохранению целостности всех элементов, составляющих систему. В зависимости от уровня напряжения на подстанции для предотвращения рисков возможных аварий в системе РЗА применяется резервирование [1].
На традиционной подстанции все устройства в релейном зале, например, терминал РЗА и терминал РАС имеет свою собственную систему сбора данных. Все кабели с распределительного устройства, включая токовые цепи и цепи напряжения, напрямую подключаются к аналоговым входам этих устройств. Шина процесса стандарта МЭК 61850 [1] меняет этот подход. Коммуникационная шина рассматривается, как канал передачи данных с распределительного устройства в релейный зал [3]. И подстанции (конечные заказчики), и системные интеграторы понимают преимущества и экономическую целесообразность использования коммуникационной сети Ethernet для организации информационного обмена между интеллектуальными устройствами (IEDs) в релейном зале. Стандарт МЭК 61850 рассматривает этот коммуникационный уровень как шину станции.
В дополнение к шине станции МЭК 61850 рассматривает и другой уровень коммуникаций, а именно шину процесса. Шина процесса заменяет большинство медных кабелей, используемых при традиционном монтаже для подключения к терминалам РЗА первичного оборудования, такого как измерительные трансформаторы, выключатели и т.д., на отправку сообщений в коммуникационной сети на базе оптического кабеля. С этой точки зрения, токи и напряжения оцифровываются и преобразуются в цифровые значения, которые затем передаются по сети в виде стандартизированных сообщений – мгновенных значений, описанных в МЭК 61850-9.2 [4] и МЭК 61869 [5]. Это преобразование выполняется устройством сопряжения с шиной процесса - УСШ (MU).
Использование шины процесса в энергетике рассматривается как новейшая волна технологической эволюции. Однако, эта технология ещё нешироко распространена. Возможно, в силу того, что специалисты энергетической отрасли не полностью уверены в надёжности использования Ethernet сетей для передачи информации, которая критически важна для безопасного функционирования системы. Различные подходы к конфигурации сети обеспечивают различные уровни надёжности. В данной статье производится расчет надёжности различных вариантов топологии сети с помощью использования методологии создания моделей, базирующихся на надёжности каждого элемента, входящего в общую структуру коммуникационной сети от устройств сопряжения с шиной процесса до терминалов РЗА. Базируясь на оценке MTBF каждого элемента сети, рассчитывается общая надёжность системы, что даёт возможность оценить эффект от применения резервирования.
Надёжность
Согласно широко распространённому определению, надёжность - это вероятность выполнения устройством его функций правильно в течение определенного периода времени и при заданных рабочих условиях [6]. Использование теории вероятности для решения инженерных задач воспринимается со скептицизмом теми, кто привык рассматривать инженерную деятельность как что-то полностью детерминированное. Однако интеграция статистики и вероятности - естественная практика для анализа возможных результатов и оценки возможности наступления различных событий через анализ гипотез. Использование систем резервирования рассматривается в нескольких вариантах. В соответствии с [7] резервирование - это использование более чем одного устройства для выполнения заданной функции. Это положение тесно связано с надёжностью и предполагает заведомое улучшение рассматриваемых систем.
Методология оценки уровня надёжности системы РЗА базируется на создании модели надёжности, основанной на индивидуальной надёжности всех элементов, составляющих систему. Рассматривая эти модели, производится оценка уровня надёжности всей системы. В зависимости от её сложности могут быть применены различные подходы к созданию модели надёжности системы. Несколько методов описано ниже.
Блок-диаграммы
В блок-диаграммах моделей, в соответствии с [8], каждый блок представляет собой отдельное устройство. В последовательной конфигурации работоспособность системы определяется работоспособностью всех ее элементов. Надёжность последовательной системы из m- устройств, включенных последовательно, показана на рисунке 1а. При параллельной конфигурации, как минимум хотя бы одно устройство должно работать правильно, чтобы система нормально функционировала. Надёжность системы из m-элементов, включенных параллельно, показана на рисунке 1b. Смешанные конфигурации рассматриваются, как набор последовательных и параллельных моделей для анализа надёжности.
Рис. 1. Блок-диаграммы
RS и RPS - уровень надёжности для последовательных и параллельных моделей соответственно. Ri - это уровень надёжности для i-го устройства диаграммы.
Комплексные методы
Более сложные системы требуют специальных методов для получения модели надёжности. Дерево отказов (fault tree) - это дедуктивный анализ системы, в котором предполагается, что система может отказать определенным образом и делается попытка найти, как система или её компоненты могут способствовать этому сбою [8]. Он представляет собой возникновение события через взаимосвязь наборов объектов, называемых «ворота (gates)», и соотношения булевой алгебры между ними. На рисунке 2 приведён пример диаграммы анализа дерева отказа (Fault Tree Analysis (FTA)).
Рис. 2. Базовые логические диаграммы
Другой метод базируется на таблицах булевой логики (Boolean logic tables). Рассматриваются различные сценарии, создается логическая таблица, детерминируются возможные исходы, вероятность реализации этих сценариев вычисляется для определения уровня надёжности системы.
Модели надёжности шины процесса
Традиционные системы РЗА с точки зрения взаимосвязей между распределительным устройством (РУ) и терминалами РЗА представляют собой простые структуры, которые состоят из терминала РЗА, установленного в релейном зале, и кабелей, которые соединяют его с отдельными элементами РУ. С точки зрения уровня надёжности, надёжность системы РЗА зависит от схемы соединения измерительных трансформаторов и терминалов РЗА. Для шины процесса МЭК 61850 могут применяться различные топологии коммуникационной сети с конечной цель обеспечения передачи информации от источников к получателям. Для более реалистичного анализа рассматриваются наиболее часто встречающиеся варианты построения шины процесса.
Цель данной статьи проанализировать надёжность системы РЗА для того, чтобы сравнить надёжность различных топологий построения шины процесса и традиционного подхода построения системы РЗА. Для анализа будут оцениваться коммуникационные структуры и устройства, интегрированные в них. В силу того, что длина кабелей от элементов РУ до устройств сопряжения по определению достаточно небольшая, то эти кабели не будут учитываться при проведении анализа. Для упрощения цифровые измерительные трансформаторы также не будут рассматриваться в данном исследовании. Поэтому как в рамках традиционного подхода, так и шины процесса терминалы РЗА будут получать информацию с одних и тех же измерительных трансформаторов (ИТ), и их надёжность не будет являться частью моделей.
Для формирования модели надёжности традиционной архитектуры рассматриваются только медные кабели и терминалы РЗА. Модель надёжности базируется на серии блок-диаграмм, показанных на рисунке 1. В некоторых случаях для улучшения надёжности системы требуется резервирование терминалов РЗА. В этом случае рассматривались два терминала РЗА с независимым подключением кабелей. Модель рассматривает набор последовательных и параллельных блок-диаграмм в (2):
где RS, RSR, RCC1, RCC2 и RRL - уровни надёжности системы РЗА без и с резервированием, медных кабелей и терминалов РЗА соответственно.
Базируясь на коммуникационной архитектуре каждого сценария, рассчитывается модель надёжности для системы РЗА с использованием шины процесса.
Сценарий 1: Одно УСШ, один терминал РЗА и один коммутатор
Считается, что УСШ установлено в распределительном устройстве в непосредственной близости от первичного оборудования, такого как трансформатор тока (ТТ), и подключенного к терминалу РЗА через коммутатор. Терминал РЗА и УСШ подключены к коммутатору с помощью оптического кабеля. Терминал, коммутатор и кабель, который их соединяет, находится в релейном зале. В то время как MU установлен в соответствующей панели около первичного оборудования, и кабель, соединяющий его с релейным залом, проложен в лотках, пересекающих подстанцию. Рисунок 3 иллюстрирует такое подключение.
Рис. 3. Сетевая топология для простой шины процесса
Данная топология представляет собой простейшую архитектуру шины процесса, для её описания используется блок-диаграмма из последовательных элементов. Модель надёжности этого сценария показана в (3):
где, RSIST, RMU1, RFO1, RF02, RSW1, и RRL1 - уровни надёжности системы РЗА, УСШ, оптических кабелей 1 и 2, коммутатора и терминала РЗА соответственно.
Сценарий 2: Два УСШ с резервированным сбором данных, один терминал РЗА и один коммутатор
Использование УСШ увеличивает вероятность отказа системы РЗА, базирующейся на шине процесса. Альтернативное решение для предотвращения этого риска - использование двух УСШ с одинаковыми сигналами, подключенных параллельно и посылающих данные в сеть, как показано на рисунке 4.
Рис. 4. Сетевая топология с резервированным сбором
В данных условиях терминал РЗА должен иметь возможность получать и обрабатывать пакеты данных с двух УСШ одновременно. В этом случае не существует резервирования сетевой структуры. Модель для определения надёжности системы РЗА в данной топологии представляется блог-диаграммой, состоящей из последовательных и параллельных элементов. Математическое описание показано в (4).
где RSIST, RMU1, RMU2, RFO1, RF02, RF03, RSW1 и RRL1 - уровни надёжности системы РЗА, УСШ1 и УСШ2, оптических кабелей 1 , 2 и 3, коммутатора и терминалами РЗА соответственно.
Сценарий 3: Одно УШС и одно устройство РЗА с резервным Ethernet портом и двумя коммутаторами
В этой топологии добавляется дополнительный уровень резервирования: с использованием резервированного сетевого порта с протоколом PRP (Parallel Redundancy Protocol) [9]. Следовательно, вся структура шины процесса должна быть удвоена, и вся информация, передаваемая от УСШ к принимающему устройству, посылается двумя различными путями. Рисунок 5 иллюстрирует данный сценарий.
Рис. 5. Шина процесса с резервированием
Модель надёжности в этой конфигурации получается с помощью представления смешанной блок-диаграммы:
где RSIST, RMU1, RFO1, RF02, RF03, RF04, RSW1, RSW2 и RRL1 - уровни надёжности системы РЗА, УСШ, оптических кабелей 1,2,3 и 4, коммутаторов 1, 2 и терминала РЗА.
Сценарий 4: Два УСШ (резервированный сбор данных) и один терминал РЗА с резервированными Ethernet портами, два коммутатора
Выполняя интеграцию сценариев 2 и 3, получается система, которая рассматривает резервирование УСШ и коммуникационной структуры. В этом контексте представлена топология, где наиболее уязвимые части системы дублируются для того, чтобы предотвратить риск сбоя. Два УСШ, производящие одни те же измерения, подключены к двум коммутаторам, которые установлены в релейном зале, с использованием резервированной связи. Терминал РЗА с резервированными сетевыми портами и обрабатывающий информацию от двух УСШ подключен к этим коммутаторам. Вышеописанная топология приведена на рисунке 6:
Рис. 6. Шина процесса с резервированным сбором данных и резервированной сетевой архитектурой
Для моделирования этой системы используется метод дерева отказов, рассматривающий сбой системы РЗА, как последовательность событий. Дерево отказа состоит из нескольких уровней событий, подключенных через логические ворота AND и OR. Результирующая модель получена и проанализирована (УСШ, сетевая структура и терминал РЗА) с помощью логического описания набора вероятностей отказа для всех устройств, входящих в систему РЗА.
После замены логических ворот математическими выражениями, результирующая модель показана в (6). По этой модели становится возможным количественно оценить вероятность сбоя системы РЗА.
где RSIST, RMU1, RMU2, RFO1, RF02, RF03, RF04, RSW1, RSW2 и RRL1 - уровни надёжности системы РЗА, УСШ 1 и 2, оптических кабелей 1, 2, 3 и 4, коммутаторов 1, 2 и терминала РЗА.
Сценарий 5: Два УСШ (резервированный сбор данных) и два терминала РЗА (резервирование защит) с резервированными Ethernet портами, два коммутатора
В зависимости от уровня напряжения и защищаемого первичного оборудования, система РЗА должна обязательно работать с двойным измерением тока и напряжения. Соответственно, есть и основная защита, и резервная на случай сбоя основной. [1].
Обычно в традиционной системе два независимых набора кабелей от ТТ и ТН заводятся в релейный зал для подключения каждого терминала РЗА. Эквивалентная топология шины процесса использует два УСШ с резервированными сетевыми портами, подключенными к коммутаторам с помощью оптических кабелей. Терминалы РЗА с резервированными сетевыми портами также подключаются к коммутаторам и выполняют функции основных и резервных защит. Рисунок 7 иллюстрирует такую топологию.
Рис. 7. Шина процесса с резервированием сбора данных и терминалов РЗА
Итоговое дерево отказов FTA показано на рисунке 8, а результирующая модель в (7):
Рис. 8. Анализ дерева отказов для сценария 5
где RSIST, RMU1, RMU2, RFO1, RF02, RF03, RF04, RF05, RF06, RSW1, RSW2 и RRL1 - уровни надёжности системы РЗА, УСШ 1 и 2, оптических кабелей 1, 2, 3, 4, 5 и 6, коммутаторов 1 и 2, и терминалов РЗА 1 и 2.
Сценарий 6: Сетевая топология кольца
В предыдущей топологии коммутатор – один из ключевых элементов системы РЗА. Его конфигурация важна для организации эффективного обмена данными по сети, для обеспечения требуемого уровня пропускной способности и продолжительной работоспособности без искажения и потери пакетов данных.
В кольцевой топологии соединение между различными IEDs выполняется с помощью прямых и последовательных связей между устройствами, что обеспечивает последовательное соединение, объединенное в кольцо. В этой топологии не нужно использовать коммутатор, потому что каждое устройство в кольце имеет два Ethernet порта, эквивалентных коммутатору и передающих пакеты от одного порта в другой так, чтобы данные передавались по кольцу в соответствии с критериями используемого сетевого протокола. Для обеспечения нулевого времени восстановления в случае сбоя в одном из устройств кольца используется протокол HSR (High-availability Seamless Redundancy) [9].
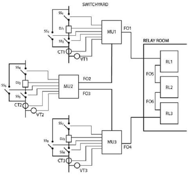
Для изучения надёжности кольцевой топологии анализировалось кольцо из 6-ти устройств, организующих систему РЗА. Эта топология потенциально учитывает защиту более чем одного присоединения или дополнительное подключение нескольких устройств, которые используют данные от РУ. В соответствии с [10], в силу большой загрузки сети трафиком максимальное количество устройств в кольце с пропускной способностью 100 Мб/сек равно 6. В данном случае рассматривается кольцо с тремя УСШ и тремя терминалами РЗА, формирующими систему РЗА трех ячеек, как показано на рисунке 9.
Рис. 9. Три терминала РЗА и три УСШ в кольцевой топологии
Методология, используемая для определения модели надёжности, состоит из сопоставления сценариев, которые определяют характер поведения системы РЗА в ситуации, когда хотя бы один УСШ может обмениваться информацией с терминалом РЗА. Для изучения этого случая был применен комбинированный анализ элементов, которые составляют систему РЗА. Было проведено сравнение сценариев и возможных гипотез отказов данной системы.
В сценариях, где оборудование и линии связи не повреждены, становится возможным гарантировать целостность системы РЗА. В сценариях, где происходит один единичный сбой, существуют ситуации, когда целостность системы поддерживается. В сценариях, где происходят два и более сбоя, невозможно полностью гарантировать, что система РЗА будет себя вести, как хотелось бы. Надёжность системы рассчитывается путем добавления сценария вероятности возникновения ситуации работы без сбоев и сценария работы с одним сбоем. Уравнение (8) показывает модель надёжности для кольцевой топологии.
где RSIST, RMU, RFO, и RRL - уровни надёжности системы РЗА, УСШ, оптических кабелей и терминала РЗА.
Выполняя подобный анализ, рассматривается кольцо из трех элементов (два УСШ и одного терминала РЗА), модель надёжности показана в (9).
Анализ надежности
Базируясь на предыдущем разделе, различные сетевые топологии подразумевают различные модели надёжности. Надёжность системы РЗА зависит от надёжности каждого элемента, который ее составляет. Каждый элемент имеет вероятность отказа, который является функцией характеристик элементов и компонентов, из которых он состоит. Чем лучшее качество оборудования, тем меньше вероятность его отказа.
Надёжность устройств тесно связана с показателем MTBF (Mean Time Between Failure). Это значение зависит от количества устройств в анализе и времени, в течение которого устройства в работе. Базируясь на этой информации, становится возможным оценить частоту сбоев для одного устройства в течение заданного периода времени и, следовательно, вероятность отказа или другими словами ее уровень надёжности [7]. Надёжность электронного устройства может быть оценена на основе выражения (10).
где R, t и MTBF - уровень надёжности оборудования, временной интервал для анализа и MTBF устройства соответственно.
Для сравнения надёжности между различными архитектурами в [11], а также путем опроса производителей оборудования был получен MTBF каждого сетевого элемента. На базе этого уровень надёжности каждого элемента был определён и сведён в таблицу 1.
Таблица 1 – Надёжность каждого элемента системы РЗА
Элемент
MTFB(годы)
Надёжность
Реле защиты
300
0,9967
УСШ
300
0,9967
Выключатель
100
0,9900
Медные кабели
100
0,9900
Оптоволоконные кабели в релейном зале
100
0,9900
Оптоволоконные кабели на ОРУ
100
0,9900
Рассматривая надёжность каждого элемента системы РЗА и модель топологии, можно рассчитать надёжность всей системы. MTBF у разных производителей может отличаться и, следовательно, уровень надёжности, используемый в анализе, тоже. Используя методологию, представленную в данной статье, можно проверить новый уровень надёжности.
Традиционная система РЗА при рассмотрении её моделей надёжности может обеспечить уровень надёжности, показанный в таблице 2.
Таблица 2 – Уровни надёжности для традиционной системы РЗА
Архитектура
Надёжность
Без резервирования
0,9867
Основная и резервная защита
0,9998
Рассматривая подход с использованием шины процесса, базируясь на надёжности каждого элемента сети и модели надёжности для каждой топологии, получаются следующие результаты, приведенные в таблице 3.
Таблица 3 – Уровни надёжности для системы РЗА, использующей шину процесса
Сценарий
Топология сети
Надёжность
1
Одно УСШ, один терминал РЗА и один коммутатор
0,9639
2
Два УСШ с резервированным сбором данных, один терминал РЗА и один коммутатор
0,9767
3
Одно УШС и одно устройство РЗА с резервным Ethernet потом и двумя коммутаторами
0,9925
4
Два УСШ (резервированный сбор данных) и один терминал РЗА с резервированными Ethernet портами, два коммутатора
0,9965
5
Два УСШ (резервированный сбор данных) и два терминала РЗА (резервирование защит) с резервированными Ethernet портами, два коммутатора
0,9999
6
Сетевая топология кольца с 6 ИЭУ
0,9911
Сетевая топология кольца с 6 ИЭУ
0,9930
По сравнению с шиной процесса традиционные системы РЗА используют меньшее количество элементов, т.е. только терминал РЗА и медные кабели, которые подключают их к первичному оборудованию. Следовательно, их уровень надёжности по определению выше. При рассмотрении схемы с резервированными терминалами РЗА, уровень надёжности ещё выше.
Когда применяется подход с использованием шины процесса, система РЗА в целом становится более зависимой от электронных устройств и их коммуникационных связей. С большим количеством элементов естественно в системе появляется больше точек уязвимости, и уровень надёжности может снижаться по сравнению с традиционными архитектурами. Очевидно, что с использованием различных уровней резервирования в системе, уровень надёжности растёт существенно, и, в конечном счете, превышает уровень надёжности традиционного подхода.
Сценарий 1 демонстрирует наиболее базовую архитектуру шины процесса. Она подходит для простых систем РЗА, где первичное оборудование соединено с одиночным терминалом РЗА с помощью УСШ, коммутатора и оптических кабелей. Так как надёжность определяется всеми элементами, и в системе есть нерезервированные элементы, то для этой архитектуры был получен самый низкий уровень надёжности.
В сценарии 2 рассматривается случай простейшего резервирования. Например, использование двух УСШ и двух независимых оптических кабелей для обеспечения дублирования информации в сети. Следовательно, терминал РЗА будет получать достоверные данные для запуска защитных алгоритмов даже в случае сбоя одного из УСШ. Сетевая структура простая, т. е. пакеты от каждого УСШ передаются через одиночную коммуникационную связь в коммутатор. Однако, надёжность системы существенно выше по сравнению со сценарием 1 в силу дублирования систем измерения.
В сценарии 3 оба УСШ и терминал РЗА поддерживают протокол резервирования. В силу того, что каждое устройство подключено к двум коммутаторам, существует полностью параллельный путь коммуникации данных между устройствами, что делает структуру сети более надёжной и, следовательно, увеличивает уровень надёжности системы РЗА. Рассматривая второй УСШ, как способ улучшения резервирования системы сбора сигналов, показанный в сценарии 4, в результате уровень надёжности оказывается выше. В обоих случая надёжность системы уже выше, чем при традиционной архитектуре РЗА без резервирования.
В случае, когда требуется максимально высокий уровень надёжности системы РЗА, использование резервирования терминалов РЗА неизбежно. Использование шины процесса с резервированием системы измерения и коммуникационной сети в комбинации с резервированием терминалов РЗА, как показано в сценарии 5, обеспечивает высочайший уровень надёжности, даже превышающий надёжность традиционной архитектуры с основным и резервным комплектами защит. Когда один и тот же сигнал мониторится двумя разными устройствами и путь передачи данных состоит из сетевой структуры с различными комбинациями, иммунитет к сбою системы РЗА увеличивается. Наличие двух терминалов РЗА, способных работать одновременно, делает этот иммунитет даже выше.
Кольцевая топология, показанная в сценарии 6 для трёх и шести устройств, обеспечивает высокий уровень надёжности с использованием нескольких устройств, что обеспечивает реальную альтернативу PRP протоколу. Однако, она упирается в ценовые ограничения количества устройств в сети и может привести к трудностям с точки зрения масштабируемости и, следовательно, больше подходит для небольших приложений. Также важно отметить, что PRP резервирование становится более эффективным с точки зрения стоимости в случае больших систем, где коммутаторы могут, например, быть частью систем измерений для нескольких ячеек.
Оценивая все представленные топологии, установлено, что чем выше уровень резервирования, тем выше надёжность системы. Резервирование сетевой структуры делает систему более надёжной потому, что позволяет организовать несколько путей передачи данных. Резервирование устройств делает систему менее зависимой от целостности единиц оборудования, которые его составляют. Заметно, однако, что частичное резервирование системы РЗА, определяемое архитектурой шины процесса, несмотря на показанный высокий уровень надёжности, всё ещё немного ниже уровня надёжности традиционной системы. Влияние этого различия может быть минимизировано, если будут рассматриваться другие, не поддающиеся количественному анализу аспекты.
В силу использования характеристик стандарта МЭК 61850 использование шины процесса естественным образом позволяет просто и на постоянной основе мониторить статус устройств в сети и качество данных, по ней передающихся. Эта возможность позволяет быстро идентифицировать проблемы и, следовательно, служба эксплуатации может быстро приступить к их решению. К тому же эксплуатация устройств становится проще потому, что используется меньше кабелей для их соединения, что минимизирует трудозатраты в случае их замены. Другой очень важный пункт, который должен учитываться, - это существенное увеличение уровня безопасности, так как только УСШ получает измерения с ТТ. Это значит, что в ОПУ нет вероятности инцидента с эксплуатационным персоналом в силу разрыва токовых цепей.
Также в силу стандартизации характеристик устройств информация, которая передается по сети, может иметь тег «тестовый режим», и в этой ситуации заданные устройства могут игнорировать данные. Этот тэг полезен при периодическом тестировании систем на подстанции, изоляции и, в конечном счете, в сервисном тестировании без необходимости выводить в ремонт всю систему РЗА при тестировании. Гибкость расширения системы – это ключевая точка. Добавление новых устройств в шину процесса проще, потому что это требует физического места, питания и сетевых кабелей. Следовательно, нет необходимости отключать систему РЗА для выполнения сервисных работ.
Выводы
В данной статье рассчитывается надёжность различных архитектур шины процесса с помощью методологии, рассматривающей уровни надёжности каждого элемента системы РЗА. Основываясь на MTBF этих элементов, был определён уровень надёжности для традиционной архитектуры и нескольких сценариев построения шины процесса. После сравнения и анализа результатов стало возможным проверить надёжность шины процесса в нескольких топологиях. Учитывая результаты расчёта надёжности и не поддающиеся количественной оценке аспекты шины процесса, её использование является весьма обнадёживающим.
Литература
S. Ward, et al, “Redundancy Considerations for Protective Relaying Systems”, IEEE PSRC, WG I 19 (2010)
“IEC61850-SER ed1.0: Communication networks and systems in substations - ALL PARTS” (2013)
L. Hossenlopp, D. Chatrefou, D. Tholomier, D. P. Bui. "Process bus: Experience and impact on future system architectures", CIGRE, paper B5-104 (2008).
“IEC 61850-9-2 ed. 2.0: Communication networks and systems for power utility automation - Part 9-2: Specific communication service mapping (SCSM) - Sampled values over ISO/IEC 8802-3” (2011)
“IEC 61869-1 ed. 1.0: Instrument transformers - Part 1: General requirements” (2007)
R. Billinton, R. N. Allan, “Reliability Evaluation of Engineering Systems: Concepts and Techniques”, Springer (1992)
A. Birolini, “Reliability Engineering, Theory and Practice”, Fifth edition, Springer (2007)
R. Manzini, A. Regattieri, H. Phan, E. Ferrari, “Maintenance for Industrial Systems”, Springer (2010)
“IEC 61439-3 ed2.0: Industrial communication networks - High availability automation networks -Part 3: Parallel Redundancy Protocol (PRP) and High-availability Seamless Redundancy (HSR)” (2012)
“IEC/TR 61850-90-40: ed 1.0: Communication networks and systems for power utility automation– Part 90-4: Network engineering guidelines, Technical Report” (2013)
U. B. Anombem, H. Li, P. Crossley, R. Zhang and C. McTaggart, “Process bus architectures for substation automation with life cycle cost consideration”, 10th IET Int. Conf. on Developments in Power System Protection (DPSP), 2010
Статью перевёл Глеб Соколов - руководитель отдела автоматизации подстанций АО «Альстом Грид».